ZHCSE65B August   2015  – November 2018

PRODUCTION DATA.  

  1. 特性
  2. 应用
  3. “说明”
    1.     Device Images
      1.      简化原理图
  4. 修订历史记录
  5. 说明 (续)
  6. Pin Configuration and Functions
  7. Specifications
    1. 7.1  Absolute Maximum Ratings
    2. 7.2  ESD Ratings
    3. 7.3  Recommended Operating Conditions
    4. 7.4  Thermal Information
    5. 7.5  Electrical Characteristics: Supply Current
    6. 7.6  Electrical Characteristics: I/O
    7. 7.7  Electrical Characteristics: ADC
    8. 7.8  Electrical Characteristics: Power-On Reset
    9. 7.9  Electrical Characteristics: Oscillator
    10. 7.10 Electrical Characteristics: Data Flash Memory
    11. 7.11 Electrical Characteristics: Register Backup
    12. 7.12 SMBus Timing Specifications
    13. 7.13 Typical Characteristics
  8. Detailed Description
    1. 8.1 Overview
    2. 8.2 Functional Block Diagram
    3. 8.3 Feature Description
      1. 8.3.1 Primary (1st Level) Safety Features
      2. 8.3.2 Secondary (2nd Level) Safety Features
      3. 8.3.3 Charge Control Features
      4. 8.3.4 Fuel Gauging
      5. 8.3.5 Lifetime Data Logging
      6. 8.3.6 Authentication
      7. 8.3.7 Battery Parameter Measurements
        1. 8.3.7.1 Current and Coulomb Counting
        2. 8.3.7.2 Voltage
        3. 8.3.7.3 Temperature
    4. 8.4 Device Functional Modes
    5. 8.5 Programming
      1. 8.5.1 Physical Interface
      2. 8.5.2 SMBus Address
      3. 8.5.3 SMBus On and Off State
  9. Application and Implementation
    1. 9.1 Application Information
    2. 9.2 Typical Applications
      1. 9.2.1 Schematic
      2. 9.2.2 Design Requirements
      3. 9.2.3 Detailed Design Procedure
        1. 9.2.3.1 Measurement System
          1. 9.2.3.1.1 Cell Voltages
          2. 9.2.3.1.2 External Average Cell Voltage
          3. 9.2.3.1.3 Current
          4. 9.2.3.1.4 Temperature
        2. 9.2.3.2 Gas Gauging
        3. 9.2.3.3 Charging
          1. 9.2.3.3.1 Fast Charging Voltage
          2. 9.2.3.3.2 Fast Charging Current
          3. 9.2.3.3.3 Other Charging Modes
        4. 9.2.3.4 Protection
        5. 9.2.3.5 Peripheral Features
          1. 9.2.3.5.1 LED Display
          2. 9.2.3.5.2 SMBus Address
      4. 9.2.4 Application Performance Plots
  10. 10Power Supply Recommendations
  11. 11Layout
    1. 11.1 Layout Guidelines
      1. 11.1.1 Power Supply Decoupling Capacitor
      2. 11.1.2 MRST Connection
      3. 11.1.3 Communication Line Protection Components
      4. 11.1.4 ESD Spark Gap
    2. 11.2 Layout Example
  12. 12器件和文档支持
    1. 12.1 相关文档
    2. 12.2 社区资源
    3. 12.3 商标
    4. 12.4 静电放电警告
    5. 12.5 术语表
  13. 13机械、封装和可订购信息

封装选项

机械数据 (封装 | 引脚)
散热焊盘机械数据 (封装 | 引脚)
订购信息

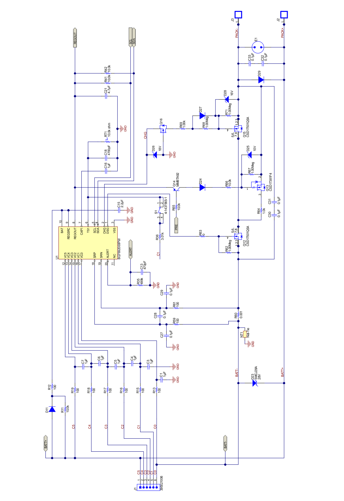
Schematic

The schematic is split into two sections: the gas gauge section (Figure 7) and the AFE section (Figure 8).

bq78350-R1 GG_Schematic.gifFigure 7. 5-Series Cell Typical Schematic, Gas Gauge (bq78350-R1)
bq78350-R1 AFE_Schematic.gifFigure 8. 5-Series Cell Typical Schematic, AFE (bq76920)