ZHCSCE2I October   2013  – March 2022 BQ76920 , BQ76930 , BQ76940

PRODMIX  

  1. 特性
  2. 应用
  3. 说明
  4. Revision History
  5. Device Comparison Table
  6. Pin Configuration and Functions
    1. 6.1 Versions
    2. 6.2 BQ76920 Pin Diagram
    3. 6.3 BQ76930 Pin Diagram
    4. 6.4 BQ76940 Pin Diagram
  7. Specifications
    1. 7.1 Absolute Maximum Ratings
    2. 7.2 ESD Ratings
    3. 7.3 Recommended Operating Conditions
    4. 7.4 Thermal Information
    5. 7.5 Electrical Characteristics
    6. 7.6 Timing Requirements
    7. 7.7 Typical Characteristics
  8. Detailed Description
    1. 8.1 Overview
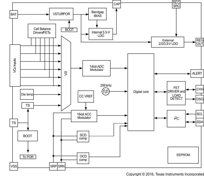
    2. 8.2 Functional Block Diagram
    3. 8.3 Feature Description
      1. 8.3.1 Subsystems
        1. 8.3.1.1 Measurement Subsystem Overview
          1. 8.3.1.1.1 Data Transfer to the Host Controller
          2. 8.3.1.1.2 14-Bit ADC
            1. 8.3.1.1.2.1 Optional Real-Time Calibration Using the Host Microcontroller
          3. 8.3.1.1.3 16-Bit CC
          4. 8.3.1.1.4 External Thermistor
          5. 8.3.1.1.5 Die Temperature Monitor
          6. 8.3.1.1.6 16-Bit Pack Voltage
          7. 8.3.1.1.7 System Scheduler
        2. 8.3.1.2 Protection Subsystem
          1. 8.3.1.2.1 Integrated Hardware Protections
          2. 8.3.1.2.2 Reduced Test Time
        3. 8.3.1.3 Control Subsystem
          1. 8.3.1.3.1 FET Driving (CHG AND DSG)
            1. 8.3.1.3.1.1 High-Side FET Driving
          2. 8.3.1.3.2 Load Detection
          3. 8.3.1.3.3 Cell Balancing
          4. 8.3.1.3.4 Alert
          5. 8.3.1.3.5 Output LDO
        4. 8.3.1.4 Communications Subsystem
    4. 8.4 Device Functional Modes
      1. 8.4.1 NORMAL Mode
      2. 8.4.2 SHIP Mode
    5. 8.5 Register Maps
      1. 8.5.1 Register Details
      2. 8.5.2 Read-Only Registers
  9. Application and Implementation
    1. 9.1 Application Information
      1. 9.1.1 Device Timing
      2. 9.1.2 Random Cell Connection
      3. 9.1.3 Power Pin Diodes
      4. 9.1.4 Alert Pin
      5. 9.1.5 Sense Inputs
      6. 9.1.6 TSn Pins
      7. 9.1.7 Unused Pins
      8. 9.1.8 Configuring Alternative Cell Counts
    2. 9.2 Typical Applications
      1. 9.2.1 Design Requirements
      2. 9.2.2 Detailed Design Procedure
        1. 9.2.2.1 Step-by-Step Design Procedure
      3. 9.2.3 Application Curves
  10. 10Power Supply Recommendations
  11. 11Layout
    1. 11.1 Layout Guidelines
    2. 11.2 Layout Example
  12. 12Device and Documentation Support
    1. 12.1 第三方产品免责声明
    2. 12.2 Documentation Support
    3. 12.3 Related Links
    4. 12.4 Receiving Notification of Documentation Updates
    5. 12.5 Trademarks
  13. 13Mechanical, Packaging, and Orderable Information

封装选项

机械数据 (封装 | 引脚)
散热焊盘机械数据 (封装 | 引脚)
订购信息

Functional Block Diagram

GUID-8C2A37D4-DFE5-4F46-A167-903504E2D531-low.gif