ZHCSEA8A October   2015  – October 2015

PRODUCTION DATA.  

  1. 特性
  2. 应用
  3. 说明
  4. 修订历史记录
  5. Pin Configuration and Functions
  6. Specifications
    1. 6.1 Absolute Maximum Ratings
    2. 6.2 ESD Ratings
    3. 6.3 Recommended Operating Conditions
    4. 6.4 Thermal Information
    5. 6.5 Electrical Characteristics
    6. 6.6 Typical Characteristics
  7. Detailed Description
    1. 7.1 Overview
    2. 7.2 Functional Block Diagram
    3. 7.3 Feature Description
      1. 7.3.1 Demodulator
      2. 7.3.2 PWM Control
        1. 7.3.2.1 PWM_CTRL Input
        2. 7.3.2.2 PWM1, PWM2
        3. 7.3.2.3 Self-Switching
        4. 7.3.2.4 Duty Cycle Adjustment
      3. 7.3.3 Current Sense Amplifier
      4. 7.3.4 Voltage Regulator
    4. 7.4 Device Functional Modes
      1. 7.4.1 Power Transfer
        1. 7.4.1.1 Dynamic Power Limiting™
      2. 7.4.2 Communication
  8. Application and Implementation
    1. 8.1 Application Information
    2. 8.2 Typical Application
      1. 8.2.1 Design Requirements
      2. 8.2.2 Detailed Design Procedure
        1. 8.2.2.1 Capacitor Selection
        2. 8.2.2.2 Current Monitoring Requirements
        3. 8.2.2.3 Input Regulation
        4. 8.2.2.4 System Input Power Requirements
      3. 8.2.3 Application Curves
  9. Power Supply Recommendations
  10. 10Layout
    1. 10.1 Layout Guidelines
      1. 10.1.1 Layout Notes
    2. 10.2 Layout Examples
  11. 11器件和文档支持
    1. 11.1 文档支持
      1. 11.1.1 相关文档 
    2. 11.2 社区资源
    3. 11.3 商标
    4. 11.4 静电放电警告
    5. 11.5 Glossary
  12. 12机械、封装和可订购信息

封装选项

机械数据 (封装 | 引脚)
散热焊盘机械数据 (封装 | 引脚)
订购信息

8 Application and Implementation

NOTE

Information in the following applications sections is not part of the TI component specification, and TI does not warrant its accuracy or completeness. TI’s customers are responsible for determining suitability of components for their purposes. Customers should validate and test their design implementation to confirm system functionality.

8.1 Application Information

The bq50002 device is a wireless power transmitter AFE designed for 5-W WPC compliant applications when paired with the bq500511. The pair integrates all functions required to control wireless power transfer to a WPC v1.2 compliant receiver. Several tools are available for the design of the system. See the product folder on www.ti.com for more details. The following sections highlight some of the system design considerations.

bq50002 system_lusbw1.gif Figure 6. System Block Diagram

The I2C port is accessed by the FOD tuning tool and can provide a level of system monitoring and evaluation.

The SDA and SCL lines of the I2C bus must be pulled up (as shown in the Figure 7) if the I2C port is utilized. They may be left floating if no I2C function is required. The logic reference generated by the bq50002 Analog Front End is 3 V, so care should be taken to ensure that if the Master I2C device also has pull-up resistors to a higher reference, that the the 3-V reference to the bq500511 is not affected. Specifically, only one set of pull-up resistors should be populated, either on the I2C Master bus or on the bq500511 system board, but not both.

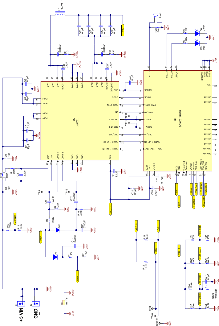
8.2 Typical Application

The bq50002 is a highly integrated analog front end device which, when paired with the bq500511 controller, requires a minimum of external components to implement a WPC V 1.2 Wireless Power Transmitter system.

As shown in the application schematic, external components are used to implement the following functions:

  • Resonant Tank Circuit
  • Demodulator Input Signal Conditioning
  • Human Interface (LED and Buzzer)
  • Current Sensing
  • Voltage Sensing
  • Temperature Sensing
  • System Configuration
    • Foreign Objection Detection (FOD) Threshold and Calibration
    • LED Mode
bq50002 schem_lusbw1.gif Figure 7. bq500511 Application Schematic

8.2.1 Design Requirements

DESIGN PARAMETER VALUE
WPC coil type A11

8.2.2 Detailed Design Procedure

8.2.2.1 Capacitor Selection

Capacitor selection is critical to proper system operation. The total capacitance value of 4 nF × 100 nF is required in the resonant tank. This is the WPC system compatibility requirement, not a guideline.

NOTE

A total capacitance value of 4 nF × 100 nF (C0G dielectric type, 50-V rating) is required in the resonant tank to achieve the correct resonance frequency. The capacitors chosen must be rated for at least 50 V and must be of a high-quality C0G dielectric (sometimes also called NP0). These are typically available in a 5% tolerance, which is adequate. TI does not recommend the use of X7R types or below if WPC compliance is required because critical WPC Certification Testing, such as the minimum modulation or guaranteed power test, might fail. The designer can combine capacitors to achieve the desired capacitance value. Various combinations can work depending on market availability. All capacitors must be of C0G types (not mixed with any other dielectric types).

8.2.2.2 Current Monitoring Requirements

The bq50002 is WPC v1.2 ready. To enable the FOD feature, current monitoring is provided in the bq50002 Analog Front End. For proper scaling of the current monitor signal, the current sense resistor should be 20 mΩ. For FOD accuracy, the current sense resistor must be a quality component with 0.5% tolerance, at least 1/4-W rating, and a temperature stability of ±200 PPM.

8.2.2.3 Input Regulation

The bq500511 requires 3 VDC to operate. The regulator in the bq50002 provides this voltage rail eliminating the need for any external regulation.

8.2.2.4 System Input Power Requirements

The design works with 5-V input voltage to the bq50002. The WPC defined A11 TX type requires 5-V system voltage in order to deliver 5 W of output power from the receiver.

8.2.3 Application Curves

bq50002 standby_lusbw1.gif
Figure 8. Standby Power
bq50002 load_lusbw1.gif
Figure 10. Load-Transient Response
bq50002 startup_lusbw1.gif
Figure 9. Start-Up with bq51013B