ZHCSDZ3D December   2014  – January 2017

PRODUCTION DATA.  

  1. 特性
  2. 应用
  3. 说明
  4. 修订历史记录
  5. 说明 (续)
  6. Pin Configuration and Functions
  7. Specifications
    1. 7.1  Absolute Maximum Ratings
    2. 7.2  ESD Ratings
    3. 7.3  Recommended Operating Conditions
    4. 7.4  Thermal Information
    5. 7.5  Supply Voltage
    6. 7.6  Supply Current
    7. 7.7  Power Supply Control
    8. 7.8  Low-Voltage General Purpose I/O (TSx)
    9. 7.9  High-Voltage General Purpose I/O (GPIO0, GPIO1)
    10. 7.10 AFE Power-On Reset
    11. 7.11 Internal 1.8-V LDO
    12. 7.12 Current Wake Comparator
    13. 7.13 Coulomb Counter
    14. 7.14 CC Digital Filter
    15. 7.15 ADC
    16. 7.16 ADC Digital Filter
    17. 7.17 ADC Multiplexer
    18. 7.18 Cell Balancing Support
    19. 7.19 Cell Detach Detection
    20. 7.20 Internal Temperature Sensor
    21. 7.21 NTC Thermistor Measurement Support (ADCx)
    22. 7.22 High-Frequency Oscillator
    23. 7.23 Low-Frequency Oscillator
    24. 7.24 Voltage Reference 1
    25. 7.25 Voltage Reference 2
    26. 7.26 Instruction Flash
    27. 7.27 Data Flash
    28. 7.28 Current Protection Thresholds
    29. 7.29 N-CH FET Drive (CHG, DSG)
    30. 7.30 FUSE Drive (AFEFUSE)
    31. 7.31 Battery Charger Voltage Regulation (VFB)
    32. 7.32 Battery Charger Current Sense (HSRP, HSRN)
    33. 7.33 Battery Charger Precharge Current Sense (HSRP, HSRN)
    34. 7.34 AC Adapter Fault Detect (HSRN, VCC)
    35. 7.35 Battery Charger Overcurrent Detection (V)HSRP, (V)HSRN
    36. 7.36 Battery Charger Undercurrent Detection (V)HSRP, (V)HSRN
    37. 7.37 System Operation Detection (V)HSRN
    38. 7.38 Battery Overvoltage Comparator (VFB)
    39. 7.39 Regulator (REGN)
    40. 7.40 PWM High-Side Driver (HiDRV)
    41. 7.41 PWM Low-Side Driver (LoDRV)
    42. 7.42 PWM Information
    43. 7.43 Charger Power-Up Sequence
    44. 7.44 Thermal Shutdown Comparator
    45. 7.45 SMBus High Voltage I/O
    46. 7.46 SMBus
    47. 7.47 SMBus XL
    48. 7.48 Timing Requirements
    49. 7.49 Typical Characteristics
  8. Detailed Description
    1. 8.1 Overview
    2. 8.2 Functional Block Diagram
    3. 8.3 Feature Description
      1. 8.3.1  Safety Features
      2. 8.3.2  Analog Front End (AFE) Details
        1. 8.3.2.1 Wake Up Comparator
        2. 8.3.2.2 Cell Balancing Support
        3. 8.3.2.3 FET Drive
        4. 8.3.2.4 Fuse Drive
      3. 8.3.3  Charge Controller Details
        1. 8.3.3.1 Precharge Modes
        2. 8.3.3.2 Zero-Volt Charge Support
        3. 8.3.3.3 Charge Termination
      4. 8.3.4  Fuel Gauge and Control Details
        1. 8.3.4.1 Battery Trip Point (BTP)
        2. 8.3.4.2 Lifetime Data Logging Features
      5. 8.3.5  Authentication
      6. 8.3.6  LED Display
      7. 8.3.7  Internal Temperature Sensor
      8. 8.3.8  External Temperature Sensor Support
      9. 8.3.9  High Frequency Oscillator
      10. 8.3.10 Communications
        1. 8.3.10.1 SMBus On and Off State
        2. 8.3.10.2 SBS Commands
  9. Application and Implementation
    1. 9.1 Application Information
    2. 9.2 Typical Applications
      1. 9.2.1 Design Requirements
      2. 9.2.2 Detailed Design Procedure
        1. 9.2.2.1 Inductor Selection
        2. 9.2.2.2 Input Capacitor
        3. 9.2.2.3 Output Capacitor
        4. 9.2.2.4 Power MOSFETs Selection
        5. 9.2.2.5 Input Filter Design
      3. 9.2.3 Application Curves
  10. 10Power Supply Recommendations
  11. 11Layout
    1. 11.1 Layout Guidelines
      1. 11.1.1 PCB Layout
    2. 11.2 Layout Example
  12. 12器件和文档支持
    1. 12.1 相关文档 
    2. 12.2 社区资源
    3. 12.3 商标
    4. 12.4 静电放电警告
    5. 12.5 Glossary
  13. 13机械、封装和可订购信息

封装选项

机械数据 (封装 | 引脚)
散热焊盘机械数据 (封装 | 引脚)
订购信息

Detailed Description

Overview

The bq40z60 is a fully integrated battery manager that employs flash-based firmware and integrated hardware protection to provide a complete solution for 2-series to 4-series cell battery stack architectures. The bq40z60 interfaces with a host system via an SBS v1.1-compliant SMBus interface, and processes instructions and data using a state-of-the-art, ultra-low-power TI bqBMP CPU. High-performance, integrated analog peripherals enable support for a sense resistor down to 5 mΩ, battery charge control, and simultaneous current/voltage data conversion for instant power calculations.

The bq40z60 controls the cell charging profile based on user-programmed data flash parameters for charging current and voltage based on temperature and cell voltage. The gas gauge provides the cell voltage and charging information to the battery charging through an internal communication bus. The charger function is controlled based on cell voltage measurements both on individual cell and total series stack readings.

The analog front end provides this voltage-based information to the charging circuit to set the profiles pre-programmed in the data flash settings, which are useful for zero voltage and PRECHARGE mode operation. The following sections detail all of the major component blocks in the bq40z60 device.

Functional Block Diagram

bq40z60 Block_Diagram_40z60.gif

Feature Description

The bq40z60 consists of an integrated analog front end, charge controller, and fuel gauge. The following sections provide an overview of the device features. For additional details, refer to the bq40z60 Technical Reference Manual (SLUUA04).

Safety Features

The bq40z60 provides support for primary safety, including:

  • Cell Over/Undervoltage Protection
  • Charge and Discharge Overcurrent
  • Short Circuit Protection
  • Charge and Discharge Overtemperature

The secondary safety features of the bq40z60 can be used to indicate more serious faults via the FUSE pin. This pin can be used to blow an in-line fuse to permanently disable the battery pack from charging or discharging. The secondary safety features provide protection against:

  • Safety Over/Undervoltage Permanent Failure
  • Safety Overtemperature Permanent Failure
  • Safety FET Overtemperature Permanent Failure
  • Qmax Imbalance Permanent Failure
  • Impedance Imbalance Permanent Failure
  • Capacity Degradation Permanent Failure
  • Cell Balancing Permanent Failure
  • Fuse Failure Permanent Failure
  • Voltage Imbalance at Rest Permanent Failure
  • Voltage Imbalance Active Permanent Failure
  • Charge/Discharge FET Permanent Failure
  • Second Level Protector Permanent Failure
  • Instruction Flash Checksum Permanent Failure
  • Open Cell Connection Permanent Failure
  • Data Flash Permanent Failure
  • Open Thermistor Permanent Failure

Analog Front End (AFE) Details

The analog front end (AFE) consists of circuits responsible for managing internal power and interfacing to outside components for measuring current, voltage, and temperature. The bq40z60 AFE includes an active-high interrupt output connected internally to the fuel gauge to notify it of important changes in some of the AFE registers.

The bq40z60 manages its supply voltage dynamically according to operating conditions. When VBAT > VSWITCHOVER– + VHYS, the AFE connects an internal switch to BAT and uses this pin to supply power to its internal 1.8-V LDO, which subsequently powers all device logic and flash operations. Once BAT decreases to VBAT < VSWITCHOVER–, the AFE disconnects its internal switch from BAT and connects another switch to VCC, allowing sourcing of power from a charger (if present). An external capacitor connected to PBI provides a momentary supply voltage to help guard against system brownouts due to transient short-circuit or overload events that pull VBAT below VSWITCHOVER–.

bq40z60 bq40z60_powerselect.gif Figure 2. Internal Power Source Selection

In the event of a power-cycle, the bq40z60 AFE will hold its internal RESET output pin high for tRST duration to allow its internal 1.8-V LDO and LFO to stabilize before running the analog gas gauge (AGG). The AFE enters power-on reset when the voltage at VREG falls below VREGIT–, and exits reset when VREG rises above VREGIT– + VHYS for tRST time. After tRST, the bq40z60 AGG writes its trim values to the AFE.

bq40z60 AFEPowerOnReset.gif Figure 3. Power-On Reset Operation

The bq40z60 AFE includes a low frequency oscillator (LFO) running at 262.144 kHz. The AFE monitors the LFO frequency and indicates a failure via LATCH_STATUS[LFO] if the output frequency is much lower than normal.

The bq40z60 AFE provides two internal voltage references: VREF1, used by the ADC and CC, and VREF2 used by the LDO, LFO, current wake comparator, and over- and short-current protection circuitry.

Wake Up Comparator

The internal wake comparator can be used to wake the bq40z60 from a HALT state if a configurable threshold is detected across SRP and SRN.

Cell Balancing Support

The integrated cell balancing FETs included in the bq40z60 device allow the AFE to bypass cell current around a given cell or numerous cells to effectively balance the entire battery stack. External series resistors placed between the cell connections and the VCx input pins set the balancing current magnitude. The cell balancing circuitry can be enabled or disabled via the CELL_BAL_DET[CB3, CB2, CB1] control register. Series input resistors between 100 Ω and 1 kΩ are recommended for effective cell balancing.

bq40z60 bq40z60_cellbalance.gif Figure 4. Cell Balancing Configuration

FET Drive

The bq40z60 controls two external N-CH MOSFETs in a back-to-back configuration for battery protection. The charge (CHG) and discharge (DSG) FETs are automatically disabled if a safety fault is detected and can also be manually turned off using AFE_CONTROL[CHGEN, DSGEN] = 0, 0. When the gate drive is disabled, an internal circuit discharges CHG to BAT and DSG to HSRN.

The AC FET (N-CH MOSFET) controls power input from the AC adaptor to the battery charging system by monitoring the voltage at the VCC pin, and turning ON the ACFET if the voltage exceeds the VHSRN voltage. The following register command sets the AC FET gate drive output control, AFE_STATUS register (0x01) ACFET (Pin 2): Setting this pin to 1 allows the AC FET gate drive to be on if other conditions are satisfied.

Fuse Drive

The bq40z60 AFE has the ability to blow an external fuse in the event of a permanent failure. The fuse drive itself is supplied from the BAT input pin and its state can be monitored using the AFE_STATUS[FUSE_RAW] register. If AFE_STATUS[FUSE_RAW} = 1 for tDELAY duration, then LATCH_STATUS[FUSE] is set to 1, and after an additional 500 ms, the CHG and DSG FET drive outputs will be disabled if LATCH_STATUS[FUSE] has not been cleared by then. If the AFEFUSE output is not used, it should be connected to VSS. When AFEFUSE is in the low state, it uses an internal weak pullup to enable detection of disconnection between the AFEFUSE pin and the fuse drive circuitry.

Charge Controller Details

The charge controller, under control from the fuel gauge's processor, provides autonomous control over the charging of the battery pack. The controller uses a 1-MHz buck architecture using external FETs driven by internal gate drivers. The charge voltage and current can be adjusted via data flash values to account for the temperature and voltage of the battery cells, allowing for a JEITA type charge profile. The voltage and current may also be directly written to the charge controller from an external host, allowing for a user-defined charging profile. The charger runs in Narrow Voltage DC, that is, the output voltage of the charger will only exceed the battery voltage by a small amount; by contrast, a charger that does not run in Narrow Voltage DC mode will output the adapter voltage to the system.

The charger is designed to enable the system to continue to run while the battery is charged. If the system requires more current than the charger is able to provide, the battery supplements the current to the system. The charger can support an external precharge FET, allowing the VSYS to remain above a minimum voltage needed for the system to operate.

The charger supports precharge, constant current/constant voltage, and termination, as shown below. The voltage and current thresholds for precharge and termination are controlled by data flash values. Refer to the bq40z60 Technical Reference Manual (SLUUA04) for more information.

bq40z60 charge_normal.gif Figure 5. Normal Charge Profile

The charger maintains a cycle-by-cycle current limit by sensing across a resistor in series with the inductor (shown in Figure 6 as RCHG). In precharge and constant voltage, the DC current is regulated by sensing the current across the sense resistor at the bottom on of the cell stack. When the charger is enabled, the initial current is set for either the Precharge or Constant Current/Constant Voltage (CC/CV) value, based on the minimum cell voltage. Once the charger enters CONSTANT CURRENT mode, the temperature and maximum cell voltage-adjusted–charging current is set, and the voltage output of the charger is automatically regulated to maintain the current across RCHG. Once the temperature-adjusted voltage is reached by the charger output, the current starts to taper.

Throughout the charge cycle, the current available from the charger is limited by the ChargingCurrent() value. The system draws more current, however, with the battery supplementing the difference. Once battery charging is terminated, the charger is capable of supplying all of the current defined by the Advanced Charge Algorithm:Maximum Current Register value. Refer to the bq40z60 Technical Reference Manual (SLUUA04) for more information.

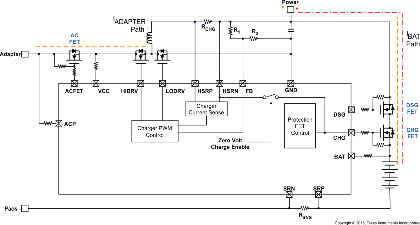
Figure 6 shows the system power path with the adaptor current and battery current overlaid. Further information is available in Application and Implementation.

bq40z60 bq40z60_powerpath.gif Figure 6. Power Path Overview

Precharge Modes

The charge controller is designed to allow for both internal precharge control and external precharge control. The device can operate in precharge with external FETs and a current limiting resistor. Refer to the bq40z60 Technical Reference Manual (SLUUA04) for more information.

Zero-Volt Charge Support

This mode of operation is similar to PRECHARGE mode switched charging, but with the charge FET operation in the saturation region. The NVDC out is connected to the CHG gate drive output internally to allow for precharge current from the charger through the CHG FET. This current is limited based on the value of the external Rsense (10-mΩ resistor the lowest precharge current = 200 mA). This will increase the power dissipation of the charge FET and will require thermal heat management and protection to ensure correct operation.

Charge Termination

Once the highest cell voltage reaches the value specified in the data flash, the charger output voltage will no longer increase and the current will start to taper. Once the highest cell voltage is within the Charge Term Voltage window and the measured current is below Charge Term Taper Current for 40 s or more, the charger will terminate by disabling the CHG FET and setting the appropriate flags. Refer to the bq40z60 Technical Reference Manual (SLUUA04) for more information.

The system can still provide load current from the battery pack if the adaptor current cannot support the system load. The diode of the CHG FET starts to conduct as the system voltage decreases to a point where the pack voltage is greater than the system regulation voltage – Vdiode. If the average discharge current is high, the system can turn ON the CHG FET for improved efficiency and minimized line losses during the discharge phase.

Fuel Gauge and Control Details

The bq40z60 uses the Impedance Track™ algorithm to measure and calculate the available capacity in battery cells. The bq40z60 accumulates a measure of charge and discharge currents and compensates the charge current measurement for the temperature and state-of-charge of the battery. The bq40z60 estimates self-discharge of the battery and also adjusts the self-discharge estimation based on temperature. The device also has TURBO BOOST mode support, which enables the bq40z60 to provide the necessary data for the MCU to determine what level of peak power consumption can be applied without causing a system reset or a transient battery voltage level spike to trigger termination flags. See the bq40z60 Technical Reference Manual (SLUUA04) for further details.

Battery Trip Point (BTP)

Required for WIN8 OS, the Battery Trip Point (BTP) feature indicates when the RSOC of a battery pack has depleted to a certain value set in a DF register. This feature allows a host to program two capacity-based thresholds that govern triggering a BTP interrupt on the BTP_INT pin, and setting or clearing the OperationStatus[BTP_INT] on the basis of RemainingCapacity().

An internal weak pullup is applied when the BTP feature is active. Depending on the system design, an external pullup may be required to put on the BTP_INT pin. See High-Voltage General Purpose I/O (GPIO0, GPIO1) for details.

Lifetime Data Logging Features

The bq40z60 offers lifetime data logging for several critical battery parameters. The following parameters are updated every 10 hours if a difference is detected between values in RAM and data flash:

  • Maximum and Minimum Cell Voltages
  • Maximum Delta Cell Voltage
  • Maximum Charge Current
  • Maximum Discharge Current
  • Maximum Average Discharge Current
  • Maximum Average Discharge Power
  • Maximum and Minimum Cell Temperature
  • Maximum Delta Cell Temperature
  • Maximum and Minimum Internal Sensor Temperature
  • Maximum FET Temperature
  • Number of Safety Events Occurrences and the Last Cycle of the Occurrence
  • Number of Valid Charge Termination and the Last Cycle of the Valid Charge Termination
  • Number of Qmax and Ra Updates and the Last Cycle of the Qmax and Ra Updates
  • Number of Shutdown Events
  • Cell Balancing Time for Each Cell
  • (This data is updated every 2 hours if a difference is detected.)

  • Total FW Runtime and Time Spent in Each Temperature Range
  • (This data is updated every 2 hours if a difference is detected.)

Authentication

The bq40z60 supports authentication by the host using SHA-1. More information about the algorithm can be found in the bq40z60 Technical Reference Manual (SLUUA04).

LED Display

The bq40z60 can drive a 4-segment LED display for remaining capacity indication and/or a permanent fail (PF) error code indication.

Internal Temperature Sensor

An internal temperature sensor is available on the bq40z60 to reduce the cost, power, and size of the external components necessary to measure temperature. It is available for connection to the ADC using the multiplexer, and is ideal for determining pack temperature during storage and IC temperature during normal operation.

External Temperature Sensor Support

Each of the TSx input pins can be enabled with an 18-kΩ (Typ.) linearization pullup resistor to support using a 10 kΩ (25°C) NTC external thermistor, such as the Semitec 103AT–2. One or more thermistors can be connected between VSS and the individual RCx pin. The analog measurement is then taken via the ADC through its input multiplexer. If a different thermistor type is required, then changes to the external support components may be required.

bq40z60 bq40z60_thermistor.png Figure 7. Thermistor Pin Configuration

High Frequency Oscillator

The bq40z60 includes a high frequency oscillator (HFO) running at 16.78 MHz. It is synthesized from the LFO output and scaled down to 8.388 MHz with 50% duty cycle. There is no need for external oscillator components.

Communications

The bq40z60 uses SMBus v1.1 with MASTER mode and packet error checking (PEC) options per the SBS specification.

SMBus On and Off State

The bq40z60 detects an SMBus off state when SMBC and SMBD are low for two or more seconds. Clearing this state requires that either SMBC or SMBD transition high. The communication bus will resume activity within 1 ms.

SBS Commands

The ManufacturerAccess() Command List shows the supported Manufacturer Access and SBS commands. See the bq40z60 Technical Reference Manual (SLUUA04) for further details.

Table 1. ManufacturerAccess() Command List

FUNCTION MANUFACTURER ACCESS
COMMAND
SBS
COMMAND
ACCESS FORMAT DATA READ ON 0x44 OR 0x23 AVAILABLE IN SEALED MODE
DeviceType 0x0001 R Block Yes Yes
FirmwareVersion 0x0002 R Block Yes Yes
HardwareVersion 0x0003 R Block Yes Yes
IFChecksum 0x0004 R Block Yes Yes
StaticDFSignature 0x0005 R Block Yes Yes
ChemID 0x0006 R Block Yes Yes
StaticChemDFSignature 0x0008 R Block Yes Yes
AllDFSignature 0x0009 R Block Yes Yes
ShutdownMode 0x0010 W Yes
SleepMode 0x0011 W
AutoCCOfset 0x0013 W
FuseToggle 0x001D W
PrechargeFET 0x001E W
ChargeFET 0x001F W
DischargeFET 0x0020 W
Gauging 0x0021 W
FETControl 0x0022 W
LifetimeDataCollection 0x0023 W
PermanentFailure 0x0024 W
BlackBoxRecorder 0x0025 W
Fuse 0x0026 W
LifetimeDataReset 0x0028 W
PermanentFailureData
Reset
0x0029 W
LifetimeDataFlush 0x002E W
LifetimeDataSpeedUp
Mode
0x002F W
BlackBoxRecorderReset 0x002A W
CalibrationMode 0x002D W
SealDevice 0x0030 W
SecurityKeys 0x0035 R/W Block Yes
AuthenticationKey 0x0037 R/W Block
DeviceReset 0x0041 W
SafetyAlert 0x0050 0x50 R Block Yes Yes
SafetyStatus 0x0051 0x51 R Block Yes Yes
PFAlert 0x0052 0x52 R Block Yes Yes
PFStatus 0x0053 0x53 R Block Yes Yes
OperationStatus 0x0054 0x54 R Block Yes Yes
ChargingStatus 0x0055 0x55 R Block Yes Yes
GaugingStatus 0x0056 0x56 R Block Yes Yes
ManufacturingStatus 0x0057 0x57 R Block Yes Yes
AFERegister 0x0058 0x58 R Block Yes Yes
LifetimeDataBlock1 0x0060 0x60 R Block Yes Yes
LifetimeDataBlock2 0x0061 0x61 R Block Yes Yes
LifetimeDataBlock3 0x0062 0x62 R Block Yes Yes
ManufacturerInfo 0x0070 0x70 R Block Yes Yes
DAStatus1 0x0071 0x71 R Block Yes Yes
DAStatus2 0x0072 0x72 R Block Yes Yes
GaugeStatus1 0x0073 0x73 R Block Yes Yes
GaugeStatus2 0x0074 0x74 R Block Yes Yes
GaugeStatus3 0x0075 0x75 R Block Yes Yes
StateofHealth 0x0077 R Block Yes Yes
CHGR_EN 0x00C0 W No
CVRD_ARM 0x00C1 W Yes
ACFETEST 0x00C2 W No
CHGONTEST 0x00C3 W No
ROMMode 0x0F00 W
ExitCalibrationOutput 0xF080 R/W Block Yes
OutputCCandADCfor
Calibration
0xF081 R/W Block Yes
OutputShortedCCand
ADCforCalibration
0xF082 R/W Block Yes