ZHCSDZ9 July 2015
PRODUCTION DATA.
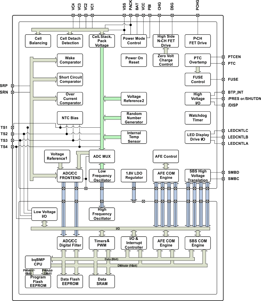
The bq40z50-R1 device, incorporating patented Impedance Track™ technology, provides cell balancing while charging or at rest. This fully integrated, single-chip, pack-based solution provides a rich array of features for gas gauging, protection, and authentication for 1-series, 2-series, 3-series, and 4-series cell Li-Ion and Li-Polymer battery packs, including a diagnostic lifetime data monitor and black box recorder.

The bq40z50-R1 supports a wide range of battery and system protection features that can easily be configured. See the bq40z50-R1 Technical Reference Manual (SLUUBC1) for detailed descriptions of each protection function.
The primary safety features include:
The secondary safety features of the bq40z50-R1 can be used to indicate more serious faults via the FUSE pin. This pin can be used to blow an in-line fuse to permanently disable the battery pack from charging or discharging. See the bq40z50-R1 Technical Reference Manual (SLUUBC1) for detailed descriptions of each protection function.
The secondary safety features provide protection against:
The bq40z50-R1 charge control features include:
The bq40z50-R1 uses the Impedance Track algorithm to measure and calculate the available capacity in battery cells. The bq40z50-R1 accumulates a measure of charge and discharge currents and compensates the charge current measurement for the temperature and state-of-charge of the battery. The bq40z50-R1 estimates self-discharge of the battery and also adjusts the self-discharge estimation based on temperature. The device also has TURBO BOOST mode support, which enables the bq40z50-R1 to provide the necessary data for the MCU to determine what level of peak power consumption can be applied without causing a system reset or transient battery voltage level spike to trigger termination flags. See the bq40z50-R1 Technical Reference Manual (SLUUBC1) for further details.
The bq40z50-R1 fully integrates the system oscillators and does not require any external components to support this feature.
The bq40z50-R1 checks the PRES pin periodically (1 s). If PRES input is pulled to ground by the external system, the bq40z50-R1 detects this as system present.
For battery maintenance, the emergency shutdown feature enables a push button action connecting the SHUTDN pin to shutdown an embedded battery pack system before removing the battery. A high-to-low transition of the SHUTDN pin signals the bq40z50-R1 to turn off both CHG and DSG FETs, disconnecting the power from the system to safely remove the battery pack. The CHG and DSG FETs can be turned on again by another high-to-low transition detected by the SHUTDN pin or when a data flash configurable timeout is reached.
In a 1-series cell configuration, VC4 is shorted to VC, VC2 and VC1. In a 2-series cell configuration, VC4 is shorted to VC3 and VC2. In a 3-series cell configuration, VC4 is shorted to VC3.
The device supports cell balancing by bypassing the current of each cell during charging or at rest. If the device's internal bypass is used, up to 10 mA can be bypassed and multiple cells can be bypassed at the same time. Higher cell balance current can be achieved by using an external cell balancing circuit. In external cell balancing mode, only one cell at a time can be balanced.
The cell balancing algorithm determines the amount of charge needed to be bypassed to balance the capacity of all cells.
The bq40z50-R1 uses an integrating delta-sigma analog-to-digital converter (ADC) for current measurement, and a second delta-sigma ADC for individual cell and battery voltage and temperature measurement.
The integrating delta-sigma ADC measures the charge/discharge flow of the battery by measuring the voltage drop across a small-value sense resistor between the SRP and SRN terminals. The integrating ADC measures bipolar signals from –0.1 V to 0.1 V. The bq40z50-R1 detects charge activity when VSR = V(SRP) – V(SRN) is positive, and discharge activity when VSR = V(SRP) – V(SRN) is negative. The bq40z50-R1 continuously integrates the signal over time, using an internal counter. The fundamental rate of the counter is 0.26 nVh.
Required for WIN8 OS, the battery trip point (BTP) feature indicates when the RSOC of a battery pack has depleted to a certain value set in a DF register. This feature allows a host to program two capacity-based thresholds that govern the triggering of a BTP interrupt on the BTP_INT pin and the setting or clearing of the OperationStatus[BTP_INT] on the basis of RemainingCapacity().
An internal weak pull-up is applied when the BTP feature is active. Depending on the system design, an external pull-up may be required to put on the BTP_INT pin. See Electrical Characteristics: PRES, BTP_INT, DISP for details.
The bq40z50-R1 offers lifetime data logging for several critical battery parameters. The following parameters are updated every 10 hours if a difference is detected between values in RAM and data flash:
(This data is updated every 2 hours if a difference is detected.)
(This data is updated every 2 hours if a difference is detected.)
The bq40z50-R1 supports authentication by the host using SHA-1.
The bq40z50-R1 can drive a 3-, 4-, or 5- segment LED display for remaining capacity indication and/or a permanent fail (PF) error code indication.
The bq40z50-R1 updates the individual series cell voltages at 0.25-second intervals. The internal ADC of the bq40z50-R1 measures the voltage, and scales and calibrates it appropriately. This data is also used to calculate the impedance of the cell for the Impedance Track gas gauging.
The bq40z50-R1 uses the SRP and SRN inputs to measure and calculate the battery charge and discharge current using a 1-mΩ to 3-mΩ typ. sense resistor.
The bq40z50-R1 has an internal temperature sensor and inputs for four external temperature sensors. All five temperature sensor options can be individually enabled and configured for cell or FET temperature usage. Two configurable thermistor models are provided to allow the monitoring of cell temperature in addition to FET temperature, which use a different thermistor profile.
The bq40z50-R1 uses SMBus v1.1 with MASTER mode and packet error checking (PEC) options per the SBS specification.
The bq40z50-R1 detects an SMBus off state when SMBC and SMBD are low for two or more seconds. Clearing this state requires that either SMBC or SMBD transition high. The communication bus will resume activity within 1 ms.
See the bq40z50-R1 Technical Reference Manual (SLUUBC1) for further details.
The bq40z50-R1 supports three power modes to reduce power consumption: