ZHCSG50B March 2016 – March 2017
PRODUCTION DATA.
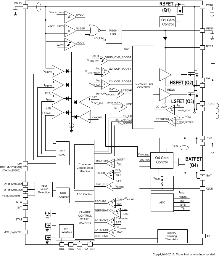
The device is a highly integrated 4-A switch-mode battery charger for single cell Li-Ion and Li-polymer battery. It is highly integrated with the input reverse-blocking FET (RBFET, Q1), high-side switching FET (HSFET, Q2) , low-side switching FET (LSFET, Q3), and battery FET (BATFET, Q4). The device also integrates the boostrap diode for the high-side gate drive.
The internal bias circuits are powered from the higher voltage of VBUS and BAT. When VBUS rises above VVBUS_UVLOZ or BAT rises above VBAT_UVLOZ , the sleep comparator, battery depletion comparator and BATFET driver are active. I2C interface is ready for communication and all the registers are reset to default value. The host can access all the registers after POR.
If only battery is present and the voltage is above depletion threshold (VBAT_DPLZ), the BATFET turns on and connects battery to system. The REGN LDO stays off to minimize the quiescent current. The low RDS(ON) of BATFET and the low quiescent current on BAT minimize the conduction loss and maximize the battery run time. The device always monitors the discharge current through BATFET (see Supplement Mode). When the system is overloaded or shorted (IBAT > IBATFET_OCP), the device turns off BATFET immediately and sets BATFET_DIS bit to indicate BATFET is disabled until the input source plugs in again or one of the methods describe in BATFET Enable (Exit Shipping Mode) is applied to re-enable BATFET.
When an input source is plugged in, the device checks the input source voltage to turn on REGN LDO and all the bias circuits. It detects and sets the input current limit before the buck converter is started when AUTO_DPDM_EN bit is set. The power up sequence from input source is as listed:
The REGN LDO supplies internal bias circuits as well as the HSFET and LSFET gate drive. The LDO also provides bias rail to TS external resistors. The pull-up rail of STAT and PG can be connected to REGN as well. The REGN is enabled when all the below conditions are valid.
If one of the above conditions is not valid, the device is in high impedance mode (HIZ) with REGN LDO off. The device draws less than IVBUS_HIZ from VBUS during HIZ state. The battery powers up the system when the device is in HIZ.
After REGN LDO powers up, the device checks the current capability of the input source. The input source has to meet the following requirements in order to start the buck converter.
Once the input source passes all the conditions above, the status register bit VBUS_GD is set high and the INT pin is pulsed to signal to the host. If the device fails the poor source detection, it repeats poor source qualification every 2 seconds.
After the VBUS_GD bit is set and REGN LDO is powered, the charger device runs Input Source Type Detection when AUTO_DPDM_EN bit is set.
The bq25898D follows the USB Battery Charging Specification 1.2 (BC1.2) and to detect input source (SDP/CDP/DCP) and non-standard adapter through USB D+/D- lines. In addition, when USB DCP is detected, it initiates adjustable high voltage adapter handshake on D+/D-. The device supports MaxCharge™ handshake when MAXC_EN or HVDCP_EN is set. The bq25898 sets input current limit through PSEL and OTG pins.
After input source type detection, an INT pulse is asserted to the host. In addition, the following registers and pin are changed:
The host can over-write IINLIM register to change the input current limit if needed. The charger input current is always limited by the lower of IINLIM register or ILIM pin at all-time regardless of Input Current Optimizer (ICO) is enable or disabled.
When AUTO_DPDM_EN is disabled, the Input Source Type Detection is bypassed. The Input Current Limit (IINLIM) register, VBUS_STAT, and SPD_STAT bits are unchanged from previous values.
The bq25898D contains a D+/D– based input source detection to set the input current limit automatically. The D+/D- detection includes standard USB BC1.2, non-standard adapter, and adjustable high voltage adapter detections. When input source is plugged-in, the device starts standard USB BC1.2 detections. The USB BC1.2 is capable to identify Standard Downstream Port (SDP), Charging Downstream Port (CDP), and Dedicated Charging Port (DCP). When the Data Contact Detection (DCD) timer of 500ms is expired, the non-standard adapter detection is applied to set the input current limit.
When DCP is detected, the device initates adjustable high voltage adapter handshake including MaxCharge™, etc. The handshake connects combinations of voltage source(s) and/or current sink on D+/D- to signal input source to raise output voltage from 5 V to 9 V / 12 V. The adjustable high voltage adapter handshake can be disabled by clearing MAXC_EN and/or HVDCP_EN bits .
Figure 11. USB D+/D- Detection
| NON-STANDARD ADAPTER | D+ THRESHOLD | D- THRESHOLD | INPUT CURRENT LIMIT |
|---|---|---|---|
| Divider 1 | VD+ within V2P7_VTH | VD- within V2P0_VTH | 2.1A |
| Divider 2 | VD+ within V1P2_VTH | VD- within V1P2_VTH | 2A |
| Divider 3 | VD+ within V2P0_VTH | VD- within V2P7_VTH | 1A |
| Divider 4 | VD+ within V2P7_VTH | VD- within V2P7_VTH | 2.4A |
| ADJUSTABLE HIGH VOLTAGE HANDSHAKE | D+ | D- | OUTPUT |
|---|---|---|---|
| MaxCharge (12V) | I1P6MA_ISINK | V3p45_VSRC | 12 V |
| MaxCharge (9V) | V3p45_VSRC | I1P6MA_ISINK | 9 V |
After the Input Source Type Detection is done, an INT pulse is asserted to the host. In addition, the following registers including Input Current Limit register (IINLIM), VBUS_STAT, and SDP_STAT are updated as below:
The bq25898 has PSEL interface for input current limit setting to interface with USB PHY. It directly takes the USB PHY device output to decide whether the input is USB host or charging port. To implement USB100 in the system, the host can enter HiZ mode by setting EN_HIZ bit after 2 min charging with 500 mA input current limit.
| INPUT DETECTION | BAT VOLTAGE | PSEL PIN | INPUT CURRENT LIMIT (IINLIM) | SDP_STAT | VBUS_STAT |
|---|---|---|---|---|---|
| USB SDP (USB500) | X | High | 500 mA | 1 | 001 |
| Adapter | X | Low | 3.25 A | 1 | 010 |
In host mode, the host can force the device to run by setting FORCE_DPDM bit. After the detection is completed, FORCE_DPDM bit returns to 0 by itself and Input Result is updated.
The device supports wide range of input voltage limit (3.9 V – 14 V) for high voltage charging and provides two methods to set Input Voltage Limit (VINDPM) threshold to facilitate autonomous detection.
By setting FORCE_VINDPM bit to 1, the VINDPM threshold setting algorithm is disabled. Register VINDPM is writable and allows host to set the absolute threshold of VINDPM function.
When FORCE_VINDPM bit is 0 (default), the VINDPM threshold setting algorithm is enabled. The VINDPM register is read only and the charger controls the register by using VINDPM Threshold setting algorithm. The algorithm allows a wide range of adapter (VVBUS_OP) to be used with flexible VINDPM threshold.
After Input Voltage Limit Threshold is set, an INT pulse is generated to signal to the host.
After the input current limit is set, the converter is enabled and the HSFET and LSFET start switching. If battery charging is disabled, BATFET turns off. Otherwise, BATFET stays on to charge the battery.
The device provides soft-start when system rail is ramped up. When the system rail is below 2.2 V, the input current limit is forced to the lower of 200 mA or IINLIM register setting. After the system rises above 2.2 V, the device limits input current to the lower value of ILIM pin and IILIM register (ICO_EN = 0) or IDPM_LIM register (ICO_EN = 1).
As a battery charger, the device deploys a highly efficient 1.5 MHz step-down switching regulator. The fixed frequency oscillator keeps tight control of the switching frequency under all conditions of input voltage, battery voltage, charge current and temperature, simplifying output filter design.
A type III compensation network allows using ceramic capacitors at the output of the converter. An internal saw-tooth ramp is compared to the internal error control signal to vary the duty cycle of the converter. The ramp height is proportional to the PMID voltage to cancel out any loop gain variation due to a change in input voltage.
In order to improve light-load efficiency, the device switches to PFM control at light load when battery is below minimum system voltage setting or charging is disabled. During the PFM operation, the switching duty cycle is set by the ratio of SYS and VBUS.
The device provides innovative Input Current Optimizer (ICO) to identify maximum power point without overload the input source. The algorithm automatically identify maximum input current limit of power source without entering VINDPM to avoid input source overload.
This feature is enabled by default (ICO_EN=1) and can be disabled by setting ICO_EN bit to 0. After DCP or MaxCharge type input source is detected based on the procedures previously described (Input Source Type Detection). The algorithm runs automatically when ICO_EN bit is set. The algorithm can also be forced to execute by setting FORCE_ICO bit regardless of input source type detected.
The actual input current limit used by the Dynamic Power Management is reported in IDPM_LIM register while Input Current Optimizer is enabled (ICO_EN = 1) or set by IINLIM register when the algorithm is disabled (ICO_EN = 0). In addition, the current limit is clamped by ILIM pin unless EN_ILIM bit is 0 to disable ILIM pin function.
The device supports boost converter operation to deliver power from the battery to other portable devices through USB port. The boost mode output current rating meets the USB On-The-Go 500 mA (BOOST_LIM bits = 000) output requirement. The maximum output current is up to 2.4 A. The boost operation can be enabled if the conditions are valid:
In boost mode, the device employs a 500 KHz or 1.5 MHz (selectable using BOOST_FREQ bit) step-up switching regulator based on system requirements. To avoid frequency change during boost mode operations, write to boost frequency configuration bit (BOOST_FREQ) is ignored when OTG_CONFIG is set.
During boost mode, the status register VBUS_STAT bits is set to 111, the VBUS output is 5V by default (selectable via BOOSTV register bits) and the output current can reach up to 2.4 A, selected via I2C (BOOST_LIM bits). The boost output is maintained when BAT is above VOTG_BAT threshold.
The device accommodates a wide range of input sources from USB, wall adapter, to car battery. The device provides automatic power path selection to supply the system (SYS) from input source (VBUS), battery (BAT), or both.
The device deploys Narrow VDC architecture (NVDC) with BATFET separating system from battery. The minimum system voltage is set by SYS_MIN bits. Even with a fully depleted battery, the system is regulated above the minimum system voltage (default 3.5 V).
When the battery is below minimum system voltage setting, the BATFET operates in linear mode (LDO mode), and the system is regulated above the minimum system voltage setting. As the battery voltage rises above the minimum system voltage, BATFET is fully on and the voltage difference between the system and battery is the VDS of BATFET. The status register VSYS_STAT bit goes high when the system is in minimum system voltage regulation.
Figure 12. V(SYS) vs V(BAT)
To meet maximum current limit in USB spec and avoid over loading the adapter, the device features Dynamic Power Management (DPM), which continuously monitors the input current and input voltage. When input source is over-loaded, either the current exceeds the input current limit (IINLIM or IDPM_LIM) or the voltage falls below the input voltage limit (VINDPM). The device then reduces the charge current until the input current falls below the input current limit and the input voltage rises above the input voltage limit.
When the charge current is reduced to zero, but the input source is still overloaded, the system voltage starts to drop. Once the system voltage falls below the battery voltage, the device automatically enters the Supplement Mode where the BATFET turns on and battery starts discharging so that the system is supported from both the input source and battery.
During DPM mode, the status register bits VDPM_STAT (VINDPM) and/or IDPM_STAT (IINDPM) is/are set high. Figure 13 shows the DPM response with 9V/1.2A adapter, 3.2-V battery, 2.8-A charge current and 3.4-V minimum system voltage setting.
Figure 13. DPM Response
When the system voltage falls below the battery voltage, the BATFET turns on and the BATFET gate is regulated the gate drive of BATFET so that the minimum BATFET VDS stays at 30 mV when the current is low. This prevents oscillation from entering and exiting the Supplement Mode. As the discharge current increases, the BATFET gate is regulated with a higher voltage to reduce RDS(ON) until the BATFET is in full conduction. At this point onwards, the BATFET VDS linearly increases with discharge current. Figure 14 shows the V-I curve of the BATFET gate regulation operation. BATFET turns off to exit Supplement Mode when the battery is below battery depletion threshold.
Figure 14. BATFET V-I Curve
The device charges 1-cell Li-Ion battery with up to 4-A charge current for high capacity battery. The 5-mΩ BATFET improves charging efficiency and minimize the voltage drop during discharging.
With battery charging enabled (CHG_CONFIG bit = 1 and CE pin is low), the device autonomously completes a charging cycle without host involvement. The device default charging parameters are listed in Table 5. The host can always control the charging operations and optimize the charging parameters by writing to the corresponding registers through I2C.
| DEFAULT MODE | bq25898D | bq25898 |
|---|---|---|
| Charging Voltage | 4.208 V | 4.208 V |
| Charging Current | 2.048 A | 2.048 A |
| Pre-charge Current | 128 mA | 128 mA |
| Termination Current | 256 mA | 256 mA |
| Temperature Profile | JEITA | JEITA |
| Safety Timer | 12 hour | 12 hour |
A new charge cycle starts when the following conditions are valid:
The charger device automatically terminates the charging cycle when the charging current is below termination threshold, charge voltage is above recharge threshold, and device not in DPM mode or thermal regulation. When a full battery voltage is discharged below recharge threshold (threshold selectable via VRECHG bit), the device automatically starts a new charging cycle. After the charge is done, either toggle CE pin or CHG_CONFIG bit can initiate a new charging cycle.
The STAT output indicates the charging status of charging (LOW), charging complete or charge disable (HIGH) or charging fault (Blinking). The STAT output can be disabled by setting STAT_DIS bit. In addition, the status register (CHRG_STAT) indicates the different charging phases: 00-charging disable, 01-precharge, 10-fast charge (constant current) and constant voltage mode, 11-charging done. Once a charging cycle is completed, an INT is asserted to notify the host.
The device charges the battery in three phases: preconditioning, constant current and constant voltage. At the beginning of a charging cycle, the device checks the battery voltage and regulates current / voltage.
| VBAT | CHARGING CURRENT | REG DEFAULT SETTING | CHRG_STAT |
|---|---|---|---|
| < 2 V | IBATSHORT | – | 01 |
| 2 V – 3 V | IPRECHG | 0 mA (precharge disabled) | 01 |
| > 3 V | ICHG | 2048 mA | 10 |
If the charger device is in DPM regulation or thermal regulation during charging, the charging current can be less than the programmed value. In this case, termination is temporarily disabled and the charging safety timer is counted at half the clock rate.
Figure 15. Battery Charging Profile
The device terminates a charge cycle when the battery voltage is above recharge threshold, and the current is below termination current. After the charging cycle is completed, the BATFET turns off. The converter keeps running to power the system, and BATFET can turn on again to engage Supplement Mode.
When termination occurs, the status register CHRG_STAT is set to 11, and an INT pulse is asserted to the host. Termination is temporarily disabled when the charger device is in input current, voltage or thermal regulation. Termination can be disabled by writing 0 to EN_TERM bit prior to charge termination.
For high current charging system, resistance between charger output and battery cell terminal such as board routing, connector, MOSFETs and sense resistor can force the charging process to move from constant current to constant voltage too early and increase charge time. To speed up the charging cycle, the device provides resistance compensation (IRCOMP) feature which can extend the constant current charge time to delivery maximum power to battery.
The device allows the host to compensate for the resistance by increasing the voltage regulation set point based on actual charge current and the resistance as shown below. For safe operation, the host should set the maximum allowed regulation voltage register (VCLAMP) and the minimum resistance compensation (BATCOMP).
To improve the safety of charging Li-ion batteries, JEITA guideline was released on April 20, 2007. The guideline emphasized the importance of avoiding a high charge current and high charge voltage at certain low and high temperature ranges.
The device continuously monitors battery temperature by measuring the voltage between the TS pins and ground, typically determined by a negative temperature coefficient thermistor (NTC) and an external voltage divider. The device compares this voltage against its internal thresholds to determine if charging is allowed. To initiate a charge cycle, the voltage on TS pin must be within the VT1 to VT5 thresholds. If TS voltage exceeds the T1–T5 range, the controller suspends charging and waits until the battery temperature is within the T1 to T5 range. At cool temperature (T1–T2), JEITA recommends the charge current to be reduced to at least half of the charge current or lower. At warm temperature (T3–T5), JEITA recommends charge voltage below nominal charge voltage.
The device provides flexible voltage/current settings beyond the JEITA requirement. The voltage setting at warm temperature (T3–T5) can be 200 mV below charge voltage (JEITA_VSET=0). The current setting at cool temperature (T1–T2) can be further reduced to 20% or 50% of fast charge current (JEITA_ISET bit).
Figure 16. TS Resistor Network
Figure 17. Charging Values
Assuming a 103AT NTC thermistor on the battery pack as shown in Figure 16, the value RT1 and RT2 can be determined by using Equation 2:

Select 0°C to 60°C range for Li-ion or Li-polymer battery,
RTHT1 = 27.28 kΩ
RTHT5 = 3.02 kΩ
RT1 = 5.24 kΩ
RT2 = 30.31 kΩ
During JEITA cool, the bq25898x terminates when the charge current has reached 20% or 50% of termination current setting, depending on the JT_IREDUCE bit. During JEITA warm, the bq25898x terminates when the charge current reaches the termination current setting.
For battery protection during boost mode, the device monitors the battery temperature to be within the VBCOLD1 to VBHOT2 thresholds unless boost mode temperature is disabled by setting BHOT bits to 11. When temperature is outside of the temperature thresholds, the boost mode is suspended. Once temperature is within thresholds, the boost mode is recovered.
Figure 18. TS Pin Thermistor Sense Thresholds in Boost Mode
The device has built-in safety timer to prevent extended charging cycle due to abnormal battery conditions. The safety timer is 4 hours when the battery is below VBATLOWV threshold. The user can program fast charge safety timer through I2C (CHG_TIMER bits). When safety timer expires, the fault register CHRG_FAULT bits are set to 11 and an INT is asserted to the host. The safety timer feature can be disabled via I2C by setting EN_TIMER bit.
During input voltage, current or thermal regulation, the safety timer counts at half clock rate as the actual charge current is likely to be below the register setting. For example, if the charger is in input current regulation (IDPM_STAT = 1) throughout the whole charging cycle, and the safety time is set to 5 hours, the safety timer will expire in 10 hours. This half clock rate feature can be disabled by writing 0 to TMR2X_EN bit.
The device includes a battery monitor to provide measurements of VBUS voltage, battery voltage, system voltage, thermistor ratio, and charging current, and charging current based on the device’s modes of operation. The measurements are reported in Battery Monitor Registers (REG0E-REG12). The battery monitor can be configured as two conversion modes by using CONV_RATE bit: one-shot conversion (default) and 1 second continuous conversion.
For one-shot conversion (CONV_RATE = 0), the CONV_START bit can be set to start the conversion. During the conversion, the CONV_START is set and it is cleared by the device when conversion is completed. The conversion result is ready after tCONV (maximum 1 second).
For continuous conversion (CONV_RATE = 1), the CONV_RATE bit can be set to initiate the conversion. During active conversion, the CONV_START is set to indicate conversion is in progress. The battery monitor provides conversion result every 1 second automatically. The battery monitor exits continuous conversion mode when CONV_RATE is cleared.
When battery monitor is active, the REGN power is enabled and can increase device quiescent current.
| PARAMETER | REGISTER | MODES OF OPERATION | |||
|---|---|---|---|---|---|
| CHARGE MODE | BOOST MODE | DISABLE CHARGE MODE | BATTERY ONLY MODE | ||
| Battery Voltage (VBAT) | REG0E | Yes | Yes | Yes | Yes |
| System Voltage (VSYS) | REG0F | Yes | Yes | Yes | Yes |
| Temperature (TS) Voltage (VTS) | REG10 | Yes | Yes | Yes | Yes |
| VBUS Voltage (VVBUS) | REG11 | Yes | Yes | Yes | NA |
| Charge Current (IBAT) | REG12 | Yes | NA | NA | NA |
In bq25898, the PG goes LOW to indicate a good input source when:
The device indicates charging state on the open drain STAT pin. The STAT pin can drive LED as shown in Figure 49. The STAT pin function can be disable by setting STAT_DIS bit.
| CHARGING STATE | STAT INDICATOR |
|---|---|
| Charging in progress (including recharge) | LOW |
| Charging complete | HIGH |
| Sleep mode, charge disable | HIGH |
| Charge suspend (Input overvoltage, TS fault, timer fault, input or system overvoltage)
Boost Mode suspend (due to TS Fault) |
blinking at 1 Hz |
In some applications, the host does not always monitor the charger operation. The INT notifies the system on the device operation. The following events will generate 256-µs INT pulse.
When a fault occurs, the charger device sends out INT and keeps the fault state in REG0C until the host reads the fault register. Before the host reads REG0C and all the faults are cleared, the charger device would not send any INT upon new faults. To read the current fault status, the host has to read REG0C two times consecutively. The 1st read reports the pre-existing fault register status and the 2nd read reports the current fault register status.
To extend battery life and minimize power when system is powered off during system idle, shipping, or storage, the device can turn off BATFET so that the system voltage is zero to minimize the battery leakage current. When the host set BATFET_DIS bit, the charger can turn off BATFET immediately or delay by tSM_DLY as configurated by BATFET_DLY bit.
When the BATFET is disabled (in shipping mode) and indicated by setting BATFET_DIS, one of the following events can enable BATFET to restore system power:
The BATFET functions as a load switch between battery and system when input source is not plugged-in. By changing the state of BATFET from off to on, system connects to SYS can be effectively have a power-on-reset. The QON pin supports push-button interface to reset system power without host by change the state of BATFET.
When the QON pin is driven to logic low for tQON_RST (typical 15 seconds) while input source is not plugged in and BATFET is enabled (BATFET_DIS=0), the BATFET is turned off for tBATFET_RST and then it is re-enabled to reset system power. This function can be disabled by setting BATFET_RST_EN bit to 0.
The device provides the control to generate the VBUS current pulse protocol to communicate with adjustable high voltage adapter in order to signal adapter to increase or decrease output voltage. To enable the interface, the EN_PUMPX bit must be set. Then the host can select the increase/decrease voltage pulse by setting one of the PUMPX_UP or PUMPX_DN bit (but not both) to start the VBUS current pulse sequence. During the current pulse sequence, the PUMPX_UP and PUMPX_DN bits are set to indicate pulse sequence is in progress and the device pulses the input current limit between current limit set forth by IINLIM or IDPM_LIM register and the 100mA current limit (IINDPM100_ACC). When the pulse sequence is completed, the input current limit is returned to value set by IINLIM or IDPM_LIM register and the PUMPX_UP or PUMPX_DN bit is cleared. In addition, the EN_PUMPX can be cleared during the current pulse sequence to terminate the sequence and force charger to return to input current limit as set forth by the IINLIM or IDPM_LIM register immediately. When EN_PUMPX bit is low, write to PUMPX_UP and PUMPX_DN bit would be ignored and have no effect on VBUS current limit.
For safe operation, the device has an additional hardware pin on ILIM to limit maximum input current on ILIM pin. The input maximum current is set by a resistor from ILIM pin to ground as:

The actual input current limit is the lower value between ILIM setting and register setting (IINLIM). For example, if the register setting is 111111 for 3.25 A, and ILIM has a 232-Ω resistor (KILIM = 350 max.) to ground for 1.5 A, the input current limit is 1.5 A. ILIM pin can be used to set the input current limit rather than the register settings when EN_ILIM bit is set. The device regulates ILIM pin at 0.8 V. If ILIM voltage exceeds 0.8 V, the device enters input current regulation (Refer to Dynamic Power Management section).
The ILIM pin can also be used to monitor input current when EN_ILIM is enabled. The voltage on ILIM pin is proportional to the input current. ILIM pin can be used to monitor the input current following Equation 4:

For example, if ILIM pin is set with 260-Ω resistor, and the ILIM voltage is 0.4 V, the actual input current 0.557 A - 0.67 A (based on KILM specified). If ILIM pin is open, the input current is limited to zero since ILIM voltage floats above 0.8 V. If ILIM pin is short, the input current limit is set by the register.
The ILIM pin function can be disabled by setting EN_ILIM bit to 0. When the pin is disabled, both input current limit function and monitoring function are not available.
The device monitors the internal junction temperature TJ to avoid overheat the chip and limits the IC surface temperature in buck mode. When the internal junction temperature exceeds the preset thermal regulation limit (TREG bits), the device lowers down the charge current. The wide thermal regulation range from 60ºC to 120ºC allows the user to optimize the system thermal performance.
During thermal regulation, the actual charging current is usually below the programmed battery charging current. Therefore, termination is disabled, the safety timer runs at half the clock rate, and the status register THERM_STAT bit goes high.
Additionally, the device has thermal shutdown to turn off the converter and BATFET when IC surface temperature exceeds TSHUT. The fault register CHRG_FAULT is set to 10 and an INT is asserted to the host. The BATFET and converter is enabled to recover when IC temperature is below TSHUT_HYS.
The device monitors the internal junction temperature to provide thermal shutdown during boost mode. When IC surface temperature exceeds TSHUT, the boost mode is disabled (converter is turned off) by setting OTG_CONFIG bit low and BATFET is turned off. When IC surface temperature is below TSHUT_HYS, the BATFET is enabled automatically to allow system to restore and the host can re-enable OTG_CONFIG bit to recover.
The device closely monitors the input and system voltage, as well as HSFET current for safe buck and boost mode operations.
The input voltage for buck mode operation is VVBUS_OP. If VBUS voltage exceeds VACOV, the device stops switching immediately. During input over voltage (ACOV), the fault register CHRG_FAULT bits sets to 01. An INT is asserted to the host.
The charger device clamps the system voltage during load transient so that the components connect to system would not be damaged due to high voltage. When SYSOVP is detected, the converter stops immediately to clamp the overshoot.
The device closely monitors the VBUS voltage, as well as RBFET and LSFET current to ensure safe boost mode operation.
The charger device closely monitors the RBFET (Q1), and LSFET (Q3) current to ensure safe boost mode operation. During overcurrent condition when output current exceed (IOTG_OCP) the device operates in hiccup mode for protection. While in hiccup mode cycle, the device turns off RBFET for tOTG_OCP_OFF (30 ms typical) and turns on RBFET for tOTG_OCP_ON (250 µs typical) in an attempt to restart. If the overcurrent condition is removed, the boost converter returns to normal operation. When overcurrent condition continues to exist, the device repeats the hiccup cycle until overcurrent condition is removed. When overcurrent condition is detected the fault register bit BOOST_FAULT is set high to indicate fault in boost operation. An INT is also asserted to the host.
When the VBUS voltage rises above regulation target and exceeds VOTG_OVP, the device enters overvoltage protection which stops switching, clears OTG_CONFIG bit and exits boost mode. During the overvoltage duration, the fault register bit (BOOST_FAULT) is set high to indicate fault in boost operation. An INT is also asserted to the host.
The battery overvoltage limit is clamped at 4% above the battery regulation voltage. When battery over voltage occurs, the charger device immediately disables charge. The fault register BAT_FAULT bit goes high and an INT is asserted to the host.
When battery is discharged below VBAT_DPL, the BATFET is turned off to protect battery from over discharge. To recover from over-discharge, an input source is required at VBUS. When an input source is plugged in, the BATFET turns on. Thy is charged with IBATSHORT (typically 100 mA) current when the VBAT < VSHORT, or precharge current as set in IPRECHG register when the battery voltage is between VSHORT and VBATLOWV.
When the system is shorted or significantly overloaded (IBAT > IBATOP) so that its current exceeds the overcurrent limit, the device latches off BATFET. Section BATFET Enable (Exit Shipping Mode) can reset the latch-off condition and turn on BATFET.
The device uses I2C compatible interface for flexible charging parameter programming and instantaneous device status reporting. I2C is a bi-directional 2-wire serial interface. Only two open-drain bus lines are required: a serial data line (SDA) and a serial clock line (SCL). Devices can be considered as masters or slaves when performing data transfers. A master is the device which initiates a data transfer on the bus and generates the clock signals to permit that transfer. At that time, any device addressed is considered a slave.
The device operates as a slave device with address 6BH, receiving control inputs from the master device like micro controller or a digital signal processor through REG00-REG14. Register read beyond REG14 (0x14) returns 0xFF. The I2C interface supports both standard mode (up to 100 kbits), and fast mode (up to 400 kbits). When the bus is free, both lines are HIGH. The SDA and SCL pins are open drain and must be connected to the positive supply voltage via a current source or pull-up resistor.
The data on the SDA line must be stable during the HIGH period of the clock. The HIGH or LOW state of the data line can only change when the clock signal on the SCL line is LOW. One clock pulse is generated for each data bit transferred.
Figure 19. Bit Transfer on the I2C Bus
All transactions begin with a START (S) and can be terminated by a STOP (P). A HIGH to LOW transition on the SDA line while SCl is HIGH defines a START condition. A LOW to HIGH transition on the SDA line when the SCL is HIGH defines a STOP condition.
START and STOP conditions are always generated by the master. The bus is considered busy after the START condition, and free after the STOP condition.
Figure 20. START and STOP conditions
Every byte on the SDA line must be 8 bits long. The number of bytes to be transmitted per transfer is unrestricted. Each byte has to be followed by an Acknowledge bit. Data is transferred with the Most Significant Bit (MSB) first. If a slave cannot receive or transmit another complete byte of data until it has performed some other function, it can hold the clock line SCL low to force the master into a wait state (clock stretching). Data transfer then continues when the slave is ready for another byte of data and release the clock line SCL.
Figure 21. Data Transfer on the I2C Bus
The acknowledge takes place after every byte. The acknowledge bit allows the receiver to signal the transmitter that the byte was successfully received and another byte may be sent. All clock pulses, including the acknowledge 9th clock pulse, are generated by the master.
The transmitter releases the SDA line during the acknowledge clock pulse so the receiver can pull the SDA line LOW and it remains stable LOW during the HIGH period of this clock pulse.
When SDA remains HIGH during the 9th clock pulse, this is the Not Acknowledge signal. The master can then generate either a STOP to abort the transfer or a repeated START to start a new transfer.
After the START, a slave address is sent. This address is 7 bits long followed by the eighth bit as a data direction bit (bit R/W). A zero indicates a transmission (WRITE) and a one indicates a request for data (READ).
Figure 22. Complete Data Transfer
Figure 23. Single Write
Figure 24. Single Read
If the register address is not defined, the charger IC send back NACK and go back to the idle state.
The charger device supports multi-read and multi-write on REG00 through REG14 except REG0C.
Figure 25. Multi-Write
Figure 26. Multi-Read
REG0C is a fault register. It keeps all the fault information from last read until the host issues a new read. For example, if Charge Safety Timer Expiration fault occurs but recovers later, the fault register REG0C reports the fault when it is read the first time, but returns to normal when it is read the second time. In order to get the fault information at present, the host has to read REG0C for the second time. The only exception is NTC_FAULT which always reports the actual condition on the TS pin. In addition, REG0C does not support multi-read and multi-write.
The device is a host controlled charger, but it can operate in default mode without host management. In default mode, the device can be used an autonomous charger with no host or while host is in sleep mode. When the charger is in default mode, WATCHDOG_FAULT bit is HIGH. When the charger is in host mode, WATCHDOG_FAULT bit is LOW.
After power-on-reset, the device starts in default mode with watchdog timer expired, or default mode. All the registers are in the default settings.
In default mode, the device keeps charging the battery with 12-hour fast charging safety timer. At the end of the 12-hour, the charging is stopped and the buck converter continues to operate to supply system load. Any write command to device transitions the charger from default mode to host mode. All the device parameters can be programmed by the host. To keep the device in host mode, the host has to reset the watchdog timer by writing 1 to WD_RST bit before the watchdog timer expires (WATCHDOG_FAULT bit is set), or disable watchdog timer by setting WATCHDOG bits=00.
When the watchdog timer (WATCHDOG_FAULT bit = 1) is expired, the device returns to default mode and all registers are reset to default values except IINLIM, VINDPM, VINDPM_OS, BATFET_RST_EN, BATFET_DLY, and BATFET_DIS bits.
Figure 27. Watchdog Timer Flow Chart
I2C Slave Address: 6AH (1101010B + R/W) (bq25898D)
I2C Slave Address: 6BH (1101011B + R/W) (bq25898)
| 7 | 6 | 5 | 4 | 3 | 2 | 1 | 0 |
| 0 | 1 | 0 | 0 | 1 | 0 | 0 | 0 |
| R/W | R/W | R/W | R/W | R/W | R/W | R/W | R/W |
| LEGEND: R/W = Read/Write; R = Read only; -n = value after reset |
| Bit | Field | Type | Reset | Description | |
|---|---|---|---|---|---|
| 7 | EN_HIZ | R/W | by REG_RST by Watchdog |
Enable HIZ Mode
0 – Disable (default) 1 – Enable |
|
| 6 | EN_ILIM | R/W | by REG_RST by Watchdog |
Enable ILIM Pin
0 – Disable 1 – Enable (default: Enable ILIM pin (1)) |
|
| 5 | IINLIM[5] | R/W | by REG_RST | 1600mA | Input Current Limit bq25898D USB Host SDP = 500mA USB CDP = 1.5A USB DCP = 3.25A Adjustable High Voltage (MaxCharge) DCP = 1.5A Unknown Adapter = 500mA Non-Standard Adapter = 1A/2A/2.1A/2.4A bq25898 PSEL= Hi (USB500) = 500mA PSEL= Lo = 3.25A |
| 4 | IINLIM[4] | R/W | by REG_RST | 800mA | |
| 3 | IINLIM[3] | R/W | by REG_RST | 400mA | |
| 2 | IINLIM[2] | R/W | by REG_RST | 200mA | |
| 1 | IINLIM[1] | R/W | by REG_RST | 100mA | |
| 0 | IINLIM[0] | R/W | by REG_RST | 50mA | |
| 7 | 6 | 5 | 4 | 3 | 2 | 1 | 0 |
| 0 | 0 | 0 | 0 | 0 | 0 | 0 | 1 |
| R/W | R/W | R/W | R/W | R/W | R/W | R/W | R/W |
| LEGEND: R/W = Read/Write; R = Read only; -n = value after reset |
| Bit | Field | Type | Reset | Description | |
|---|---|---|---|---|---|
| 7 | DPLUS_DAC[2] | R/W | by Software | D+ Output Driver (default 000) 000 – HiZ 001 – 0V 010 – 0.6V 011 – 1.2V 100 – 2.0V 101 – 2.7V 110 – 3.3V 111 – D+/D- Short (D+ and D- driver are disabled) |
|
| 6 | DPLUS_DAC[1] | R/W | by Software | ||
| 5 | DPLUS_DAC[0] | R/W | by Software | ||
| 4 | DMINUS_DAC[2] | R/W | by Software | D- Output Driver (default 000) 000 – HiZ 001 – 0V 010 – 0.6V 011 – 1.2V 100 – 2.0V 101 – 2.7V 110 or 111 – 3.3V |
|
| 3 | DMINUS_DAC[1] | R/W | by Software | ||
| 2 | DMINUS_DAC[0] | R/W | by Software | ||
| 1 | EN_12V | R/W | by Software | 0 – Disable 12V for MaxCharge and HVDCP (default) 1 – Enable 12V for MaxCharge and HVDCP |
|
| 0 | VDPM_OS[0] | R/W | by Software | 0 – 400mA offset 1 – 600mA offset (default) |
|
| 7 | 6 | 5 | 4 | 3 | 2 | 1 | 0 |
| 0 | 0 | 0 | 1 | 1 | 1 | 0 | 1 |
| R/W | R/W | R/W | R/W | R/W | R/W | R/W | R/W |
| LEGEND: R/W = Read/Write; R = Read only; -n = value after reset |
| Bit | Field | Type | Reset | Description | |
|---|---|---|---|---|---|
| 7 | CONV_START | R/W | by REG_RST by Watchdog |
ADC Conversion Start Control 0 – ADC conversion not active (default). 1 – Start ADC Conversion This bit is read-only when CONV_RATE = 1. The bit stays high during ADC conversion and during input source detection. |
|
| 6 | CONV_RATE | R/W | by REG_RST by Watchdog |
ADC Conversion Rate Selection 0 – One shot ADC conversion (default) 1 – Start 1s Continuous Conversion |
|
| 5 | BOOST_FREQ | R/W | by REG_RST by Watchdog |
Boost Mode Frequency Selection 0 – 1.5MHz (default) 1 – 500KHz Note: Write to this bit is ignored when OTG_CONFIG is enabled. |
|
| 4 | ICO_EN | R/W | by REG_RST | Input Current Optimizer (ICO) Enable 0 – Disable ICO Algorithm 1 – Enable ICO Algorithm (default) |
|
| 3 | HVDCP_EN | R/W | by REG_RST | High Voltage DCP Enable (bq25898D only)
0 – Disable HVDCP handshake 1 – Enable HVDCP handshake (default) |
|
| 2 | MAXC_EN | R/W | by REG_RST | MaxCharge Adapter Enable (bq25898D only)
0 – Disable MaxCharge handshake 1 – Enable MaxCharge handshake (default) |
|
| 1 | FORCE_DPDM | R/W | by REG_RST by Watchdog |
Force D+/D- Detection 0 – Not in D+/D- or PSEL detection (default) 1 – Force D+/D- detection |
|
| 0 | AUTO_DPDM_EN | R/W | by REG_RST | Automatic D+/D- Detection Enable 0 –Disable D+/D- or PSEL detection when VBUS is plugged-in 1 –Enable D+/D- or PEL detection when VBUS is plugged-in (default) |
|
| 7 | 6 | 5 | 4 | 3 | 2 | 1 | 0 |
| 0 | 0 | 0 | 1 | 1 | 0 | 1 | 0 |
| R/W | R/W | R/W | R/W | R/W | R/W | R/W | R/W |
| LEGEND: R/W = Read/Write; R = Read only; -n = value after reset |
| Bit | Field | Type | Reset | Description | |
|---|---|---|---|---|---|
| 7 | VOK_OTG_EN (bq25898 only) | R/W | by Software | 0 – Disabled, VOK = 0 (default) 1 – Enabled, VOK = 1 |
1. Adapter Plug-in VOK_OTG_EN = x and VOK = 1 2. OTG if VOK_OTG_EN = 1 ≥ VOK = 1 if VOK_OTG_EN = 0 ≥ VOK = 0 3. Battery Only (non-OTG) VOK_OTG_EN = x and VOK = 0 |
| FORCE_DSEL (bq25898D only) | R/W | by Software | 0 – Allow DSEL = 0 (default) 1 – Force DSEL = 1 |
1. Adaptor Plug-in DSEL= 1 when: 1) During AUTO_DPDM, FORCE_DPDM, DCP, HVDCP, MaxCharge and FORCE_DSEL = x or 2) Other input source and FORCE_DSEL = 1 DSEL = 0 when other input source and FORCE_DSEL = 0 2. OTG if FORCE_DSEL = 1 ≥ DSEL = 1 if FORCE_DSEL = 0 ≥ DSEL = 0 3. Battery only (non-OTG) DSEL = 0 and FORCE_DSEL = x |
|
| 6 | WD_RST | R/W | by Software by Watchdog |
I2C Watchdog Timer Reset 0 – Normal (default) 1 – Reset (Back to 0 after timer reset) |
|
| Charger Configuration | |||||
| 5 | OTG_CONFIG | R/W | by REG_RST by Watchdog |
Boost (OTG) Mode Configuration 0 – OTG Disable (default) 1 – OTG Enable |
|
| 4 | CHG_CONFIG | R/W | by REG_RST by Watchdog |
Charge Enable Configuration 0 - Charge Disable 1- Charge Enable (default) |
|
| Minimum System Voltage Limit | |||||
| 3 | SYS_MIN[2] | R/W | by REG_RST | 0.4V | Minimum System Voltage Limit Offset: 3.0V Range 3.0V-3.7V Default: 3.5V (101) |
| 2 | SYS_MIN[1] | R/W | by REG_RST | 0.2V | |
| 1 | SYS_MIN[0] | R/W | by REG_RST | 0.1V | |
| 0 | MIN_VBAT_SEL | R/W | by REG_RST | 0 – 2.9V BAT falling (default = 0) 1 – 2.5V BAT falling |
|
| 7 | 6 | 5 | 4 | 3 | 2 | 1 | 0 |
| 0 | 0 | 1 | 0 | 0 | 0 | 0 | 0 |
| R/W | R/W | R/W | R/W | R/W | R/W | R/W | R/W |
| LEGEND: R/W = Read/Write; R = Read only; -n = value after reset |
| Bit | Field | Type | Reset | Description | |
|---|---|---|---|---|---|
| 7 | EN_PUMPX | R/W | by REG_RST
by Watchdog |
Current pulse control Enable 0 - Disable Current pulse control (default) 1- Enable Current pulse control (PUMPX_UP and PUMPX_DN) |
|
| 6 | ICHG[6] | R/W | by REG_RST
by Watchdog |
4096mA | Fast Charge Current Limit Offset: 0mA Range: 0mA (0000000) – 4032mA (011111) Default: 2048mA (0100000) Note: ICHG=000000 (0mA) disables charge ICHG > 011111 (4032mA) is clamped to register value 011111 (4032mA) |
| 5 | ICHG[5] | R/W | by REG_RST
by Watchdog |
2048mA | |
| 4 | ICHG[4] | R/W | by REG_RST
by Watchdog |
1024mA | |
| 3 | ICHG[3] | R/W | by REG_RST
by Watchdog |
512mA | |
| 2 | ICHG[2] | R/W | by REG_RST
by Watchdog |
256mA | |
| 1 | ICHG[1] | R/W | by REG_RST
by Watchdog |
128mA | |
| 0 | ICHG[0] | R/W | by REG_RST
by Watchdog |
64mA | |
| 7 | 6 | 5 | 4 | 3 | 2 | 1 | 0 |
| 0 | 0 | 0 | 1 | 0 | 0 | 1 | 1 |
| R/W | R/W | R/W | R/W | R/W | R/W | R/W | R/W |
| LEGEND: R/W = Read/Write; R = Read only; -n = value after reset |
| Bit | Field | Type | Reset | Description | |
|---|---|---|---|---|---|
| 7 | IPRECHG[3] | R/W | by REG_RST
by Watchdog |
512mA | Precharge Current Limit Offset: 64mA Range: 64mA – 1024mA Default: 0mA when REG04[5:0] = 000000 |
| 6 | IPRECHG[2] | R/W | by REG_RST
by Watchdog |
256mA | |
| 5 | IPRECHG[1] | R/W | by REG_RST
by Watchdog |
128mA | |
| 4 | IPRECHG[0] | R/W | by REG_RST
by Watchdog |
64mA | |
| 3 | ITERM[3] | R/W | by REG_RST
by Watchdog |
512mA | Termination Current Limit Offset: 64mA Range: 64mA – 1024mA Default: 256mA (0011) |
| 2 | ITERM[2] | R/W | by REG_RST
by Watchdog |
256mA | |
| 1 | ITERM[1] | R/W | by REG_RST
by Watchdog |
128mA | |
| 0 | ITERM[0] | R/W | by REG_RST
by Watchdog |
64mA | |
| 7 | 6 | 5 | 4 | 3 | 2 | 1 | 0 |
| 0 | 1 | 0 | 1 | 1 | 1 | 1 | 0 |
| R/W | R/W | R/W | R/W | R/W | R/W | R/W | R/W |
| LEGEND: R/W = Read/Write; R = Read only; -n = value after reset |
| Bit | Field | Type | Reset | Description | |
|---|---|---|---|---|---|
| 7 | VREG[5] | R/W | by REG_RST
by Watchdog |
512mV | Charge Voltage Limit Offset: 3.840V Range: 3.840V – 4.608V (110000) Default: 4.208V (010111) Note: VREG > 110000 (4.608V) is clamped to register value 110000 (4.608V) |
| 6 | VREG[4] | R/W | by REG_RST
by Watchdog |
256mV | |
| 5 | VREG[3] | R/W | by REG_RST
by Watchdog |
128mV | |
| 4 | VREG[2] | R/W | by REG_RST
by Watchdog |
64mV | |
| 3 | VREG[1] | R/W | by REG_RST
by Watchdog |
32mV | |
| 2 | VREG[0] | R/W | by REG_RST
by Watchdog |
16mV | |
| 1 | BATLOWV | R/W | by REG_RST
by Watchdog |
Battery Precharge to Fast Charge Threshold 0 – 2.8V 1 – 3.0V (default) |
|
| 0 | VRECHG | R/W | by REG_RST
by Watchdog |
Battery Recharge Threshold Offset (below Charge Voltage Limit) 0 – 100mV (VRECHG) below VREG (REG06[7:2]) (default) 1 – 200mV (VRECHG) below VREG (REG06[7:2]) |
|
| 7 | 6 | 5 | 4 | 3 | 2 | 1 | 0 |
| 1 | 0 | 0 | 1 | 1 | 1 | 0 | 1 |
| R/W | R/W | R/W | R/W | R/W | R/W | R/W | R/W |
| LEGEND: R/W = Read/Write; R = Read only; -n = value after reset |
| Bit | Field | Type | Reset | Description | |
|---|---|---|---|---|---|
| 7 | EN_TERM | R/W | by REG_RST
by Watchdog |
Charging Termination Enable 0 – Disable 1 – Enable (default) |
|
| 6 | STAT_DIS | R/W | by REG_RST
by Watchdog |
STAT Pin Disable 0 – Enable STAT pin function (default) 1 – Disable STAT pin function |
|
| 5 | WATCHDOG[1] | R/W | by REG_RST
by Watchdog |
I2C Watchdog Timer Setting 00 – Disable watchdog timer 01 – 40s (default) 10 – 80s 11 – 160s |
|
| 4 | WATCHDOG[0] | R/W | by REG_RST
by Watchdog |
||
| 3 | EN_TIMER | R/W | by REG_RST
by Watchdog |
Charging Safety Timer Enable 0 – Disable 1 – Enable (default) |
|
| 2 | CHG_TIMER[1] | R/W | by REG_RST
by Watchdog |
Fast Charge Timer Setting 00 – 5 hrs 01 – 8 hrs 10 – 12 hrs (default) 11 – 20 hrs |
|
| 1 | CHG_TIMER[0] | R/W | by REG_RST
by Watchdog |
||
| 0 | JEITA_ISET (0C-10C) | R/W | by REG_RST by Watchdog |
JEITA Low Temperature Current Setting 0 – 50% of ICHG (REG04[6:0]) 1 – 20% of ICHG (REG04[6:0]) (default) |
|
| 7 | 6 | 5 | 4 | 3 | 2 | 1 | 0 |
| 0 | 0 | 0 | 0 | 0 | 0 | 1 | 1 |
| R/W | R/W | R/W | R/W | R/W | R/W | R/W | R/W |
| LEGEND: R/W = Read/Write; R = Read only; -n = value after reset |
| Bit | Field | Type | Reset | Description | |
|---|---|---|---|---|---|
| 7 | BAT_COMP[2] | R/W | by REG_RST
by Watchdog |
80mΩ | IR Compensation Resistor Setting Range: 0 – 140mΩ Default: 0Ω (000) (i.e. Disable IRComp) |
| 6 | BAT_COMP[1] | R/W | by REG_RST
by Watchdog |
40mΩ | |
| 5 | BAT_COMP[0] | R/W | by REG_RST
by Watchdog |
20mΩ | |
| 4 | VCLAMP[2] | R/W | by REG_RST
by Watchdog |
128mV | IR Compensation Voltage Clamp above VREG (REG06[7:2]) Offset: 0mV Range: 0-224mV Default: 0mV (000) |
| 3 | VCLAMP[1] | R/W | by REG_RST
by Watchdog |
64mV | |
| 2 | VCLAMP[0] | R/W | by REG_RST
by Watchdog |
32mV | |
| 1 | TREG[1] | R/W | by REG_RST
by Watchdog |
Thermal Regulation Threshold 00 – 60°C 01 – 80°C 10 – 100°C 11 – 120°C (default) |
|
| 0 | TREG[0] | R/W | by REG_RST
by Watchdog |
||
| 7 | 6 | 5 | 4 | 3 | 2 | 1 | 0 |
| 0 | 1 | 0 | 0 | 0 | 1 | 0 | 0 |
| R/W | R/W | R/W | R/W | R/W | R/W | R/W | R/W |
| LEGEND: R/W = Read/Write; R = Read only; -n = value after reset |
| Bit | Field | Type | Reset | Description | |
|---|---|---|---|---|---|
| 7 | FORCE_ICO | R/W | by REG_RST
by Watchdog |
Force Start Input Current Optimizer (ICO) 0 – Do not force ICO (default) 1 – Force ICO Note: This bit is can only be set only and always returns to 0 after ICO starts |
|
| 6 | TMR2X_EN | R/W | by REG_RST
by Watchdog |
Safety Timer Setting during DPM or Thermal Regulation 0 – Safety timer not slowed by 2X during input DPM or thermal regulation 1 – Safety timer slowed by 2X during input DPM or thermal regulation (default) |
|
| 5 | BATFET_DIS | R/W | by REG_RST | Force BATFET off to enable ship mode with tSM_DLY delay time 0 – Allow BATFET turn on (default) 1 – Force BATFET off |
|
| 4 | JEITA_VSET (45C-60C) | R/W | by REG_RST by Watchdog |
JEITA High Temperature Voltage Setting 0 – Set Charge Voltage to VREG-200mV during JEITA hig temperature (default) 1 – Set Charge Voltage to VREG during JEITA high temperature |
|
| 3 | BATFET_DLY | R/W | by REG_RST | BATFET turn off delay control 0 – BATFET turn off immediately when BATFET_DIS bit is set (default) 1 – BATFET turn off delay by tSM_DLY when BATFET_DIS bit is set |
|
| 2 | BATFET_RST_EN | R/W | by REG_RST | BATFET full system reset enable 0 – Disable BATFET full system reset 1 – Enable BATFET full system reset (default) |
|
| 1 | PUMPX_UP | R/W | by REG_RST
by Watchdog |
Current pulse control voltage up enable 0 – Disable (default) 1 – Enable Note: This bit is can only be set when EN_PUMPX bit is set and returns to 0 after current pulse control sequence is completed |
|
| 0 | PUMPX_DN | R/W | by REG_RST
by Watchdog |
Current pulse control voltage down enable 0 – Disable (default) 1 – Enable Note: This bit is can only be set when EN_PUMPX bit is set and returns to 0 after current pulse control sequence is completed |
|
| 7 | 6 | 5 | 4 | 3 | 2 | 1 | 0 |
| 0 | 1 | 1 | 1 | 0 | 1 | 0 | 0 |
| R/W | R/W | R/W | R/W | R/W | R/W | R/W | R/W |
| LEGEND: R/W = Read/Write; R = Read only; -n = value after reset |
| Bit | Field | Type | Reset | Description | |
|---|---|---|---|---|---|
| 7 | BOOSTV[3] | R/W | by REG_RST
by Watchdog |
512mV | Boost Voltage Control Offset: 4.55V Range: 4.55V – 5.51V Default:4.998V(0111) |
| 6 | BOOSTV[2] | R/W | by REG_RST
by Watchdog |
256mV | |
| 5 | BOOSTV[1] | R/W | by REG_RST by Watchdog |
128mV | |
| 4 | BOOSTV[0] | R/W | by REG_RST
by Watchdog |
64mV | |
| 3 | PFM_OTG_DIS | R/W | by REG_RST | 0 – Enable (default = 0) 1 – Disable |
|
| Boost Current Limit | |||||
| 2 | BOOST_LIM[2] | R/W | by REG_RST by Watchdog |
000: 0.5A 001: 0.8A 010: 1.0A 011: 1.2A 100: 1.5A 101: 1.8A 110: 2.1A 111: 2.4A |
Boost Mode Current Limit Default: 1.5A (100) |
| 1 | BOOST_LIM[1] | R/W | by REG_RST by Watchdog |
||
| 0 | BOOST_LIM[0] | R/W | by REG_RST by Watchdog |
||
| 7 | 6 | 5 | 4 | 3 | 2 | 1 | 0 |
| x | x | x | x | x | x | x | x |
| R | R | R | R | R | R | R | R |
| LEGEND: R/W = Read/Write; R = Read only; -n = value after reset |
| Bit | Field | Type | Reset | Description | |
|---|---|---|---|---|---|
| 7 | VBUS_STAT[2] | R | N/A | VBUS Status register
bq25898D 000: No Input 001: USB Host SDP 010: USB CDP (1.5A) 011: USB DCP (3.25A) 100: Adjustable High Voltage DCP (MaxCharge) (1.5A) 101: Unknown Adapter (500mA) 110: Non-Standard Adapter (1A/2A/2.1A/2.4A) 111: OTG bq25898 000: No Input 001: USB Host SDP 010: Adapter (3.25A) 111: OTG Note: Software current limit is reported in IINLIM register |
|
| 6 | VBUS_STAT[1] | R | N/A | ||
| 5 | VBUS_STAT[0] | R | N/A | ||
| 4 | CHRG_STAT[1] | R | N/A | Charging Status 00 – Not Charging 01 – Pre-charge ( < VBATLOWV) 10 – Fast Charging 11 – Charge Termination Done |
|
| 3 | CHRG_STAT[0] | R | N/A | ||
| 2 | PG_STAT | R | N/A | Power Good Status 0 – Not Power Good 1 – Power Good |
|
| 1 | Reserved | R | N/A | Reserved: Always reads 1 | |
| 0 | VSYS_STAT | R | N/A | VSYS Regulation Status 0 – Not in VSYSMIN regulation (BAT > VSYSMIN) 1 – In VSYSMIN regulation (BAT < VSYSMIN) |
|
| 7 | 6 | 5 | 4 | 3 | 2 | 1 | 0 |
| x | x | x | x | x | x | x | x |
| R | R | R | R | R | R | R | R |
| LEGEND: R/W = Read/Write; R = Read only; -n = value after reset |
| Bit | Field | Type | Reset | Description | |
|---|---|---|---|---|---|
| 7 | WATCHDOG_FAULT | R | N/A | Watchdog Fault Status Status 0 – Normal 1- Watchdog timer expiration |
|
| 6 | BOOST_FAULT | R | N/A | Boost Mode Fault Status 0 – Normal 1 – VBUS overloaded in OTG, or VBUS OVP, or battery is too low in boost mode |
|
| 5 | CHRG_FAULT[1] | R | N/A | Charge Fault Status 00 – Normal 01 – Input fault (VBUS > VACOV or VBAT < VBUS < VVBUSMIN(typical 3.8V) ) 10 - Thermal shutdown 11 – Charge Safety Timer Expiration |
|
| 4 | CHRG_FAULT[0] | R | N/A | ||
| 3 | BAT_FAULT | R | N/A | Battery Fault Status 0 – Normal 1 – BATOVP (VBAT > VBATOVP) |
|
| 2 | NTC_FAULT[2] | R | N/A | NTC Fault Status Buck Mode: 000 – Normal 010 – TS Warm 011 – TS Cool 101 – TS Cold 110 – TS Hot Boost Mode: 000 – Normal 101 – TS Cold 110 – TS Hot |
|
| 1 | NTC_FAULT[1] | R | N/A | ||
| 0 | NTC_FAULT[0] | R | N/A | ||
| 7 | 6 | 5 | 4 | 3 | 2 | 1 | 0 |
| 0 | 0 | 0 | 1 | 0 | 0 | 1 | 0 |
| R/W | R/W | R/W | R/W | R/W | R/W | R/W | R/W |
| LEGEND: R/W = Read/Write; R = Read only; -n = value after reset |
| Bit | Field | Type | Reset | Description | |
|---|---|---|---|---|---|
| 7 | FORCE_VINDPM | R/W | by REG_RST | VINDPM Threshold Setting Method 0 – Run Relative VINDPM Threshold (default) 1 – Run Absolute VINDPM Threshold |
|
| 6 | VINDPM[6] | R/W | by REG_RST | 6400mV | Absolute VINDPM Threshold Offset: 2.6V Range: 3.9V (0001101) – 15.3V (1111111) Default: 4.4V (0010010) Note: Value < 0001101 is clamped to 3.9V (0001101) Register is read only when FORCE_VINDPM=0 and can be written by internal control based on relative VINDPM threshold setting Register can be read/write when FORCE_VINDPM = 1 |
| 5 | VINDPM[5] | R/W | by REG_RST | 3200mV | |
| 4 | VINDPM[4] | R/W | by REG_RST | 1600mV | |
| 3 | VINDPM[3] | R/W | by REG_RST | 800mV | |
| 2 | VINDPM[2] | R/W | by REG_RST | 400mV | |
| 1 | VINDPM[1] | R/W | by REG_RST | 200mV | |
| 0 | VINDPM[0] | R/W | by REG_RST | 100mV | |
| 7 | 6 | 5 | 4 | 3 | 2 | 1 | 0 |
| 0 | 0 | 0 | 0 | 0 | 0 | 0 | 0 |
| R | R | R | R | R | R | R | R |
| LEGEND: R/W = Read/Write; R = Read only; -n = value after reset |
| Bit | Field | Type | Reset | Description | |
|---|---|---|---|---|---|
| 7 | THERM_STAT | R | N/A | Thermal Regulation Status 0 – Normal 1 – In Thermal Regulation |
|
| 6 | BATV[6] | R | N/A | 1280mV | ADC conversion of Battery Voltage (VBAT)
Offset: 2.304V Range: 2.304V (0000000) – 4.848V (1111111) Default: 2.304V (0000000) |
| 5 | BATV[5] | R | N/A | 640mV | |
| 4 | BATV[4] | R | N/A | 320mV | |
| 3 | BATV[3] | R | N/A | 160mV | |
| 2 | BATV[2] | R | N/A | 80mV | |
| 1 | BATV[1] | R | N/A | 40mV | |
| 0 | BATV[0] | R | N/A | 20mV | |
| 7 | 6 | 5 | 4 | 3 | 2 | 1 | 0 |
| 0 | 0 | 0 | 0 | 0 | 0 | 0 | 0 |
| R | R | R | R | R | R | R | R |
| LEGEND: R/W = Read/Write; R = Read only; -n = value after reset |
| Bit | Field | Type | Reset | Description | |
|---|---|---|---|---|---|
| 7 | Reserved | R | N/A | Reserved: Always reads 0 | |
| 6 | SYSV[6] | R | N/A | 1280mV | ADC conversion of System Voltage (VSYS)
Offset: 2.304V Range: 2.304V (0000000) – 4.848V (1111111) Default: 2.304V (0000000) |
| 5 | SYSV[5] | R | N/A | 640mV | |
| 4 | SYSV[4] | R | N/A | 320mV | |
| 3 | SYSV[3] | R | N/A | 160mV | |
| 2 | SYSV[2] | R | N/A | 80mV | |
| 1 | SYSV[1] | R | N/A | 40mV | |
| 0 | SYSV[0] | R | N/A | 20mV | |
| 7 | 6 | 5 | 4 | 3 | 2 | 1 | 0 |
| 0 | 0 | 0 | 0 | 0 | 0 | 0 | 0 |
| R | R | R | R | R | R | R | R |
| LEGEND: R/W = Read/Write; R = Read only; -n = value after reset |
| Bit | Field | Type | Reset | Description | |
|---|---|---|---|---|---|
| 7 | Reserved | R | N/A | Reserved: Always reads 0 | |
| 6 | TSPCT[6] | R | N/A | 29.76% | ADC conversion of TS Voltage (TS) as percentage of REGN Offset: 21% Range 21% (0000000) – 80% (1111111) Default: 21% (0000000) |
| 5 | TSPCT[5] | R | N/A | 14.88% | |
| 4 | TSPCT[4] | R | N/A | 7.44% | |
| 3 | TSPCT[3] | R | N/A | 3.72% | |
| 2 | TSPCT[2] | R | N/A | 1.86% | |
| 1 | TSPCT[1] | R | N/A | 0.93% | |
| 0 | TSPCT[0] | R | N/A | 0.465% | |
| 7 | 6 | 5 | 4 | 3 | 2 | 1 | 0 |
| 0 | 0 | 0 | 0 | 0 | 0 | 0 | 0 |
| R | R | R | R | R | R | R | R |
| LEGEND: R/W = Read/Write; R = Read only; -n = value after reset |
| Bit | Field | Type | Reset | Description | |
|---|---|---|---|---|---|
| 7 | VBUS_GD | R | N/A | VBUS Good Status 0 – Not VBUS attached 1 – VBUS Attached |
|
| 6 | VBUSV[6] | R | N/A | 6400mV | ADC conversion of VBUS voltage (VBUS) Offset: 2.6V Range 2.6V (0000000) – 15.3V (1111111) Default: 2.6V (0000000) |
| 5 | VBUSV[5] | R | N/A | 3200mV | |
| 4 | VBUSV[4] | R | N/A | 1600mV | |
| 3 | VBUSV[3] | R | N/A | 800mV | |
| 2 | VBUSV[2] | R | N/A | 400mV | |
| 1 | VBUSV[1] | R | N/A | 200mV | |
| 0 | VBUSV[0] | R | N/A | 100mV | |
| 7 | 6 | 5 | 4 | 3 | 2 | 1 | 0 |
| 0 | 0 | 0 | 0 | 0 | 0 | 0 | 0 |
| R | R | R | R | R | R | R | R |
| LEGEND: R/W = Read/Write; R = Read only; -n = value after reset |
| Bit | Field | Type | Reset | Description | |
|---|---|---|---|---|---|
| 7 | Unused | R | N/A | Always reads 0 | |
| 6 | ICHGR[6] | R | N/A | 3200mA | ADC conversion of Charge Current (IBAT) when VBAT > VBATSHORT
Offset: 0mA Range 0mA (0000000) – 6350mA (1111111) Default: 0mA (0000000) Note: This register returns 0000000 for VBAT < VBATSHORT |
| 5 | ICHGR[5] | R | N/A | 1600mA | |
| 4 | ICHGR[4] | R | N/A | 800mA | |
| 3 | ICHGR[3] | R | N/A | 400mA | |
| 2 | ICHGR[2] | R | N/A | 200mA | |
| 1 | ICHGR[1] | R | N/A | 100mA | |
| 0 | ICHGR[0] | R | N/A | 50mA | |
| 7 | 6 | 5 | 4 | 3 | 2 | 1 | 0 |
| 0 | 0 | 0 | 0 | 0 | 0 | 0 | 0 |
| R | R | R | R | R | R | R | R |
| LEGEND: R/W = Read/Write; R = Read only; -n = value after reset |
| Bit | Field | Type | Reset | Description | |
|---|---|---|---|---|---|
| 7 | VDPM_STAT | R | N/A | VINDPM Status 0 – Not in VINDPM 1 – VINDPM |
|
| 6 | IDPM_STAT | R | N/A | IINDPM Status 0 – Not in IINDPM 1 – IINDPM |
|
| 5 | IDPM_LIM[5] | R | N/A | 1600mA | Input Current Limit in effect while Input Current Optimizer (ICO) is enabled Offset: 100mA (default) Range 100mA (0000000) – 3.25mA (1111111) |
| 4 | IDPM_LIM[4] | R | N/A | 800mA | |
| 3 | IDPM_LIM[3] | R | N/A | 400mA | |
| 2 | IDPM_LIM[2] | R | N/A | 200mA | |
| 1 | IDPM_LIM[1] | R | N/A | 100mA | |
| 0 | IDPM_LIM[0] | R | N/A | 50mA | |
| 7 | 6 | 5 | 4 | 3 | 2 | 1 | 0 |
| 0 | 0 | X | X | X | 1 | 0 | 1 |
| R/W | R | R | R | R | R | R | R |
| LEGEND: R/W = Read/Write; R = Read only; -n = value after reset |
| Bit | Field | Type | Reset | Description | |
|---|---|---|---|---|---|
| 7 | REG_RST | R/W | N/A | Register Reset 0 – Keep current register setting (default) 1 – Reset to default register value and reset safety timer Note: Reset to 0 after register reset is completed |
|
| 6 | ICO_OPTIMIZED | R | N/A | Input Current Optimizer (ICO) Status 0 – Optimization is in progress 1 – Maximum Input Current Detected |
|
| 5 | PN[2] | R | N/A | Device Configuration 010: bq25898D 000: bq25898 |
|
| 4 | PN[1] | R | N/A | ||
| 3 | PN[0] | R | N/A | ||
| 2 | TS_PROFILE | R | N/A | Temperature Profile 1- JEITA (default) |
|
| 1 | DEV_REV[1] | R | N/A | Device Revision: 01 | |
| 0 | DEV_REV[0] | R | N/A | ||