ZHCSJ56C February   2018  – September 2019 BQ25882

PRODUCTION DATA.  

  1. 特性
  2. 应用
  3. 说明
    1.     简化原理图
      1.      Device Images
  4. 修订历史记录
  5. Device Comparison Table
  6. Pin Configuration and Functions
    1.     Pin Functions
  7. Specifications
    1. 7.1 Absolute Maximum Ratings
    2. 7.2 ESD Ratings
    3. 7.3 Recommended Operating Conditions
    4. 7.4 Thermal Information
    5. 7.5 Electrical Characteristics
    6. 7.6 Timing Requirements
    7. 7.7 Typical Characteristics
  8. Detailed Description
    1. 8.1 Overview
    2. 8.2 Functional Block Diagram
    3. 8.3 Feature Description
      1. 8.3.1  Device Power-On-Reset
      2. 8.3.2  Device Power Up from Battery without Input Source
      3. 8.3.3  Device Power Up from Input Source
        1. 8.3.3.1 Poor Source Qualification
        2. 8.3.3.2 Input Source Type Detection
          1. 8.3.3.2.1 D+/D– Detection Sets Input Current Limit
          2. 8.3.3.2.2 Force Input Current Limit Detection
        3. 8.3.3.3 Power up REGN Regulator (LDO)
        4. 8.3.3.4 Converter Power Up
      4. 8.3.4  Input Current Optimizer (ICO)
      5. 8.3.5  Buck Mode Operation from Battery (OTG)
      6. 8.3.6  Power Path Management
        1. 8.3.6.1 Narrow VDC Architecture
        2. 8.3.6.2 Dynamic Power Management
        3. 8.3.6.3 Supplement Mode
      7. 8.3.7  Battery Charging Management
        1. 8.3.7.1 Autonomous Charging Cycle
        2. 8.3.7.2 Battery Charging Profile
        3. 8.3.7.3 Charging Termination
        4. 8.3.7.4 Thermistor Qualification
          1. 8.3.7.4.1 JEITA Guideline Compliance in Charge Mode
          2. 8.3.7.4.2 Cold/Hot Temperature Window in OTG Buck Mode
        5. 8.3.7.5 Charging Safety Timer
      8. 8.3.8  Integrated 16-Bit ADC for Monitoring
      9. 8.3.9  Status Outputs (PG, and INT)
        1. 8.3.9.1 Power Good Indicator (PG)
        2. 8.3.9.2 Interrupt to Host (INT)
      10. 8.3.10 Input Current Limit on ILIM Pin
      11. 8.3.11 Voltage and Current Monitoring
        1. 8.3.11.1 Voltage and Current Monitoring in Boost Mode
          1. 8.3.11.1.1 Input Over-voltage Protection
          2. 8.3.11.1.2 Input Under-Voltage Protection
          3. 8.3.11.1.3 System Over-Voltage Protection
          4. 8.3.11.1.4 System Over-Current Protection
        2. 8.3.11.2 Voltage and Current Monitoring in OTG Buck Mode
          1. 8.3.11.2.1 VBUS Over-Voltage Protection
          2. 8.3.11.2.2 VBUS Over-Current Protection
      12. 8.3.12 Thermal Regulation and Thermal Shutdown
        1. 8.3.12.1 Thermal Protection in Boost Mode
        2. 8.3.12.2 Thermal Protection in OTG Buck Mode
      13. 8.3.13 Battery Protection
        1. 8.3.13.1 Battery Overvoltage Protection (BATOVP)
        2. 8.3.13.2 Battery Over-Discharge Protection
      14. 8.3.14 Serial Interface
        1. 8.3.14.1 Data Validity
        2. 8.3.14.2 START and STOP Conditions
        3. 8.3.14.3 Byte Format
        4. 8.3.14.4 Acknowledge (ACK) and Not Acknowledge (NACK)
        5. 8.3.14.5 Slave Address and Data Direction Bit
        6. 8.3.14.6 Single Write and Read
        7. 8.3.14.7 Multi-Write and Multi-Read
    4. 8.4 Device Functional Modes
      1. 8.4.1 Host Mode and Default Mode
    5. 8.5 Register Maps
      1. 8.5.1  Battery Voltage Regulation Limit Register (Address = 00h) [reset = A0h]
        1. Table 9. REG00 Register Field Descriptions
      2. 8.5.2  Charger Current Limit Register (Address = 01h) [reset = 54h]
        1. Table 10. REG01 Register Field Descriptions
      3. 8.5.3  Input Voltage Limit Register (Address = 02h) [reset = 85h]
        1. Table 11. REG02 Register Field Descriptions
      4. 8.5.4  Input Current Limit Register (Address = 03h) [reset = 39h]
        1. Table 12. REG03 Register Field Descriptions
      5. 8.5.5  Precharge and Termination Current Limit Register (Address = 04h) [reset = 22h]
        1. Table 13. REG04 Register Field Descriptions
      6. 8.5.6  Charger Control 1 Register (Address = 05h) [reset = 9Dh]
        1. Table 14. REG05 Register Field Descriptions
      7. 8.5.7  Charger Control 2 Register (Address = 06h) [reset = 7Dh]
        1. Table 15. REG06 Register Field Descriptions
      8. 8.5.8  Charger Control 3 Register (Address = 07h) [reset = 0Ah]
        1. Table 16. REG07 Register Field Descriptions
      9. 8.5.9  Charger Control 4 Register (Address = 08h) [reset = 0Dh]
        1. Table 17. REG08 Register Field Descriptions
      10. 8.5.10 OTG Control Register (Address = 09h) [reset = F6h]
        1. Table 18. REG09 Register Field Descriptions
      11. 8.5.11 ICO Current Limit Register (Address = 0Ah) [reset = XXh]
        1. Table 19. REG0A Register Field Descriptions
      12. 8.5.12 Charger Status 1 Register (Address = 0Bh) [reset = XXh]
        1. Table 20. REG0B Register Field Descriptions
      13. 8.5.13 Charger Status 2 Register (Address = 0Ch) [reset = XXh]
        1. Table 21. REG0C Register Field Descriptions
      14. 8.5.14 NTC Status Register (Address = 0Dh) [reset = 0Xh]
        1. Table 22. REG0D Register Field Descriptions
      15. 8.5.15 FAULT Status Register (Address = 0Eh) [reset = XXh]
        1. Table 23. REG0E Register Field Descriptions
      16. 8.5.16 Charger Flag 1 Register (Address = 0Fh) [reset = 00h]
        1. Table 24. REG0F Register Field Descriptions
      17. 8.5.17 Charger Flag 2 Register (Address = 10h) [reset = 00h]
        1. Table 25. REG10 Register Field Descriptions
      18. 8.5.18 FAULT Flag Register (Address = 11h) [reset = 00h]
        1. Table 26. REG11 Register Field Descriptions
      19. 8.5.19 Charger Mask 1 Register (Address = 12h) [reset = 00h]
        1. Table 27. REG12 Register Field Descriptions
      20. 8.5.20 Charger Mask 2 Register (Address = 13h) [reset = 00h]
        1. Table 28. REG13 Register Field Descriptions
      21. 8.5.21 FAULT Mask Register (Address = 14h) [reset = 00h]
        1. Table 29. REG14 Register Field Descriptions
      22. 8.5.22 ADC Control Register (Address = 15h) [reset = 30h]
        1. Table 30. REG15 Register Field Descriptions
      23. 8.5.23 ADC Function Disable Register (Address = 16h) [reset = 00h]
        1. Table 31. REG16 Register Field Descriptions
      24. 8.5.24 IBUS ADC 1 Register (Address = 17h) [reset = 00h]
        1. Table 32. REG17 Register Field Descriptions
      25. 8.5.25 IBUS ADC 0 Register (Address = 18h) [reset = 00h]
        1. Table 33. REG18 Register Field Descriptions
      26. 8.5.26 ICHG ADC 1 Register (Address = 19h) [reset = 00h]
        1. Table 34. REG19 Register Field Descriptions
      27. 8.5.27 ICHG ADC 0 Register (Address = 1Ah) [reset = 00h]
        1. Table 35. REG1A Register Field Descriptions
      28. 8.5.28 VBUS ADC 1 Register (Address = 1Bh) [reset = 00h]
        1. Table 36. REG1B Register Field Descriptions
      29. 8.5.29 VBUS ADC 0 Register (Address = 1Ch) [reset = 00h]
        1. Table 37. REG1C Register Field Descriptions
      30. 8.5.30 VBAT ADC 1 Register (Address = 1Dh) [reset = 00h]
        1. Table 38. REG1D Register Field Descriptions
      31. 8.5.31 VBAT ADC 0 Register (Address = 1Eh) [reset = 00h]
        1. Table 39. REG1E Register Field Descriptions
      32. 8.5.32 VSYS ADC 1 Register (Address = 1Fh) [reset = 00h]
        1. Table 40. REG1F Register Field Descriptions
      33. 8.5.33 VSYS ADC 0 Register (Address = 20h) [reset = 00h]
        1. Table 41. REG20 Register Field Descriptions
      34. 8.5.34 TS ADC 1 Register (Address = 21h) [reset = 00h]
        1. Table 42. REG21 Register Field Descriptions
      35. 8.5.35 TS ADC 0 Register (Address = 22h) [reset = 00h]
        1. Table 43. REG22 Register Field Descriptions
      36. 8.5.36 TDIE ADC 1 Register (Address = 23h) [reset = 00h]
        1. Table 44. REG23 Register Field Descriptions
      37. 8.5.37 TDIE ADC 0 Register (Address = 24h) [reset = 00h]
        1. Table 45. REG24 Register Field Descriptions
      38. 8.5.38 Part Information Register (Address = 25h) [reset = 11h]
        1. Table 46. REG25 Register Field Descriptions
  9. Application and Implementation
    1. 9.1 Application Information
    2. 9.2 Typical Application
      1. 9.2.1 Design Requirements
      2. 9.2.2 Detailed Design Procedure
        1. 9.2.2.1 Inductor Selection
        2. 9.2.2.2 Input (VBUS / PMID) Capacitor
        3. 9.2.2.3 Output (VSYS) Capacitor
      3. 9.2.3 Application Curves
  10. 10Power Supply Recommendations
  11. 11Layout
    1. 11.1 Layout Guidelines
    2. 11.2 Layout Example
  12. 12器件和文档支持
    1. 12.1 器件支持
      1. 12.1.1 第三方产品免责声明
        1. 12.1.1.1 第三方产品免责声明
    2. 12.2 文档支持
      1. 12.2.1 相关文档
    3. 12.3 接收文档更新通知
    4. 12.4 社区资源
    5. 12.5 商标
    6. 12.6 静电放电警告
    7. 12.7 Glossary
  13. 13机械、封装和可订购信息

封装选项

机械数据 (封装 | 引脚)
散热焊盘机械数据 (封装 | 引脚)
订购信息

JEITA Guideline Compliance in Charge Mode

To improve the safety of charging Li-ion batteries, JEITA guideline was released on April 20, 2007. The guideline emphasized the importance of avoiding a high charge current and high charge voltage at certain low and high temperature ranges.

To initiate a charge cycle, the voltage on TS pin must be within the VT1 to VT5 thresholds. If TS voltage exceeds the T1-T5 range, the controller suspends charging and waits until the battery temperature is within the T1 to T5 range. At cool temperature (T1-T2), JEITA recommends the charge current to be reduced to half of the charge current or lower. At warm temperature (T3-T5), JEITA recommends charge voltage less than 4.1 V / cell.

The charger provides flexible voltage/current settings beyond the JEITA requirement. The voltage setting at warm temperature (T3-T5) can be VREG, 8.0 V, 8.3 V, or charge suspend (configured by JEITA_VSET [1:0]). The fast charge current setting at warm temperature (T3-T5) can be 100%, or 40% of fast charge current, ICHG (configured by JEITA_ISETH). The fast charge current setting at cool temperature (T1-T2) can be 100%, 40%, or 20% of fast charge current, ICHG, or charge suspend (configured by JEITA_ISETC[1:0]). Whenever the charger detects "warm" or "cool" temperature, TERMINATION is automatically disabled regardless of JEITA_VSET, JEITA_ISETH and JEITA_ISETC register bit settings.

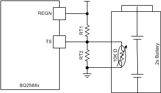
BQ25882 slvse40_ts_resistor_network.gifFigure 23. TS Resistor Network
BQ25882 slvse40_charging_Values.gifFigure 24. TS Charging Values

Assuming a 103AT NTC thermistor on the battery pack as shown above, the value of RT1 and RT2 can be determined by:

Equation 1. BQ25882 RT2_eqn1.gif
Equation 2. BQ25882 RT1_eqn2.gif

Select 0°C to 60°C range for Li-ion or Li-polymer battery:

RTHT1 = 27.28 kΩ

RTHT5 = 3.02 kΩ

RT1 = 5.24 kΩ

RT2 = 30.31 kΩ