ZHCSGR3C May   2017  – September 2021 BQ25606

PRODUCTION DATA  

  1. 特性
  2. 应用
  3. 说明
  4. Revision History
  5. 说明(续)
  6. Device Comparison Table
  7. Pin Configuration and Functions
  8. Specifications
    1. 8.1 Absolute Maximum Ratings
    2. 8.2 ESD Ratings
    3. 8.3 Recommended Operating Conditions
    4. 8.4 Thermal Information
    5. 8.5 Electrical Characteristics
    6. 8.6 Timing Requirements
    7. 8.7 Typical Characteristics
  9. Detailed Description
    1. 9.1 Overview
    2. 9.2 Functional Block Diagram
    3. 9.3 Feature Description
      1. 9.3.1 Device Power Up from Battery without Input Source
      2. 9.3.2 Power Up from Input Source
        1. 9.3.2.1 Power Up REGN Regulation
        2. 9.3.2.2 Poor Source Qualification
        3. 9.3.2.3 Input Source Type Detection
          1. 9.3.2.3.1 D+/D– Detection Sets Input Current Limit in BQ25606
        4. 9.3.2.4 Input Voltage Limit Threshold Setting (VINDPM Threshold)
        5. 9.3.2.5 Converter Power Up
      3. 9.3.3 Boost Mode Operation From Battery
      4. 9.3.4 Power Path Management
        1. 9.3.4.1 Narrow VDC Architecture
        2. 9.3.4.2 Dynamic Power Management
        3. 9.3.4.3 Supplement Mode
      5. 9.3.5 Battery Charging Management
        1. 9.3.5.1 Autonomous Charging Cycle
        2. 9.3.5.2 Charging Termination
        3. 9.3.5.3 Thermistor Qualification
        4. 9.3.5.4 JEITA Guideline Compliance During Charging Mode
        5. 9.3.5.5 Boost Mode Thermistor Monitor during Battery Discharge Mode
        6. 9.3.5.6 Charging Safety Timer
      6. 9.3.6 Status Outputs ( PG, STAT)
        1. 9.3.6.1 Power Good Indicator (PG Pin)
        2. 9.3.6.2 Charging Status Indicator (STAT)
      7. 9.3.7 Protections
        1. 9.3.7.1 Input Current Limit
        2. 9.3.7.2 Voltage and Current Monitoring in Converter Operation
          1. 9.3.7.2.1 Voltage and Current Monitoring in Buck Mode
            1. 9.3.7.2.1.1 Input Overvoltage (ACOV)
            2. 9.3.7.2.1.2 System Overvoltage Protection (SYSOVP)
        3. 9.3.7.3 Voltage and Current Monitoring in Boost Mode
          1. 9.3.7.3.1 VBUS Soft Start
          2. 9.3.7.3.2 VBUS Output Protection
          3. 9.3.7.3.3 Boost Mode Overvoltage Protection
        4. 9.3.7.4 Thermal Regulation and Thermal Shutdown
          1. 9.3.7.4.1 Thermal Protection in Buck Mode
          2. 9.3.7.4.2 Thermal Protection in Boost Mode
        5. 9.3.7.5 Battery Protection
          1. 9.3.7.5.1 Battery Overvoltage Protection (BATOVP)
          2. 9.3.7.5.2 Battery Overdischarge Protection
          3. 9.3.7.5.3 System Overcurrent Protection
  10. 10Application and Implementation
    1. 10.1 Application Information
    2. 10.2 Typical Application
      1. 10.2.1 Design Requirements
      2. 10.2.2 Detailed Design Procedure
        1. 10.2.2.1 Inductor Selection
        2. 10.2.2.2 Input Capacitor
        3. 10.2.2.3 Output Capacitor
      3. 10.2.3 Application Curves
  11. 11Power Supply Recommendations
  12. 12Layout
    1. 12.1 Layout Guidelines
    2. 12.2 Layout Example
  13. 13Device and Documentation Support
    1. 13.1 Device Support
      1. 13.1.1 第三方产品免责声明
    2. 13.2 接收文档更新通知
    3. 13.3 支持资源
    4. 13.4 Trademarks
    5. 13.5 Electrostatic Discharge Caution
    6. 13.6 术语表
  14. 14Mechanical, Packaging, and Orderable Information

封装选项

机械数据 (封装 | 引脚)
散热焊盘机械数据 (封装 | 引脚)
订购信息

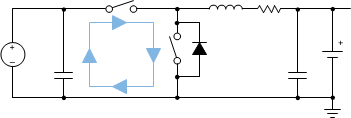
Layout Example

GUID-15A23959-E6EB-455F-B539-E71B054BDBA6-low.gifFigure 12-1 High Frequency Current Path
GUID-2AE1DCC5-7492-495A-A21A-D359B69DBC8E-low.pngFigure 12-2 Layout Example