ZHCSGO5B June   2017  – March 2022 BQ25600 , BQ25600D

PRODUCTION DATA  

  1. 特性
  2. 应用
  3. 说明
  4. Revision History
  5. 说明(续)
  6. Pin Configuration and Functions
  7. Specifications
    1. 7.1 Absolute Maximum Ratings
    2. 7.2 ESD Ratings
    3. 7.3 Recommended Operating Conditions
    4. 7.4 Thermal Information
    5. 7.5 Electrical Characteristics
    6. 7.6 Timing Requirements
    7. 7.7 Typical Characteristics
  8. Detailed Description
    1. 8.1 Overview
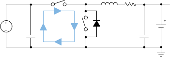
    2. 8.2 Functional Block Diagram
    3. 8.3 Feature Description
      1. 8.3.1 Power-On-Reset (POR)
      2. 8.3.2 Device Power Up from Battery without Input Source
      3. 8.3.3 Power Up from Input Source
        1. 8.3.3.1 Power Up REGN Regulation
        2. 8.3.3.2 Poor Source Qualification
        3. 8.3.3.3 Input Source Type Detection
          1. 8.3.3.3.1 D+/D– Detection Sets Input Current Limit in BQ25600D
          2. 8.3.3.3.2 PSEL Pins Sets Input Current Limit in BQ25600
        4. 8.3.3.4 Input Voltage Limit Threshold Setting (VINDPM Threshold)
        5. 8.3.3.5 Converter Power Up
      4. 8.3.4 Boost Mode Operation From Battery
      5. 8.3.5 Host Mode and Standalone Power Management
        1. 8.3.5.1 Host Mode and Default Mode in BQ25600 and BQ25600D
      6. 8.3.6 Power Path Management
      7. 8.3.7 Battery Charging Management
        1. 8.3.7.1 Autonomous Charging Cycle
        2. 8.3.7.2 Battery Charging Profile
        3. 8.3.7.3 Charging Termination
        4. 8.3.7.4 Thermistor Qualification
        5. 8.3.7.5 JEITA Guideline Compliance During Charging Mode
        6. 8.3.7.6 Boost Mode Thermistor Monitor During Battery Discharge Mode
        7. 8.3.7.7 Charging Safety Timer
      8. 8.3.8 Protections
        1. 8.3.8.1 Voltage and Current Monitoring in Converter Operation
          1. 8.3.8.1.1 Voltage and Current Monitoring in Buck Mode
            1. 8.3.8.1.1.1 Input Overvoltage (ACOV)
            2. 8.3.8.1.1.2 System Overvoltage Protection (SYSOVP)
        2. 8.3.8.2 Voltage and Current Monitoring in Boost Mode
          1. 8.3.8.2.1 VBUS Soft Start
          2. 8.3.8.2.2 VBUS Output Protection
          3. 8.3.8.2.3 Boost Mode Overvoltage Protection
        3. 8.3.8.3 Thermal Regulation and Thermal Shutdown
          1. 8.3.8.3.1 Thermal Protection in Buck Mode
          2. 8.3.8.3.2 Thermal Protection in Boost Mode
        4. 8.3.8.4 Battery Protection
          1. 8.3.8.4.1 Battery Overvoltage Protection (BATOVP)
          2. 8.3.8.4.2 Battery Overdischarge Protection
          3. 8.3.8.4.3 System Overcurrent Protection
    4. 8.4 Device Functional Modes
      1. 8.4.1 Narrow VDC Architecture
      2. 8.4.2 Dynamic Power Management
      3. 8.4.3 Supplement Mode
      4. 8.4.4 Shipping Mode and QON Pin
        1. 8.4.4.1 BATFET Disable Mode (Shipping Mode)
        2. 8.4.4.2 BATFET Enable (Exit Shipping Mode)
        3. 8.4.4.3 BATFET Full System Reset
        4. 8.4.4.4 QON Pin Operations
      5. 8.4.5 Status Outputs ( PG, STAT, INT )
        1. 8.4.5.1 Power Good Indicator ( PG Pin and PG_STAT Bit)
        2. 8.4.5.2 Charging Status Indicator (STAT)
        3. 8.4.5.3 Interrupt to Host ( INT)
    5. 8.5 Programming
      1. 8.5.1 Serial Interface
        1. 8.5.1.1 Data Validity
        2. 8.5.1.2 START and STOP Conditions
        3. 8.5.1.3 Byte Format
        4. 8.5.1.4 Acknowledge (ACK) and Not Acknowledge (NACK)
        5. 8.5.1.5 Slave Address and Data Direction Bit
        6. 8.5.1.6 Single Read and Write
        7. 8.5.1.7 Multi-Read and Multi-Write
    6. 8.6 Register Maps
      1. 8.6.1  REG00
      2. 8.6.2  REG01
      3. 8.6.3  REG02
      4. 8.6.4  REG03
      5. 8.6.5  REG04
      6. 8.6.6  REG05
      7. 8.6.7  REG06
      8. 8.6.8  REG07
      9. 8.6.9  REG08
      10. 8.6.10 REG09
      11. 8.6.11 REG0A
      12. 8.6.12 REG0B
  9. Application and Implementation
    1. 9.1 Application Information
    2. 9.2 Typical Application
      1. 9.2.1 Design Requirements
      2. 9.2.2 Detailed Design Procedure
        1. 9.2.2.1 Inductor Selection
        2. 9.2.2.2 Input Capacitor
        3. 9.2.2.3 Output Capacitor
      3. 9.2.3 Application Curves
  10. 10Power Supply Recommendations
  11. 11Layout
    1. 11.1 Layout Guidelines
    2. 11.2 Layout Example
  12. 12Device and Documentation Support
    1. 12.1 Device Support
      1. 12.1.1 第三方产品免责声明
    2. 12.2 接收文档更新通知
    3. 12.3 支持资源
    4. 12.4 Trademarks
    5. 12.5 Electrostatic Discharge Caution
    6. 12.6 术语表
  13. 13Mechanical, Packaging, and Orderable Information

封装选项

机械数据 (封装 | 引脚)
散热焊盘机械数据 (封装 | 引脚)
订购信息

Layout Example

GUID-15A23959-E6EB-455F-B539-E71B054BDBA6-low.gifFigure 11-1 High Frequency Current Path