ZHCSKL0D December   2009  – December 2019 BQ24610 , BQ24617

PRODUCTION DATA.  

  1. 特性
  2. 应用
  3. 说明
    1.     Device Images
      1.      简化原理图
  4. 修订历史记录
  5. 说明 (续)
  6. Device Comparison Table
  7. Pin Configuration and Functions
    1.     Pin Functions
  8. Specifications
    1. 8.1 Absolute Maximum Ratings
    2. 8.2 ESD Ratings
    3. 8.3 Recommended Operating Conditions
    4. 8.4 Thermal Information
    5. 8.5 Electrical Characteristics
    6. 8.6 Typical Characteristics
  9. Detailed Description
    1. 9.1 Overview
    2. 9.2 Functional Block Diagram
    3. 9.3 Feature Description
      1. 9.3.1  Battery Voltage Regulation
      2. 9.3.2  Battery Current Regulation
      3. 9.3.3  Input Adapter Current Regulation
      4. 9.3.4  Precharge
      5. 9.3.5  Charge Termination, Recharge, and Safety Timer
      6. 9.3.6  Power Up
      7. 9.3.7  Enable and Disable Charging
      8. 9.3.8  System Power Selector
      9. 9.3.9  Automatic Internal Soft-Start Charger Current
      10. 9.3.10 Converter Operation
      11. 9.3.11 Synchronous and Nonsynchronous Operation
      12. 9.3.12 Cycle-by-Cycle Charge Undercurrent Protection
      13. 9.3.13 Input Overvoltage Protection (ACOV)
      14. 9.3.14 Input Undervoltage Lockout (UVLO)
      15. 9.3.15 Battery Overvoltage Protection
      16. 9.3.16 Cycle-by-Cycle Charge Overcurrent Protection
      17. 9.3.17 Thermal Shutdown Protection
      18. 9.3.18 Temperature Qualification
      19. 9.3.19 Timer Fault Recovery
      20. 9.3.20 PG Output
      21. 9.3.21 CE (Charge Enable)
      22. 9.3.22 Charge Status Outputs
      23. 9.3.23 Battery Detection
    4. 9.4 Device Functional Modes
  10. 10Application and Implementation
    1. 10.1 Application Information
    2. 10.2 Typical Applications
      1. 10.2.1 System with Power Path
        1. 10.2.1.1 Design Requirements
        2. 10.2.1.2 Detailed Design Procedure
          1. 10.2.1.2.1 Inductor Selection
          2. 10.2.1.2.2 Input Capacitor
          3. 10.2.1.2.3 Output Capacitor
          4. 10.2.1.2.4 Power MOSFETs Selection
          5. 10.2.1.2.5 Input Filter Design
          6. 10.2.1.2.6 Inductor, Capacitor, and Sense Resistor Selection Guidelines
        3. 10.2.1.3 Application Curves
      2. 10.2.2 Simplified System without Power Path or DPM
        1. 10.2.2.1 Design Requirements
        2. 10.2.2.2 Detailed Design Procedure
        3. 10.2.2.3 Application Curves
      3. 10.2.3 Lead-Acid Charging System
        1. 10.2.3.1 Design Requirements
        2. 10.2.3.2 Detailed Design Procedure
        3. 10.2.3.3 Application Curves
  11. 11Power Supply Recommendations
  12. 12Layout
    1. 12.1 Layout Guidelines
    2. 12.2 Layout Example
  13. 13器件和文档支持
    1. 13.1 器件支持
      1. 13.1.1 第三方产品免责声明
    2. 13.2 相关链接
    3. 13.3 接收文档更新通知
    4. 13.4 支持资源
    5. 13.5 商标
    6. 13.6 静电放电警告
    7. 13.7 Glossary
  14. 14机械、封装和可订购信息

封装选项

机械数据 (封装 | 引脚)
散热焊盘机械数据 (封装 | 引脚)
订购信息

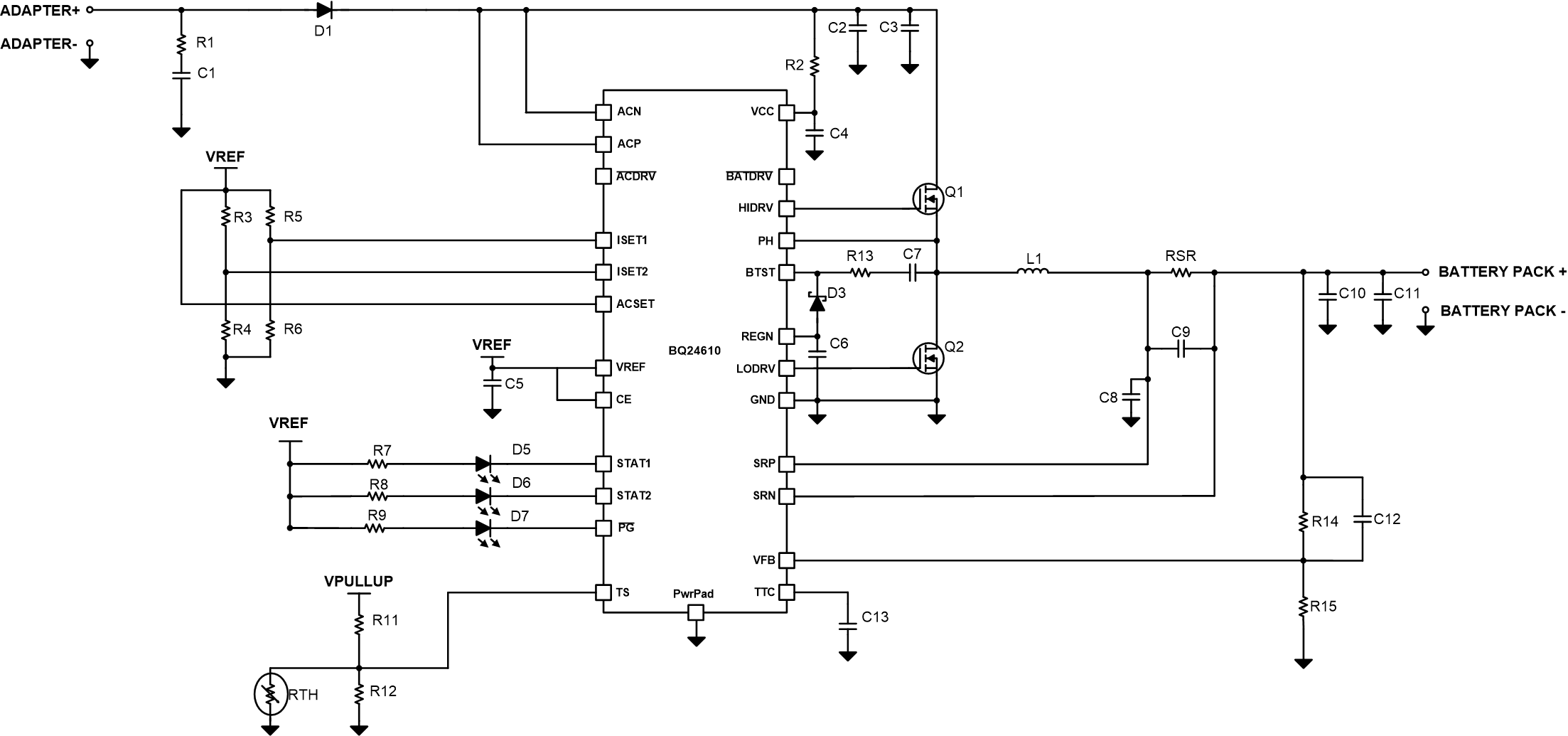
Simplified System without Power Path or DPM

BQ24610 is a standalone 1-6 cell customizable charge controller, andFigure 24 simplified schematic shows if Power Path or DPM features are not required. To disable Power Path, BATDRV can be left floating. External components can be further simplified by using a reverse blocking diode, if back to back reverse protection input FET are not required, and ACDRV can be left floating. If DPM feature is not required, ACN and ACP can be tied to VCC and ACSET can be tied directly to VREF.

BQ24610 BQ24617 BQ24610-Datasheet.gifFigure 24. Simplified System Schematic without Power Path or DPM