SLUS805C April 2008 – August 2015
PRODUCTION DATA.
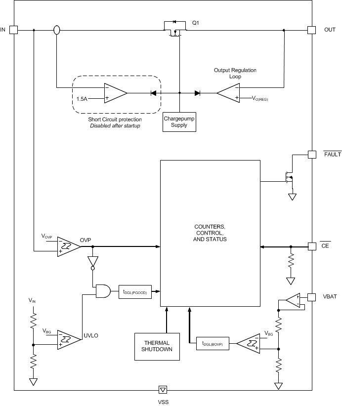
The bq2438x is a highly integrated circuit designed to provide protection to Li-ion batteries from failures of the charging circuit and the input source. The device continuously monitors the input voltage and the battery voltage. The device operates like a linear regulator, maintaining a 5.5-V (bq24380) or 5-V (bq24381, bq24382) output with input voltages up to the input overvoltage threshold (VOVP). If the input voltage exceeds VOVP, the device shuts off the pass FET and disconnects the system from input power. Additionally, if the battery voltage rises above 4.35 V, the device switches off the pass FET, removing the power from the system until the battery voltage falls to safe levels. The device also monitors its die temperature and switches the pass FET off if it exceeds 140°C.
The device can be controlled by a processor, and also provides status information about fault conditions to the host.

The OUT output of the bq2438x operates similar to a linear regulator. While the input voltage is less than VO(REG) and above the UVLO, the output voltage tracks the input voltage (less the drop caused by RDS(on) of the pass FET). When the input voltage is greater than VO(REG) (plus the RDS(on) drop) and less than VOVP, the output voltage is regulated to VO(REG). VO(REG) is 5.5 V for the bq24380 and 5 V for both the bq24381 and bq24382. If the input voltage is increased above VOVP, the internal pass FET is turned off, removing power from the charging circuitry connected to OUT. The FAULT output is then asserted low. When the input voltage drops below VOVP – Vhys(OVP) (but is still above UVLO), the pass FET is turned on after a deglitch time of tREC(OVP) to ensure that the input supply has stabilized. The condition 5 in Figure 1 illustrates an input overvoltage event.
The battery overvoltage threshold BVOVP is internally set to 4.35 V for the bq2438x. Condition 3 in Figure 1 illustrates a battery overvoltage event. If the battery voltage exceeds the BVOVP threshold for longer than tDGL(BVovp), the pass FET is turned off (using soft-stop), and FAULT is asserted low. The pass FET is turned on (using the soft-start sequence) once the battery voltage drops to BVOVP – Vhys(BVovp).
If the junction temperature of the device exceeds TJ(OFF), the pass FET is turned off and the FAULT output is asserted low. The FET is turned back on when the junction temperature falls below TJ(OFF) – TJ(OFF-HYS).
The bq2438x features overload current protection during start-up. The condition 1 in Figure 1 illustrates start-up into an overload condition. If after the eight soft-start steps are complete and the current limit is exceeded, the device initiates a short-circuit check timer (tCHK(SC)). During this check, the current is clamped to IO(SC). If the 5-ms tCHK(SC) timer expires and the current remains clamped by the current limit, the internal pass FET is turned off using the soft-stop method, FAULT is pulled low, and the tREC(SC) timer begins. Once the tREC(SC) timer expires, FAULT becomes high impedance and the soft-start sequence restarts. The device repeats the start/fail sequence until the overload condition is removed. Once the overload condition is removed, the current-limit circuitry is disabled and the device enters normal operation. Additionally, if the current is not limited after the completion of the soft-start sequence, the tCHK(SC) timer does not start and the current limit circuitry is disabled for normal operation.
The device has an enable pin which is used to enable and disable the device. Connect the CE pin high to turn off the internal pass FET. Connect the CE pin low to turn on the internal pass FET and enter the start-up routine. The CE pin has an internal pulldown resistor and can be left unconnected. The FAULT pin is high impedance when the CE pin is high.
The FAULT pin is an active-low, open-drain output. It is in a high-impedance state when operating conditions are safe, or when the device is disabled by setting CE high. With CE low, the FAULT pin goes low whenever any of these events occurs:
See Figure 1 for an example of FAULT conditions during these events. Connect the FAULT pin to the desired logic-level voltage rail through a resistor between 1 kΩ and 50 kΩ.
The bq2438x device continuously monitors the input voltage and the battery voltage. As long as the input voltage is less than VOVP, the output voltage tracks the input voltage (less the drop caused by RDSON of Q1). During fault conditions, the internal FET is turned off and the output is isolated from the input source.
The device remains in POWER-DOWN mode when the input voltage at the IN pin is below the undervoltage threshold (UVLO) of 2.8 V. The FET connected between the IN and OUT pins is off, and the status output, FAULT, is set to HI-Z.
The device resets when the input voltage at the IN pin exceeds the UVLO threshold. During power-on reset, the device waits for duration tDGL(PGOOD) for the input voltage to stabilize. If, after tDGL(PGOOD), the input voltage and battery voltage are within operation limits, the pass FET is turned ON. The device has a soft-start feature to control the inrush current. The soft-start minimizes the ringing at the input due to the resonant circuit formed by the parasitic inductance of the adapter cable and the input bypass capacitor. During the soft-start time, tSStart, the current limit is stepped up in 8 equal steps every 625 μs. Each step is one-eighth of the IO(SC). After the soft-start sequence is over, the device samples the load current. If the load current exceeds IO(SC), the device initiates short circuit protection. See the Startup Short-Circuit Protection section for details. If no overcurrent event is measured, the current-monitoring circuitry is disabled for normal operation.
In the event a short-circuit is detected at power-on, to prevent the input voltage from spiking up when the pass FET is switched off (due to the inductance of the input cable), The pass FET is turned off by gradually reducing its gate-drive, resulting in a soft-stop (tSStop).