ZHCSJP0A May   2019  – November 2019 ATL431LI-Q1 , ATL432LI-Q1

PRODUCTION DATA.  

  1. 特性
  2. 应用
  3. 说明
    1.     Device Images
      1.      简化原理图
  4. 修订历史记录
  5. Device Comparison Table
  6. Pin Configuration and Functions
    1.     Pin Functions
  7. Specifications
    1. 7.1 Absolute Maximum Ratings
    2. 7.2 ESD Ratings
    3. 7.3 Recommended Operating Conditions
    4. 7.4 Thermal Information
    5. 7.5 Electrical Characteristics
    6. 7.6 Typical Characteristics
  8. Parameter Measurement Information
    1. 8.1 Temperature Coefficient
    2. 8.2 Dynamic Impedance
  9. Detailed Description
    1. 9.1 Overview
    2. 9.2 Functional Block Diagram
    3. 9.3 Feature Description
    4. 9.4 Device Functional Modes
      1. 9.4.1 Open Loop (Comparator)
      2. 9.4.2 Closed Loop
  10. 10Applications and Implementation
    1. 10.1 Application Information
    2. 10.2 Typical Applications
      1. 10.2.1 Comparator With Integrated Reference
      2. 10.2.2 Design Requirements
      3. 10.2.3 Detailed Design Procedure
        1. 10.2.3.1 Basic Operation
          1. 10.2.3.1.1 Overdrive
        2. 10.2.3.2 Output Voltage and Logic Input Level
          1. 10.2.3.2.1 Input Resistance
      4. 10.2.4 Application Curves
      5. 10.2.5 Precision LED Lighting Current Sink Regulator
        1. 10.2.5.1 Design Requirements
        2. 10.2.5.2 Detailed Design Procedure
          1. 10.2.5.2.1 Basic Operation
            1. 10.2.5.2.1.1 Output Current Range and Accuracy
          2. 10.2.5.2.2 Power Consumption
      6. 10.2.6 Shunt Regulator/Reference
        1. 10.2.6.1 Design Requirements
        2. 10.2.6.2 Detailed Design Procedure
          1. 10.2.6.2.1 Programming Output/Cathode Voltage
          2. 10.2.6.2.2 Total Accuracy
          3. 10.2.6.2.3 Stability
          4. 10.2.6.2.4 Start-Up Time
        3. 10.2.6.3 Application Curves
      7. 10.2.7 Isolated Flyback with Optocoupler
        1. 10.2.7.1 Design Requirements
          1. 10.2.7.1.1 Detailed Design Procedure
            1. 10.2.7.1.1.1 ATL431LI-Q1 Biasing
            2. 10.2.7.1.1.2 Resistor Feedback Network
      8. 10.2.8 Adjustable Reference for Tracking LDO
        1. 10.2.8.1 Design Requirements
        2. 10.2.8.2 Detailed Design Procedure
          1. 10.2.8.2.1 External Capacitors
    3. 10.3 System Examples
  11. 11Power Supply Recommendations
  12. 12Layout
    1. 12.1 Layout Guidelines
    2. 12.2 Layout Example
  13. 13器件和文档支持
    1. 13.1 器件支持
      1. 13.1.1 器件命名规则
    2. 13.2 文档支持
      1. 13.2.1 相关文档
    3. 13.3 相关链接
    4. 13.4 接收文档更新通知
    5. 13.5 支持资源
    6. 13.6 商标
    7. 13.7 静电放电警告
    8. 13.8 Glossary
  14. 14机械、封装和可订购信息

封装选项

机械数据 (封装 | 引脚)
散热焊盘机械数据 (封装 | 引脚)
订购信息

System Examples

ATL431LI-Q1 ATL432LI-Q1 ai_prec_hi_curr_ser_slvsdu6.gif
R should provide cathode current ≥ 80 µA to the ATL431LI-Q1 at minimum V(BATT).
Figure 31. Precision High-Current Series Regulator
ATL431LI-Q1 ATL432LI-Q1 ai_out_ctrl_3term_slvsdu6.gifFigure 32. Output Control of a Three-Terminal Fixed Regulator
ATL431LI-Q1 ATL432LI-Q1 ai_high_curr_shunt_slvsdu6.gifFigure 33. High-Current Shunt Regulator
ATL431LI-Q1 ATL432LI-Q1 ai_crowbar_slvsdu6.gif
Refer to the stability boundary conditions in Figure 13 to determine allowable values for C.
Figure 34. Crowbar Circuit
ATL431LI-Q1 ATL432LI-Q1 ai_prec_5v_1p5a_reg_slvsdu6.gifFigure 35. Precision 5-V, 1.5-A Regulator
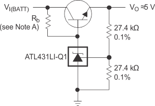
ATL431LI-Q1 ATL432LI-Q1 ai_efficient_5v_slvsdu6.gif
Rb should provide cathode current ≥80 µA to the ATL431LI-Q1.
Figure 36. Efficient 5-V Low-Dropout (LDO) Regulator Configuration
ATL431LI-Q1 ATL432LI-Q1 ai_pwm_conv_slvsdu6.gifFigure 37. PWM Converter With Reference
ATL431LI-Q1 ATL432LI-Q1 ai_voltage_monitor_slvsdu6.gif
Select R3 and R4 to provide the desired LED intensity and cathode current ≥80 µA to the ATL431LI-Q1 at the available VI(BATT).
Figure 38. Voltage Monitor
ATL431LI-Q1 ATL432LI-Q1 ai_delay_timer_slvsdu6.gifFigure 39. Delay Timer
ATL431LI-Q1 ATL432LI-Q1 ai_prec_curr_limit_slvsdu6.gifFigure 40. Precision Current Limiter
ATL431LI-Q1 ATL432LI-Q1 ai_prec_const_curr_slvsdu6.gifFigure 41. Precision Constant-Current Sink