ZHCSI02I May   1995  – April 2024 AM26LV31

PRODUCTION DATA  

  1.   1
  2. 特性
  3. 应用
  4. 说明
  5. Pin Configuration and Functions
  6. Specifications
    1. 5.1 Absolute Maximum Ratings
    2. 5.2 ESD Ratings
    3. 5.3 Recommended Operating Conditions
    4. 5.4 Thermal Information
    5. 5.5 Electrical Characteristics
    6. 5.6 Switching Characteristics
    7. 5.7 Typical Characteristics
  7. Parameter Measurement Information
  8. Detailed Description
    1. 7.1 Overview
    2. 7.2 Functional Block Diagram
    3. 7.3 Feature Description
      1. 7.3.1 Active high and active low
      2. 7.3.2 Operates from a 3.3-V Supply with up to 5-V Logic
      3. 7.3.3 High Speed Transmission
    4. 7.4 Device Functional Modes
  9. Application and Implementation
    1. 8.1 Application Information
    2. 8.2 Typical Application
      1. 8.2.1 Design Requirements
      2. 8.2.2 Detailed Design Procedure
      3. 8.2.3 Application Curves
    3. 8.3 Power Supply Recommendations
    4. 8.4 Layout
      1. 8.4.1 Layout Guidelines
      2. 8.4.2 Layout Example
  10. Device and Documentation Support
    1. 9.1 Device Support
      1. 9.1.1 Development Support
    2. 9.2 接收文档更新通知
    3. 9.3 支持资源
    4. 9.4 Trademarks
    5. 9.5 静电放电警告
    6. 9.6 术语表
  11. 10Revision History
  12. 11Mechanical, Packaging, and Orderable Information

封装选项

请参考 PDF 数据表获取器件具体的封装图。

机械数据 (封装 | 引脚)
  • NS|16
  • D|16
散热焊盘机械数据 (封装 | 引脚)
订购信息

说明

AM26LV31C 和 AM26LV31I 是具有三态输出的 BiCMOS 四路差分线路驱动器。它们与 TIA/EIA-422-B 和 ITU Recommendation V.11 驱动器类似,但电源电压范围较小。

这些器件经过优化,可在高达 32MHz 的开关速率下实现平衡总线传输。输出端可提供非常高的电流,从而驱动双绞线传输线路等平衡线路,并在关断情况下提供高阻抗。四个驱动器均具有使能功能,该功能提供了两种可选输入:有源高电平使能输入和有源低电平使能输入。AM26LV31C 和 AM26LV31I 使用德州仪器 (TI) 专有 LinIMPACT-C60™ 技术进行设计,有助于在不影响速度的情况下实现超低功耗。这些器件会在与 AM26LV32 四路线路接收器配合使用时提供最佳的性能。

AM26LV31C 的额定工作温度范围为 0°C 至 70°C。AM26LV31I 的额定工作温度范围为 -45°C 至 85°C。

封装信息
器件型号 封装(1) 封装尺寸(2)
AM26LV31C SOIC (D) 16 9.9mm x 6mm
AM26LV31I SOIC (D) 16 9.9mm x 6mm
SO (NS) 16 10.2mm x 7.8mm
有关更多信息,请参阅节 11
封装尺寸(长 × 宽)为标称值,并包括引脚(如适用)。
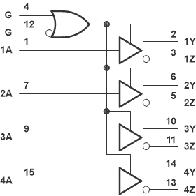
AM26LV31 逻辑图(正逻辑)逻辑图(正逻辑)