ZHCSGC8A March   2014  – June 2017 AFE5401-Q1

PRODUCTION DATA.  

  1. 特性
  2. 应用
  3. 说明
  4. 修订历史记录
  5. Pin Configuration and Functions
  6. Specifications
    1. 6.1  Absolute Maximum Ratings
    2. 6.2  ESD Ratings
    3. 6.3  Recommended Operating Conditions
    4. 6.4  Thermal Information
    5. 6.5  Electrical Characteristics
    6. 6.6  Digital Characteristics
    7. 6.7  Timing Requirements: Output Interface
    8. 6.8  Timing Requirements: RESET
    9. 6.9  Timing Requirements: Serial Interface Operation
    10. 6.10 Typical Characteristics
  7. Parameter Measurement Information
    1. 7.1 Timing Requirements: Across Output Serialization Modes
  8. Detailed Description
    1. 8.1 Overview
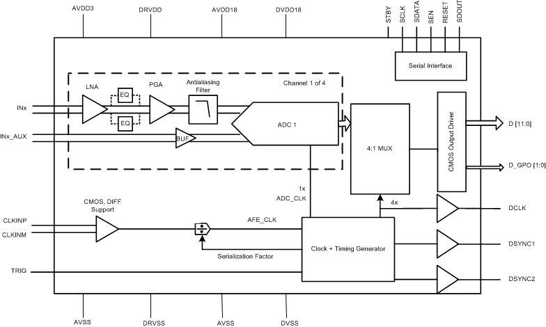
    2. 8.2 Functional Block Diagram
    3. 8.3 Feature Description
      1. 8.3.1 Low-Noise Amplifier (LNA)
      2. 8.3.2 Programmable Gain Amplifier (PGA)
      3. 8.3.3 Antialiasing Filter
      4. 8.3.4 Analog-to-Digital Converter (ADC)
      5. 8.3.5 Digital Gain
      6. 8.3.6 Input Clock Divider
      7. 8.3.7 Data Output Serialization
      8. 8.3.8 Setting the Input Common-Mode Voltage for the Analog Inputs
        1. 8.3.8.1 Main Channels
        2. 8.3.8.2 Auxiliary Channel
    4. 8.4 Device Functional Modes
      1. 8.4.1 Equalizer Mode
      2. 8.4.2 Data Output Mode
        1. 8.4.2.1 Header
        2. 8.4.2.2 Test Pattern Mode
      3. 8.4.3 Parity
      4. 8.4.4 Standby, Power-Down Mode
      5. 8.4.5 Digital Filtering to Improve Stop-Band Attenuation
        1. 8.4.5.1 Decimate-by-2 Mode
        2. 8.4.5.2 Decimate-by-4 Mode
      6. 8.4.6 Diagnostic Mode
      7. 8.4.7 Signal Chain Probe
    5. 8.5 Programming
      1. 8.5.1 Serial Interface
      2. 8.5.2 Register Initialization
        1. 8.5.2.1 Register Write Mode
        2. 8.5.2.2 Register Read Mode
      3. 8.5.3 CMOS Output Interface
        1. 8.5.3.1 Synchronization and Triggering
    6. 8.6 Register Maps
      1. 8.6.1 Functional Register Map
      2. 8.6.2 Register Descriptions
  9. Application and Implementation
    1. 9.1 Application Information
    2. 9.2 Typical Application
      1. 9.2.1 Design Requirements
      2. 9.2.2 Detailed Design Procedure
      3. 9.2.3 Application Curves
  10. 10Power Supply Recommendations
    1. 10.1 Power Supply Sequencing
    2. 10.2 Power Supply Decoupling
  11. 11Layout
    1. 11.1 Layout Guidelines
    2. 11.2 Layout Example
  12. 12器件和文档支持
    1. 12.1 文档支持
      1. 12.1.1 相关文档
    2. 12.2 接收文档更新通知
    3. 12.3 社区资源
    4. 12.4 商标
    5. 12.5 静电放电警告
    6. 12.6 Glossary
  13. 13机械、封装和可订购信息

封装选项

机械数据 (封装 | 引脚)
散热焊盘机械数据 (封装 | 引脚)
订购信息

特性

  • 符合汽车应用 标准
  • 具有符合 AEC-Q100 的下列结果:
    • 器件温度 1 级:-40°C 至 125°C 的环境运行温度范围
    • 器件人体模型 (HBM) 静电放电 (ESD) 分类等级 2
    • 器件组件充电模式 (CDM) ESD 分类等级 C4B
  • 集成模拟前端包括:
    • 四路 LNA、均衡器、PGA、抗混叠滤波器和 ADC
  • 30dB PGA 增益时的输入相关噪声:
    • 对于 15dB LNA 增益为 2.9nV/√Hz
    • HIGH_POW_LNA 模式下,对于 18dB LNA 增益为 2.0nV/√Hz
  • 通道上的同时采样
  • 可编程 LNA 增益
    12dB,15dB,16.5dB 和 18dB
  • 可编程均衡器模式
  • 内置诊断模式
  • 温度传感器
  • 可编程增益放大器 (PGA):
    • 0dB 至 30dB(步长 3dB)
  • 可编程、三阶、抗混叠滤波器:
    • 7MHz,8MHz,10.5MHz 和 12MHz
  • 模数转换器 (ADC):
    • 四通道,每通道 12 位,25 每秒百万次采样 (MSPS)
    • 无需为基准提供外部去耦合
  • 并行 CMOS 输出
  • 每通道速率为 25MSPS 时,每通道总内核功率为 64mW
  • 电源:1.8V 和 3.3V
  • 封装:9mm x 9mm 超薄四方扁平无引线 (VQFN)-64

应用

  • 汽车雷达
  • 数据采集
  • SONAR™

说明

AFE5401-Q1 是一款模拟前端 (AFE),主要面向 注重 集成度的应用。此器件包括四个通道,其中每个通道由一个低噪声放大器 (LNA),一个可编程均衡器 (EQ),一个可编程增益放大器 (PGA),和一个抗混叠滤波器,以及后面的高速,12 位模数转换器 (ADC) 组成,每通道速度 25MSPS。

四个差分输入对中的每一个由 LNA 放大,之后是一个可调增益范围在 0dB 至 30dB 之间的 PGA。对于每条通道,在 PGA 和 ADC 之间还集成了一个抗混叠、低通滤波器 (LPF)。

每个 LNA,PGA 和抗混叠滤波器输出为差分输出(被限制在 2VPP)。抗混叠滤波器驱动片上,12 位,25MSPS ADC。四个 ADC 输出在一条 12 位,并行,CMOS 输出总线上复用。

此器件采用 9mm x 9mm VQFN-64 封装,并且在 -40°C 至 +105°C 的温度范围内额定运行。要获得更多信息,请与 AFE5401_info@list.ti.com 联系。

器件信息(1)

器件型号 封装 封装尺寸(标称值)
AFE5401-Q1 VQFN (64) 9.00mm x 9.00mm
  1. 要了解所有可用封装,请参阅数据表末尾的可订购产品附录。

简化电路原理图

AFE5401-Q1 alt_sbas619.gif