ZHCSGU6A september   2017  – july 2023 ADS8588H

PRODUCTION DATA  

  1.   1
  2. 特性
  3. 应用
  4. 说明
  5. Revision History
  6. Pin Configuration and Functions
  7. Specifications
    1. 6.1  Absolute Maximum Ratings
    2. 6.2  ESD Ratings
    3. 6.3  Recommended Operating Conditions
    4. 6.4  Thermal Information
    5. 6.5  Electrical Characteristics
    6. 6.6  Timing Requirements: CONVST Control
    7. 6.7  Timing Requirements: Data Read Operation
    8. 6.8  Timing Requirements: Parallel Data Read Operation, CS and RD Tied Together
    9. 6.9  Timing Requirements: Parallel Data Read Operation, CS and RD Separate
    10. 6.10 Timing Requirements: Serial Data Read Operation
    11. 6.11 Timing Requirements: Byte Mode Data Read Operation
    12. 6.12 Timing Requirements: Oversampling Mode
    13. 6.13 Timing Requirements: Exit Standby Mode
    14. 6.14 Timing Requirements: Exit Shutdown Mode
    15. 6.15 Switching Characteristics: CONVST Control
    16. 6.16 Switching Characteristics: Parallel Data Read Operation, CS and RD Tied Together
    17. 6.17 Switching Characteristics: Parallel Data Read Operation, CS and RD Separate
    18. 6.18 Switching Characteristics: Serial Data Read Operation
    19. 6.19 Switching Characteristics: Byte Mode Data Read Operation
    20. 6.20 Timing Diagrams
    21. 6.21 Typical Characteristics
  8. Detailed Description
    1. 7.1 Overview
    2. 7.2 Functional Block Diagram
    3. 7.3 Feature Description
      1. 7.3.1  Analog Inputs
      2. 7.3.2  Analog Input Impedance
      3. 7.3.3  Input Clamp Protection Circuit
      4. 7.3.4  Programmable Gain Amplifier (PGA)
      5. 7.3.5  Third-Order, Low-Pass Filter (LPF)
      6. 7.3.6  ADC Driver
      7. 7.3.7  Digital Filter and Noise
      8. 7.3.8  Reference
        1. 7.3.8.1 Internal Reference
        2. 7.3.8.2 External Reference
        3. 7.3.8.3 Supplying One VREF to Multiple Devices
      9. 7.3.9  ADC Transfer Function
      10. 7.3.10 ADS8588H Device Family Comparison
    4. 7.4 Device Functional Modes
      1. 7.4.1 Device Interface: Pin Description
        1. 7.4.1.1  REFSEL (Input)
        2. 7.4.1.2  RANGE (Input)
        3. 7.4.1.3  STBY (Input)
        4. 7.4.1.4  PAR/SER/BYTE SEL (Input)
        5. 7.4.1.5  CONVSTA, CONVSTB (Input)
        6. 7.4.1.6  RESET (Input)
        7. 7.4.1.7  RD/SCLK (Input)
        8. 7.4.1.8  CS (Input)
        9. 7.4.1.9  OS[2:0]
        10. 7.4.1.10 BUSY (Output)
        11. 7.4.1.11 FRSTDATA (Output)
        12. 7.4.1.12 DB15/BYTE SEL
        13. 7.4.1.13 DB14/HBEN
        14. 7.4.1.14 DB[13:9]
        15. 7.4.1.15 DB8/DOUTB
        16. 7.4.1.16 DB7/DOUTA
        17. 7.4.1.17 DB[6:0]
      2. 7.4.2 Device Modes of Operation
        1. 7.4.2.1 Power-Down Modes
          1. 7.4.2.1.1 Standby Mode
          2. 7.4.2.1.2 Shutdown Mode
        2. 7.4.2.2 Conversion Control
          1. 7.4.2.2.1 Simultaneous Sampling on All Input Channels
          2. 7.4.2.2.2 Simultaneous Sampling Two Sets of Input Channels
        3. 7.4.2.3 Data Read Operation
          1. 7.4.2.3.1 Parallel Data Read
          2. 7.4.2.3.2 Parallel Byte Data Read
          3. 7.4.2.3.3 Serial Data Read
          4. 7.4.2.3.4 Data Read During Conversion
        4. 7.4.2.4 Oversampling Mode of Operation
  9. Application and Implementation
    1. 8.1 Application Information
    2. 8.2 Typical Application
      1. 8.2.1 Design Requirements
      2. 8.2.2 Detailed Design Procedure
      3. 8.2.3 Application Curve
    3. 8.3 Power Supply Recommendations
    4. 8.4 Layout
      1. 8.4.1 Layout Guidelines
      2. 8.4.2 Layout Examples
  10. Device and Documentation Support
    1. 9.1 Documentation Support
      1. 9.1.1 Related Documentation
    2. 9.2 接收文档更新通知
    3. 9.3 支持资源
    4. 9.4 Trademarks
    5. 9.5 静电放电警告
    6. 9.6 术语表
  11. 10Mechanical, Packaging, and Orderable Information

封装选项

机械数据 (封装 | 引脚)
散热焊盘机械数据 (封装 | 引脚)
订购信息

Timing Diagrams

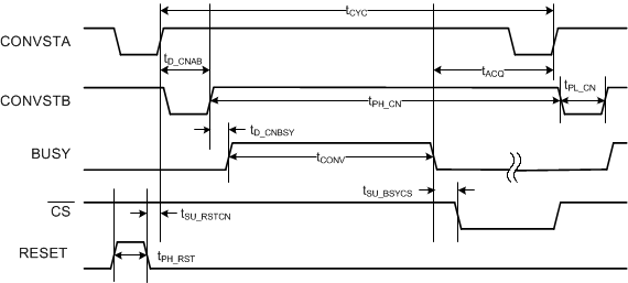
GUID-CC427B65-3FD5-4F3A-A8E3-3A4B24FE1D31-low.gif Figure 6-1 CONVST Control Timing Diagram
GUID-4160D25A-87D7-407C-AA96-4C941F9E2829-low.gif Figure 6-2 Data Read Operation Timing Diagram
GUID-78A19D7A-9FEF-4D4A-8309-48BA397DA8A4-low.gif Figure 6-3 Parallel Data Read Operation, CS and RD Tied Together
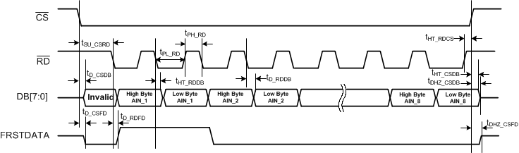
GUID-C6A13D6E-5CEF-43B2-AB3B-DBC59FC23656-low.gif Figure 6-4 Parallel Data Read Operation, CS and RD Separate
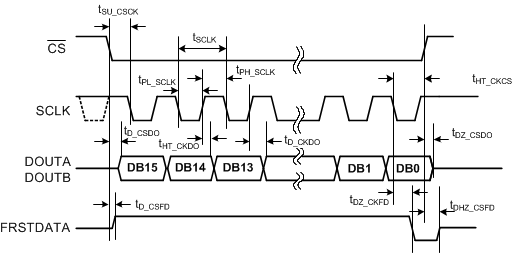
GUID-03283E28-99D6-4823-8F25-76AAB14B7955-low.gif Figure 6-5 Serial Data Read Operation Timing Diagram
GUID-7D37EC5F-1447-4498-A018-B1B7A6DEA30D-low.gif Figure 6-6 Byte Mode Data Read Operation Timing Diagram
GUID-7E080A3A-F3C9-4E56-AA7B-B7530966C835-low.gif Figure 6-7 Oversampling Mode Timing Diagram
GUID-D3D57B46-06E4-4640-B3EE-695B6138B717-low.gif Figure 6-8 Exit Standby Mode Timing Diagram
GUID-D5ABE1A3-5746-422F-93F4-478CDEE4E157-low.gif Figure 6-9 Exit Shutdown Mode Timing Diagram