SLAS492B September   2005  – August 2016 ADS7886

PRODUCTION DATA.  

  1. Features
  2. Applications
  3. Description
  4. Revision History
  5. Device Comparison Table
  6. Pin Configuration and Functions
  7. Specifications
    1. 7.1 Absolute Maximum Ratings
    2. 7.2 ESD Ratings
    3. 7.3 Recommended Operating Conditions
    4. 7.4 Thermal Information
    5. 7.5 Electrical Characteristics
    6. 7.6 Timing Requirements
    7. 7.7 Typical Characteristics
  8. Detailed Description
    1. 8.1 Overview
    2. 8.2 Functional Block Diagram
    3. 8.3 Feature Description
      1. 8.3.1 Driving the VIN and VDD Pins
    4. 8.4 Device Functional Modes
      1. 8.4.1 Normal Operation
      2. 8.4.2 Power Down Mode
  9. Application and Implementation
    1. 9.1 Application Information
    2. 9.2 Typical Application
      1. 9.2.1 Design Requirements
      2. 9.2.2 Detailed Design Procedure
      3. 9.2.3 Application Curves
  10. 10Power Supply Recommendations
  11. 11Layout
    1. 11.1 Layout Guidelines
    2. 11.2 Layout Example
  12. 12Device and Documentation Support
    1. 12.1 Documentation Support
      1. 12.1.1 Related Documentation
    2. 12.2 Receiving Notification of Documentation Updates
    3. 12.3 Community Resource
    4. 12.4 Trademarks
    5. 12.5 Electrostatic Discharge Caution
    6. 12.6 Glossary
  13. 13Mechanical, Packaging, and Orderable Information

封装选项

机械数据 (封装 | 引脚)
散热焊盘机械数据 (封装 | 引脚)
订购信息

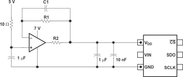
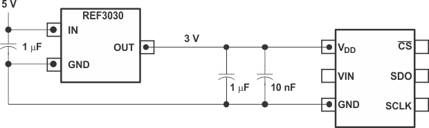
10 Power Supply Recommendations

The reference voltage for the ADS7886 A/D converter is derived from the supply voltage internally. The supply to ADS7886 should be driven with a low impedance source and should be decoupled to the ground. Decouple the VDD with 1-µF ceramic decoupling capacitors, as shown in Figure 32. Always set the VDD supply to be greater than or equal to the maximum input signal to avoid saturation of codes.

ADS7886 sp_ref_cap_las492.gif Figure 32. Supply/Reference Decoupling Capacitors
ADS7886 ref_las492.gif Figure 33. Using the REF3030 Reference
ADS7886 buff_las492.gif Figure 34. Buffering With the OPA735