ZHCSF28B May 2016 – January 2017 ADS54J20
PRODUCTION DATA.
NOTE
Information in the following applications sections is not part of the TI component specification, and TI does not warrant its accuracy or completeness. TI’s customers are responsible for determining suitability of components for their purposes. Customers should validate and test their design implementation to confirm system functionality.
The steps described in Table 65 are recommended as the power-up sequence with the ADS54J20 in 20X mode (LMFS = 8224).
| STEP | SEQUENCE | DESCRIPTION | PAGE BEING PROGRAMMED | COMMENT |
|---|---|---|---|---|
| 1 | Power-up the device | Bring up IOVDD to 1.15 V before applying power to DVDD. Bring up DVDD to 1.9 V, AVDD to 1.9 V, and AVDD3V to 3.0 V. | — | See the Power Sequencing and Initialization section for power sequence requirements. |
| 2 | Reset the device | Hardware reset | ||
| Apply a hardware reset by pulsing pin 48 (low → high → low). | — | A hardware reset clears all registers to their default values. | ||
| Register writes are equivalent to a hardware reset. | ||||
| Write address 0-000h with 81h. | General register | Reset registers in the ADC and master pages of the analog bank. | ||
| This bit is a self-clearing bit. | ||||
| Write address 4-001h with 00h and address 4-002h with 00h. | Unused page | Clear any unwanted content from the unused pages of the JESD bank. | ||
| Write address 4-003h with 00h and address 4-004h with 68h. | — | Select the main digital page of the JESD bank. | ||
| Write address 6-0F7h with 01h for channel A. | Main digital page (JESD bank) |
Use the DIG RESET register bit to reset all pages in the JESD bank. | ||
| This bit is a self-clearing bit. | ||||
| Write address 6-000h with 01h, then address 6-000h with 00h. | Pulse the PULSE RESET register bit for channel A. | |||
| 3 | Performance modes | Write address 0-011h with 80h. | — | Select the master page of the analog bank. |
| Write address 0-059h with 20h. | Master page (analog bank) |
Set the ALWAYS WRITE 1 bit. | ||
| 4 | Program desired registers for decimation options and JESD link configuration |
Default register writes for DDC modes and JESD link configuration (LMFS = 8224). | ||
| Write address 4-003h with 00h and address 4-004h with 69h. | — | Select the JESD digital page. | ||
| Write address 6-000h with 80h. | JESD digital page (JESD bank) |
Set the CTRL K bit for both channels by programming K according to the SYSREF signal later on in the sequence. | ||
| JESD link is configured with LMFS = 8224 by default with no decimation. | See Table 14 for configuring the JESD digital page registers for the desired LMFS and programming appropriate DDC mode. | |||
| Write address 4-003h with 00h and address 4-004h with 6Ah. | — | Select the JESD analog page. | ||
| JESD link is configured with LMFS = 8224 by default with no decimation. | JESD analog page (JESD bank) |
See Table 14 for configuring the JESD analog page registers for the desired LMFS and programming appropriate DDC mode. | ||
| Write address 6-017h with 40h. | PLL reset. | |||
| Write address 6-017h with 00h. | PLL reset clear. | |||
| Write address 4-003h with 00h and address 4-004h with 68h. | — | Select the main digital page. | ||
| JESD link is configured with LMFS = 8224 by default with no decimation. | Main digital page (JESD bank) |
See Table 14 for configuring the main digital page registers for the desired LMFS and programming appropriate DDC mode. | ||
| Write address 6-000h with 01h and address 6-000h with 00h. | Pulse the PULSE RESET register bit. All settings programmed in the main digital page take effect only after this bit is pulsed. | |||
| 5 | Set the value of K and the SYSREF signal frequency accordingly | Write address 4-003h with 00h and address 4-004h with 69h. | — | Select the JESD digital page. |
| Write address 6-006h with XXh (choose the value of K). | JESD digital page (JESD bank) |
See the SYSREF Signal section to choose the correct frequency for SYSREF. | ||
| 6 | JESD lane alignment | Pull the SYNCB pin (pin 63) low. | — | Transmit K28.5 characters. |
| Pull the SYNCB pin high. | After the receiver is synchronized, initiate an ILA phase and subsequent transmissions of ADC data. | |||
Figure 130 and Table 66 show the timing for a hardware reset.
Figure 130. Hardware Reset Timing Diagram
| MIN | TYP | MAX | UNIT | ||
|---|---|---|---|---|---|
| tPU | Power-on delay from power-up to an active high RESET pulse | 1 | ms | ||
| tRST | Reset pulse duration: active high RESET pulse duration | 10 | ns | ||
| tWR | Register write delay from RESET disable to SEN active | 100 | ns | ||
The signal-to-noise ratio (SNR) of the ADC is limited by three different factors: quantization noise, thermal noise, and jitter, as shown in Equation 4. The quantization noise is typically not noticeable in pipeline converters and is 74 dBFS for a 12-bit ADC. The thermal noise limits SNR at low input frequencies and the clock jitter sets SNR for higher input frequencies.

The SNR limitation resulting from sample clock jitter can be calculated by Equation 5:

The total clock jitter (TJitter) has two components: the internal aperture jitter (130 fS) is set by the noise of the clock input buffer and the external clock jitter. TJitter can be calculated by Equation 6:

External clock jitter can be minimized by using high-quality clock sources and jitter cleaners as well as band-pass filters at the clock input. A faster clock slew rate also improves the ADC aperture jitter.
The ADS54J20 has a thermal noise of approximately 71.1 dBFS and an internal aperture jitter of 120 fS. SNR, depending on the amount of external jitter for different input frequencies, is shown in Figure 131.
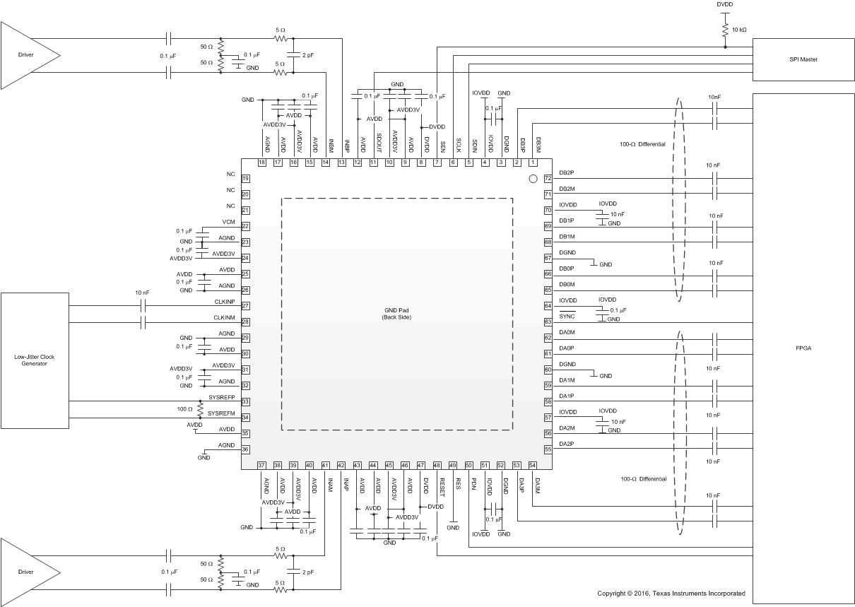
The ADS54J20 is designed for wideband receiver applications demanding excellent dynamic range over a large input frequency range. A typical schematic for an ac-coupled receiver is shown in Figure 132.
NOTE:
GND = AGND and DGND are connected in the PCB layout.Typical applications involving transformer-coupled circuits are discussed in this section. Transformers (such as ADT1-1WT or WBC1-1) can be used up to 300 MHz to achieve good phase and amplitude balances at the ADC inputs. When designing dc-driving circuits, the ADC input impedance must be considered. Figure 133 and Figure 134 show the impedance (ZIN = RIN || CIN) across the ADC input pins.
By using the simple drive circuit of Figure 135, uniform performance can be obtained over a wide frequency range. The buffers present at the analog inputs of the device help isolate the external drive source from the switching currents of the sampling circuit.
Figure 135. Input Drive Circuit
For optimum performance, the analog inputs must be driven differentially. This architecture improves common-mode noise immunity and even-order harmonic rejection. A small resistor (5 Ω to 10 Ω) in series with each input pin is recommended to damp out ringing caused by package parasitics, as shown in Figure 135.
Figure 136 and Figure 137 show the typical performance at 170 MHz and 230 MHz, respectively.
| SNR = 67.8 dBFS, SINAD = 67.7 dBFS, SFDR = 86 dBc, THD = 81 dBc, IL spur = 88 dBc, non HD2, HD3 spur = 89 dBc |
| SNR = 67.4 dBFS, SINAD = 67.2 dBFS, IL spur = 87 dBc, SFDR = 84 dBc, THD = 82 dBc, non HD2, HD3 spur = 90 dBc |