ZHCSPW1 August   2022 ADS131M03-Q1

PRODUCTION DATA  

  1. 特性
  2. 应用
  3. 说明
  4. Revision History
  5. Pin Configuration and Functions
  6. Specifications
    1. 6.1 Absolute Maximum Ratings
    2. 6.2 ESD Ratings
    3. 6.3 Recommended Operating Conditions
    4. 6.4 Thermal Information
    5. 6.5 Electrical Characteristics
    6. 6.6 Timing Requirements
    7. 6.7 Switching Characteristics
    8. 6.8 Timing Diagrams
    9. 6.9 Typical Characteristics
  7. Parameter Measurement Information
    1. 7.1 Noise Measurements
  8. Detailed Description
    1. 8.1 Overview
    2. 8.2 Functional Block Diagram
    3. 8.3 Feature Description
      1. 8.3.1  Input ESD Protection Circuitry
      2. 8.3.2  Input Multiplexer
      3. 8.3.3  Programmable Gain Amplifier (PGA)
      4. 8.3.4  Voltage Reference
      5. 8.3.5  Clocking and Power Modes
      6. 8.3.6  ΔΣ Modulator
      7. 8.3.7  Digital Filter
        1. 8.3.7.1 Digital Filter Implementation
          1. 8.3.7.1.1 Fast-Settling Filter
          2. 8.3.7.1.2 SINC3 and SINC3 + SINC1 Filter
        2. 8.3.7.2 Digital Filter Characteristic
      8. 8.3.8  DC Block Filter
      9. 8.3.9  Internal Test Signals
      10. 8.3.10 Channel Phase Calibration
      11. 8.3.11 Calibration Registers
      12. 8.3.12 Communication Cyclic Redundancy Check (CRC)
      13. 8.3.13 Register Map CRC
    4. 8.4 Device Functional Modes
      1. 8.4.1 Power-Up and Reset
        1. 8.4.1.1 Power-On Reset
        2. 8.4.1.2 SYNC/RESET Pin
        3. 8.4.1.3 RESET Command
      2. 8.4.2 Conversion Modes
        1. 8.4.2.1 Continuous-Conversion Mode
        2. 8.4.2.2 Global-Chop Mode
      3. 8.4.3 Power Modes
      4. 8.4.4 Standby Mode
      5. 8.4.5 Current-Detect Mode
    5. 8.5 Programming
      1. 8.5.1 Interface
        1. 8.5.1.1  Chip Select (CS)
        2. 8.5.1.2  Serial Data Clock (SCLK)
        3. 8.5.1.3  Serial Data Input (DIN)
        4. 8.5.1.4  Serial Data Output (DOUT)
        5. 8.5.1.5  Data Ready (DRDY)
        6. 8.5.1.6  Conversion Synchronization or System Reset (SYNC/RESET)
        7. 8.5.1.7  SPI Communication Frames
        8. 8.5.1.8  SPI Communication Words
        9. 8.5.1.9  ADC Conversion Data
          1. 8.5.1.9.1 Collecting Data for the First Time or After a Pause in Data Collection
        10. 8.5.1.10 Commands
          1. 8.5.1.10.1 NULL (0000 0000 0000 0000)
          2. 8.5.1.10.2 RESET (0000 0000 0001 0001)
          3. 8.5.1.10.3 STANDBY (0000 0000 0010 0010)
          4. 8.5.1.10.4 WAKEUP (0000 0000 0011 0011)
          5. 8.5.1.10.5 LOCK (0000 0101 0101 0101)
          6. 8.5.1.10.6 UNLOCK (0000 0110 0101 0101)
          7. 8.5.1.10.7 RREG (101a aaaa annn nnnn)
            1. 8.5.1.10.7.1 Reading a Single Register
            2. 8.5.1.10.7.2 Reading Multiple Registers
          8. 8.5.1.10.8 WREG (011a aaaa annn nnnn)
        11. 8.5.1.11 Short SPI Frames
      2. 8.5.2 Synchronization
    6. 8.6 ADS131M03-Q1 Registers
  9. Application and Implementation
    1. 9.1 Application Information
      1. 9.1.1 Unused Inputs and Outputs
      2. 9.1.2 Antialiasing
      3. 9.1.3 Minimum Interface Connections
      4. 9.1.4 Multiple Device Configuration
      5. 9.1.5 Troubleshooting
    2. 9.2 Typical Application
      1. 9.2.1 Design Requirements
      2. 9.2.2 Detailed Design Procedure
        1. 9.2.2.1 Current Shunt Measurement
        2. 9.2.2.2 Battery Pack Voltage Measurement
      3. 9.2.3 Application Curve
    3. 9.3 Power Supply Recommendations
      1. 9.3.1 CAP Pin Behavior
      2. 9.3.2 Power-Supply Sequencing
      3. 9.3.3 Power-Supply Decoupling
    4. 9.4 Layout
      1. 9.4.1 Layout Guidelines
      2. 9.4.2 Layout Example
  10. 10Device and Documentation Support
    1. 10.1 Documentation Support
      1. 10.1.1 Related Documentation
    2. 10.2 接收文档更新通知
    3. 10.3 支持资源
    4. 10.4 Trademarks
    5. 10.5 Electrostatic Discharge Caution
    6. 10.6 术语表
  11. 11Mechanical, Packaging, and Orderable Information

封装选项

机械数据 (封装 | 引脚)
散热焊盘机械数据 (封装 | 引脚)
订购信息

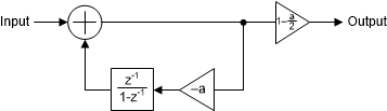
DC Block Filter

The ADS131M03-Q1 includes an optional high-pass filter to eliminate any systematic offset or low-frequency noise. The filter is enabled by writing any value in the DCBLOCK[3:0] bits in the CD_TH_LSB register besides 0h. The DC block filter can be enabled and disabled on a channel-by-channel basis by the DCBLKn_DIS bit in the CHn_CFG register for each respective channel.

Figure 8-8 shows the topology of the DC block filter. Coefficient a represents a register configurable value that configures the cutoff frequency of the filter. The cutoff frequency is configured using the DCBLOCK[3:0] bits in the CD_TH_LSB register. Table 8-4 describes the characteristics of the filter for various DCBLOCK[3:0] settings. The data provided in Table 8-4 is provided for an 8.192-MHz CLKIN frequency and a 4-kSPS data rate. The frequency response of the filter response scales directly with the frequency of CLKIN and the data rate.

GUID-19BEB60B-DD9A-42AA-99B1-748A041154E7-low.gifFigure 8-8 DC Block Filter Topology
Table 8-4 DC Block Filter Characteristics
DCBLOCK[3:0] a COEFFICIENT –3-dB CORNER(1) PASS-BAND ATTENUATION(1) SETTLING TIME (Samples)
50 Hz 60 Hz SETTLED >99% FULLY SETTLED
0h DC block filter disabled
1h 1/4 181 Hz 11.5 dB 10.1 dB 17 88
2h 1/8 84.8 Hz 5.89 dB 4.77 dB 36 187
3h 1/16 41.1 Hz 2.24 dB 1.67 dB 72 387
4h 1/32 20.2 Hz 657 mdB 466 mdB 146 786
5h 1/64 10.0 Hz 171 mdB 119 mdB 293 1585
6h 1/128 4.99 Hz 43.1 mdB 29.9 mdB 588 3182
7h 1/256 2.49 Hz 10.8 mdB 7.47 mdB 1178 6376
8h 1/512 1.24 Hz 2.69 mdB 1.87 mdB 2357 12764
9h 1/1024 622 mHz 671 µdB 466 µdB 4714 25540
Ah 1/2048 311 mHz 168 µdB 116 µdB 9430 51093
Bh 1/4096 155 mHz 41.9 µdB 29.1 µdB 18861 102202
Ch 1/8192 77.7 mHz 10.5 µdB 7.27 µdB 37724 204447
Dh 1/16384 38.9 mHz 2.63 µdB 1.82 µdB 75450 409156
Eh 1/32768 19.4 mHz 655 ndB 455 ndB 150901 820188
Fh 1/65536 9.70 mHz 164 ndB 114 ndB 301803 1627730
Values given are for a 4-kSPS data rate with a 8.192-MHz CLKIN frequency.