ZHCSEB2A October   2015  – November 2015 ADS1018-Q1

PRODUCTION DATA.  

  1. 特性
  2. 应用
  3. 说明
  4. 修订历史记录
  5. Device Comparison Table
  6. Pin Configuration and Functions
  7. Specifications
    1. 7.1 Absolute Maximum Ratings
    2. 7.2 ESD Ratings
    3. 7.3 Recommended Operating Conditions
    4. 7.4 Thermal Information
    5. 7.5 Electrical Characteristics
    6. 7.6 Timing Requirements: Serial Interface
    7. 7.7 Switching Characteristics: Serial Interface
    8. 7.8 Typical Characteristics
  8. Detailed Description
    1. 8.1 Overview
    2. 8.2 Functional Block Diagram
    3. 8.3 Feature Description
      1. 8.3.1 Multiplexer
      2. 8.3.2 Analog Inputs
      3. 8.3.3 Full-Scale Range (FSR) and LSB Size
      4. 8.3.4 Voltage Reference
      5. 8.3.5 Oscillator
      6. 8.3.6 Temperature Sensor
        1. 8.3.6.1 Converting from Temperature to Digital Codes
        2. 8.3.6.2 Converting from Digital Codes to Temperature
    4. 8.4 Device Functional Modes
      1. 8.4.1 Reset and Power-Up
      2. 8.4.2 Operating Modes
        1. 8.4.2.1 Single-Shot Mode and Power-Down
        2. 8.4.2.2 Continuous-Conversion Mode
      3. 8.4.3 Duty Cycling for Low Power
    5. 8.5 Programming
      1. 8.5.1 Serial Interface
      2. 8.5.2 Chip Select (CS)
      3. 8.5.3 Serial Clock (SCLK)
      4. 8.5.4 Data Input (DIN)
      5. 8.5.5 Data Output and Data Ready (DOUT/DRDY)
      6. 8.5.6 Data Format
      7. 8.5.7 Data Retrieval
        1. 8.5.7.1 32-Bit Data Transmission Cycle
        2. 8.5.7.2 16-Bit Data Transmission Cycle
    6. 8.6 Register Maps
      1. 8.6.1 Conversion Register [reset = 0000h]
      2. 8.6.2 Config Register [reset= 058Bh]
  9. Application and Implementation
    1. 9.1 Application Information
      1. 9.1.1 Serial Interface Connections
      2. 9.1.2 GPIO Ports for Communication
      3. 9.1.3 Analog Input Filtering
      4. 9.1.4 Single-Ended Inputs
      5. 9.1.5 Connecting Multiple Devices
      6. 9.1.6 Pseudo Code Example
    2. 9.2 Typical Application
      1. 9.2.1 Design Requirements
      2. 9.2.2 Detailed Design Procedure
      3. 9.2.3 Application Curves
  10. 10Power-Supply Recommendations
    1. 10.1 Power-Supply Sequencing
    2. 10.2 Power-Supply Decoupling
  11. 11Layout
    1. 11.1 Layout Guidelines
    2. 11.2 Layout Example
  12. 12器件和文档支持
    1. 12.1 文档支持
      1. 12.1.1 相关文档 
    2. 12.2 社区资源
    3. 12.3 商标
    4. 12.4 静电放电警告
    5. 12.5 Glossary
  13. 13机械、封装和可订购信息

封装选项

机械数据 (封装 | 引脚)
散热焊盘机械数据 (封装 | 引脚)
订购信息

7 Specifications

7.1 Absolute Maximum Ratings

over operating ambient temperature range (unless otherwise noted)(1)
MIN MAX UNIT
Power-supply voltage VDD to GND –0.3 5.5 V
Analog input voltage AIN0, AIN1, AIN2, AIN3 GND – 0.3 VDD + 0.3 V
Digital input voltage DIN, DOUT/DRDY, SCLK, CS GND – 0.3 VDD + 0.3 V
Input current, continuous Any pin except power supply pins –10 10 mA
Temperature Junction, TJ –40 150 °C
Storage, Tstg –60 150
(1) Stresses beyond those listed under Absolute Maximum Ratings may cause permanent damage to the device. These are stress ratings only, which do not imply functional operation of the device at these or any other conditions beyond those indicated under Recommended Operating Conditions. Exposure to absolute-maximum-rated conditions for extended periods may affect device reliability.

7.2 ESD Ratings

VALUE UNIT
V(ESD) Electrostatic discharge Human body model (HBM), per AEC Q100-002(1) ±2000 V
Charged device model (CDM), per AEC Q100-011 ±1000
(1) AEC Q100-002 indicates HBM stressing is done in accordance with the ANSI/ESDA/JEDEC JS-001 specification.

7.3 Recommended Operating Conditions

over operating ambient temperature range (unless otherwise noted)
MIN NOM MAX UNIT
POWER SUPPLY
VDD Power supply VDD to GND 2 5.5 V
ANALOG INPUTS(2)
FSR Full-scale input voltage(1) VIN = V(AINP) - V(AINN) See Table 1
V(AINx) Absolute input voltage GND VDD V
DIGITAL INPUTS
Input voltage GND VDD V
TEMPERATURE
TA Operating ambient temperature –40 125 °C
(1) This parameter expresses the full-scale range of the ADC scaling. No more than VDD + 0.3 V or 5.5 V (whichever is smaller) must be applied to this device.
(2) AINP and AINN denote the selected positive and negative inputs. AINx denotes one of the four available analog inputs.

7.4 Thermal Information

THERMAL METRIC(1) ADS1018-Q1 UNIT
DGS (VSSOP)
10 PINS
RθJA Junction-to-ambient thermal resistance 186.8 °C/W
RθJC(top) Junction-to-case (top) thermal resistance 51.5 °C/W
RθJB Junction-to-board thermal resistance 108.4 °C/W
ψJT Junction-to-top characterization parameter 2.7 °C/W
ψJB Junction-to-board characterization parameter 106.5 °C/W
RθJC(bot) Junction-to-case (bottom) thermal resistance N/A °C/W
(1) For more information about traditional and new thermal metrics, see the Semiconductor and IC Package Thermal Metrics application report, SPRA953.

7.5 Electrical Characteristics

Maximum and minimum specifications apply from TA = –40°C to +125°C. Typical specifications are at TA = 25°C.
All specifications are at VDD = 3.3 V and FSR = ±2.048 V (unless otherwise noted).
PARAMETER TEST CONDITIONS MIN TYP MAX UNIT
ANALOG INPUTS
Common-mode input impedance FSR = ±6.144 V(1) 8
FSR = ±4.096 V(1), FSR = ±2.048 V 6
FSR = ±1.024 V 3
FSR = ±0.512 V, FSR = ±0.256 V 100
Differential input impedance FSR = ±6.144 V(1) 22
FSR = ±4.096 V(1) 15
FSR = ±2.048 V 4.9
FSR = ±1.024 V 2.4
FSR = ±0.512 V, FSR = ±0.256 V 710
SYSTEM PERFORMANCE
Resolution (no missing codes) 12 Bits
DR Data rate 128, 250, 490, 920, 1600, 2400, 3300 SPS
Data rate variation All data rates –10% 10%
INL Integral nonlinearity DR = 128 SPS, FSR = ±2.048 V(1) 0.5 LSB
Offset error FSR = ±2.048 V, differential inputs 0 ±0.5 LSB
FSR = ±2.048 V, single-ended inputs ±0.25
Offset drift FSR = ±2.048 V 0.002 LSB/°C
Offset channel match Match between any two inputs 0.25 LSB
Gain error(2) FSR = ±2.048 V, TA = 25°C 0.05% 0.25%
Gain drift(2)(3) FSR = ±0.256 V 7 ppm/°C
FSR = ±2.048 V 5 40
FSR = ±6.144 V(1) 5
Gain match(2) Match between any two gains 0.02% 0.1%
Gain channel match Match between any two inputs 0.05% 0.1%
TEMPERATURE SENSOR
Temperature range –40 125 °C
Temperature resolution 0.125 °C/LSB
Accuracy TA = 0°C to 70°C 0.25 ±1 °C
TA = –40°C to +125°C 0.5 ±2
vs supply 0.125 ±1 °C/V
DIGITAL INPUTS/OUTPUTS
VIH High-level input voltage 0.7 VDD VDD V
VIL Low-level input voltage GND 0.2 VDD V
VOH High-level output voltage IOH = 1 mA 0.8 VDD V
VOL Low-level output voltage IOL = 1 mA GND 0.2 VDD V
IH Input leakage, high VIH = 5.5 V –10 10 μA
IL Input leakage, low VIL = GND –10 10 μA
POWER SUPPLY
IVDD Supply current Power-down, TA = 25°C 0.5 2 μA
Power-down 5
Operating, TA = 25°C 150 200
Operating 300
PD Power dissipation VDD = 5 V 0.9 mW
VDD = 3.3 V 0.5
VDD = 2 V 0.3
(1) Best-fit INL; covers 99% of full-scale.
(2) Includes all errors from onboard PGA and voltage reference.
(3) Maximum value specified by characterization.

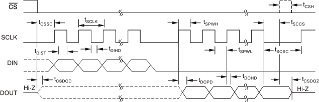
7.6 Timing Requirements: Serial Interface

over operating ambient temperature range and VDD = 2 V to 5.5 V (unless otherwise noted)
MIN MAX UNIT
tCSSC Delay time, CS falling edge to first SCLK rising edge(1) 100 ns
tSCCS Delay time, final SCLK falling edge to CS rising edge 100 ns
tCSH Pulse duration, CS high 200 ns
tSCLK SCLK period 250 ns
tSPWH Pulse duration, SCLK high 100 ns
tSPWL Pulse duration, SCLK low(2) 100 ns
28 ms
tDIST Setup time, DIN valid before SCLK falling edge 50 ns
tDIHD Hold time, DIN valid after SCLK falling edge 50 ns
tDOHD Hold time, SCLK rising edge to DOUT invalid 0 ns
(1) CS can be tied low permanently in case the serial bus is not shared with any other device.
(2) Holding SCLK low longer than 28 ms resets the SPI interface.

7.7 Switching Characteristics: Serial Interface

over operating ambient temperature range (unless otherwise noted)
PARAMETER TEST CONDITIONS MIN TYP MAX UNIT
tCSDOD Propagation delay time,
CS falling edge to DOUT driven
DOUT load = 20 pF || 100 kΩ to GND 100 ns
tDOPD Propagation delay time,
SCLK rising edge to valid new DOUT
DOUT load = 20 pF || 100 kΩ to GND 0 50 ns
tCSDOZ Propagation delay time,
CS rising edge to DOUT high impedance
DOUT load = 20 pF || 100 kΩ to GND 100 ns
ADS1018-Q1 tim_serial_bas457.gif Figure 1. Serial Interface Timing

7.8 Typical Characteristics

at TA = 25°C, VDD = 3.3 V, and FSR = ±2.048 V (unless otherwise noted)
ADS1018-Q1 tc_ivdd-tmp_bas526.gif
Figure 2. Operating Current vs Temperature
ADS1018-Q1 tc_oerr_1end-tmp_bas526.gif
Figure 4. Single-Ended Offset Voltage vs Temperature
ADS1018-Q1 tc_gerr-tmp_bas526.gif
Figure 6. Gain Error vs Temperature
ADS1018-Q1 tc_sdown_cur-tmp_bas526.gif
Figure 3. Power-Down Current vs Temperature
ADS1018-Q1 tc_diff_oset-tmp_bas526.gif
Figure 5. Differential Offset Voltage vs Temperature
ADS1018-Q1 tc_temp_sensor_error_bas526.png
Figure 7. Temperature Sensor Error vs Temperature
1. This parameter expresses the full-scale range of the ADC scaling. In no event should more than VDD + 0.3 V be applied to this device.