ZHCSQQ1B june   2022  – august 2023 ADC32RF54 , ADC32RF55

PRODUCTION DATA  

  1.   1
  2. 特性
  3. 应用
  4. 说明
  5. Revision History
  6. Pin Configuration and Functions
  7. Specifications
    1. 6.1  Absolute Maximum Ratings
    2. 6.2  ESD Ratings
    3. 6.3  Recommended Operating Conditions
    4. 6.4  Thermal Information
    5. 6.5  Electrical Characteristics - Power Consumption
    6. 6.6  Electrical Characteristics - DC Specifications
    7. 6.7  Electrical Characteristics - ADC32RF54 AC Specifications (Dither DISABLED)
    8. 6.8  Electrical Characteristics - ADC32RF54 AC Specifications (Dither ENABLED)
    9. 6.9  Electrical Characteristics - ADC32RF55 AC Specifications (Dither DISABLED)
    10. 6.10 Electrical Characteristics - ADC32RF55 AC Specifications (Dither ENABLED)
    11. 6.11 Timing Requirements
    12. 6.12 Typical Characteristics - ADC32RF54
    13. 6.13 Typical Characteristics - ADC32RF55
  8. Detailed Description
    1. 7.1 Overview
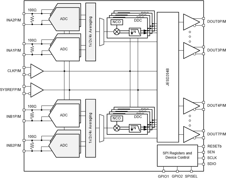
    2. 7.2 Functional Block Diagram
    3. 7.3 Feature Description
      1. 7.3.1 Analog Inputs
        1. 7.3.1.1 Input Bandwidth and Full-Scale
        2. 7.3.1.2 Input Imbalance
        3. 7.3.1.3 Overrange Indication
        4. 7.3.1.4 Analog out-of-band dither
      2. 7.3.2 Sampling Clock Input
      3. 7.3.3 SYSREF
        1. 7.3.3.1 SYSREF Capture Detection
      4. 7.3.4 ADC Foreground Calibration
        1. 7.3.4.1 Calibration Control
        2. 7.3.4.2 ADC Switch
        3. 7.3.4.3 Calibration Configuration
      5. 7.3.5 Decimation Filter
        1. 7.3.5.1 Decimation Filter Response
        2. 7.3.5.2 Decimation Filter Configuration
        3. 7.3.5.3 20-bit Output Mode
        4. 7.3.5.4 Dynamic Switching
          1. 7.3.5.4.1 2 Lane Mode
          2. 7.3.5.4.2 1 Lane Mode
        5. 7.3.5.5 Numerically Controlled Oscillator (NCO)
        6. 7.3.5.6 NCO Frequency Programming
        7. 7.3.5.7 Fast Frequency Hopping
          1. 7.3.5.7.1 Fast frequency hopping Using the GPIO1/2 pins
          2. 7.3.5.7.2 Fast frequency hopping using GPIO1/2, SEN and SDIO pins
          3. 7.3.5.7.3 Fast Frequency Hopping Using the Fast SPI
      6. 7.3.6 JESD204B Interface
        1. 7.3.6.1 JESD204B Initial Lane Alignment (ILA)
          1. 7.3.6.1.1 SYNC Signal
        2. 7.3.6.2 JESD204B Frame Assembly
        3. 7.3.6.3 JESD204B Frame Assembly in Bypass Mode
        4. 7.3.6.4 JESD204B Frame Assembly with Complex Decimation - Single Band
        5. 7.3.6.5 JESD204B Frame Assembly with Real Decimation - Single Band
        6. 7.3.6.6 JESD204B Frame Assembly with Complex Decimation - Dual Band
        7. 7.3.6.7 JESD204B Frame Assembly with Complex Decimation - Quad Band
      7. 7.3.7 SERDES Output MUX
      8. 7.3.8 Test Pattern
        1. 7.3.8.1 Transport Layer
        2. 7.3.8.2 Link Layer
        3. 7.3.8.3 Internal Capture Memory Buffer
    4. 7.4 Device Functional Modes
      1. 7.4.1 Digital Averaging
    5. 7.5 Programming
      1. 7.5.1 GPIO Pin Control
      2. 7.5.2 Configuration Using the SPI Interface
        1. 7.5.2.1 Register Write
        2. 7.5.2.2 Register Read
    6. 7.6 Register Maps
      1. 7.6.1 Detailed Register Description
  9. Application and Implementation
    1. 8.1 Application Information
    2. 8.2 Typical Applications
      1. 8.2.1 Wideband RF Sampling Receiver
        1. 8.2.1.1 Design Requirements
          1. 8.2.1.1.1 Input Signal Path
          2. 8.2.1.1.2 Clocking
        2. 8.2.1.2 Detailed Design Procedure
          1. 8.2.1.2.1 Sampling Clock
        3. 8.2.1.3 Application Curves
    3. 8.3 Initialization Set Up
      1. 8.3.1 Initial Device Configuration After Power-Up
        1. 8.3.1.1  STEP 1: RESET
        2. 8.3.1.2  STEP 2: Device Configuration
        3. 8.3.1.3  STEP 3: JESD Interface Configuration (1)
        4. 8.3.1.4  STEP 4: SYSREF Synchronization
        5. 8.3.1.5  STEP 5: JESD Interface Configuration (2)
        6. 8.3.1.6  STEP 6: Analog Trim Settings
        7. 8.3.1.7  STEP 7: Calibration Configuration
        8. 8.3.1.8  STEP 8: SYSREF Synchronization
        9. 8.3.1.9  STEP 9: Run Power up Calibration
        10. 8.3.1.10 STEP 10: JESD Interface Synchronization
    4. 8.4 Power Supply Recommendations
    5. 8.5 Layout
      1. 8.5.1 Layout Guidelines
      2. 8.5.2 Layout Example
  10. Device and Documentation Support
    1. 9.1 接收文档更新通知
    2. 9.2 支持资源
    3. 9.3 商标
    4. 9.4 静电放电警告
    5. 9.5 术语表
  11. 10Mechanical, Packaging, and Orderable Information

封装选项

机械数据 (封装 | 引脚)
散热焊盘机械数据 (封装 | 引脚)
订购信息

Functional Block Diagram

GUID-D9658ADC-71AE-4FE9-B19B-60927A132069-low.gif