ZHCS784D March   2012  – December 2014 UCC27516 , UCC27517

PRODUCTION DATA.  

  1. 特性
  2. 应用
  3. 说明
  4. 修订历史记录
  5. 说明 (续)
  6. Device Comparison Table
  7. Pin Configuration and Functions
  8. Specifications
    1. 8.1 Absolute Maximum Ratings
    2. 8.2 ESD Ratings
    3. 8.3 Recommended Operating Conditions
    4. 8.4 Thermal Information
    5. 8.5 Electrical Characteristics
    6. 8.6 Switching Characteristics
    7. 8.7 Typical Characteristics
  9. Detailed Description
    1. 9.1 Overview
    2. 9.2 Functional Block Diagrams
    3. 9.3 Feature Description
      1. 9.3.1 VDD and Undervoltage Lockout
      2. 9.3.2 Operating Supply Current
      3. 9.3.3 Input Stage
      4. 9.3.4 Enable Function
      5. 9.3.5 Output Stage
      6. 9.3.6 Low Propagation Delays
    4. 9.4 Device Functional Modes
  10. 10Application and Implementation
    1. 10.1 Application Information
    2. 10.2 Typical Application
      1. 10.2.1 Design Requirements
      2. 10.2.2 Detailed Design Procedure
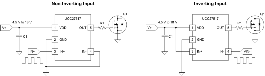
        1. 10.2.2.1 Input-to-Output Logic
        2. 10.2.2.2 Input Threshold Type
        3. 10.2.2.3 VDD Bias Supply Voltage
        4. 10.2.2.4 Peak Source and Sink Currents
        5. 10.2.2.5 Enable and Disable Function
        6. 10.2.2.6 Propagation Delay
      3. 10.2.3 Application Curves
  11. 11Power Supply Recommendations
  12. 12Layout
    1. 12.1 Layout Guidelines
    2. 12.2 Layout Example
    3. 12.3 Thermal Considerations
    4. 12.4 Power Dissipation
  13. 13器件和文档支持
    1. 13.1 相关链接
    2. 13.2 商标
    3. 13.3 静电放电警告
    4. 13.4 术语表
  14. 14机械、封装和可订购信息

封装选项

机械数据 (封装 | 引脚)
散热焊盘机械数据 (封装 | 引脚)
订购信息

1 特性

  • 低成本栅极驱动器器件提供 NPN 和 PNP 离散解决方案的高品质替代产品
  • 4A 峰值拉电流和 4A 峰值灌电流对称驱动
  • 短暂传播延迟(典型值 13ns)
  • 短暂上升和下降时间(典型值分别为 9ns 和 7ns)
  • 4.5V 至 18V 单电源范围
  • VDD 欠压闭锁 (UVLO) 期间输出保持低电平(确保上电和掉电时无毛刺脉冲运行)
  • 晶体管逻辑 (TTL) 和互补金属氧化物半导体 (CMOS) 兼容输入逻辑阈值(与电源电压无关)
  • 针对高抗扰度的滞后逻辑阈值
  • 双输入设计(可选择反相(IN- 引脚)或非反相(IN+ 引脚)驱动器配置)
    • 未使用的输入引脚可用于使能或禁用功能
  • 当输入引脚悬空时,输出保持在低电平
  • 输入引脚绝对最大电压电平不受 VDD 引脚偏置电源电压的限制
  • -40°C 至 140°C 的运行温度范围
  • 5 引脚 DBV (SOT-23) 和 6 引脚 DRS(3mm x
    3mm 带有外露散热焊盘的晶圆级小外形无引线 (WSON))封装选项

2 应用

  • 开关模式电源
  • 直流-直流转换器
  • 针对数字电源控制器的伴随栅极驱动器器件
  • 太阳能、电机控制、不间断电源 (UPS)
  • 用于新上市的宽带隙电源器件(例如 GaN)的栅极驱动器

3 说明

UCC27516 和 UCC27517 单通道高速低侧栅极驱动器器件可有效驱动金属氧化物半导体场效应晶体管 (MOSFET) 和绝缘栅双极型晶体管 (IGBT) 电源开关。UCC27516 和 UCC27517 采用的设计方案可最大程度减少击穿电流,从而为电容负载提供较高的峰值拉/灌电流脉冲,同时提供轨到轨驱动能力以及超短的传播延迟(典型值为 13ns)。

当 VDD = 12V 时,UCC27516 和 UCC27517 可提供峰值为 4A 的灌/拉(对称驱动)电流驱动能力。

器件信息(1)

器件型号 封装 封装尺寸(标称值)
UCC27516 SON (6) 3.00mm × 3.00mm
UCC27517 SOT-23 (5) 2.90mm x 1.60mm
  1. 如需了解所有可用封装,请见数据表末尾的可订购产品附录。

典型应用图

UCC27516 UCC27517 typapps_lusay4.gif