ZHCSFC5A August   2016  – September 2017 TPS549D22

PRODUCTION DATA.  

  1. 特性
  2. 应用
  3. 说明
  4. 修订历史记录
  5. Pin Configuration and Functions
  6. Specifications
    1. 6.1 Absolute Maximum Ratings
    2. 6.2 ESD Ratings
    3. 6.3 Recommended Operating Conditions
    4. 6.4 Thermal Information
    5. 6.5 Electrical Characteristics
    6. 6.6 Typical Characteristics
  7. Detailed Description
    1. 7.1 Overview
    2. 7.2 Functional Block Diagram
    3. 7.3 Feature Description
      1. 7.3.1 40-A FET
      2. 7.3.2 On-Resistance
      3. 7.3.3 Package Size, Efficiency and Thermal Performance
      4. 7.3.4 Soft-Start Operation
      5. 7.3.5 VDD Supply Undervoltage Lockout (UVLO) Protection
      6. 7.3.6 EN_UVLO Pin Functionality
      7. 7.3.7 Fault Protections
        1. 7.3.7.1 Current Limit (ILIM) Functionality
        2. 7.3.7.2 VDD Undervoltage Lockout (UVLO)
        3. 7.3.7.3 Overvoltage Protection (OVP) and Undervoltage Protection (UVP)
        4. 7.3.7.4 Out-of-Bounds Operation
        5. 7.3.7.5 Overtemperature Protection
    4. 7.4 Device Functional Modes
      1. 7.4.1 DCAP3 Control Topology
      2. 7.4.2 DCAP Control Topology
    5. 7.5 Programming
      1. 7.5.1 Programmable Pin-Strap Settings
        1. 7.5.1.1 Address Selection (ADDR) Pin
        2. 7.5.1.2 VSEL Pin
        3. 7.5.1.3 DCAP3 Control and Mode Selection
        4. 7.5.1.4 Application Workaround to Support 4-ms and 8-ms SS Settings
      2. 7.5.2 Programmable Analog Configurations
        1. 7.5.2.1 RSP/RSN Remote Sensing Functionality
          1. 7.5.2.1.1 Output Differential Remote Sensing Amplifier
        2. 7.5.2.2 Power Good (PGOOD Pin) Functionality
      3. 7.5.3 PMBus Programming
        1. 7.5.3.1 TPS549D22 Limitations to the PMBUS Specifications
        2. 7.5.3.2 Slave Address Assignment
        3. 7.5.3.3 PMBUS Address Selection
        4. 7.5.3.4 Supported Formats
          1. 7.5.3.4.1 Direct Format — Write
          2. 7.5.3.4.2 Combined Format — Read
        5. 7.5.3.5 Stop Separated Reads
        6. 7.5.3.6 Supported PMBUS Commands and Registers
      4. 7.5.4 Register Maps
        1. 7.5.4.1  OPERATION Register (address = 1h)
        2. 7.5.4.2  ON_OFF_CONFIG Register (address = 2h)
        3. 7.5.4.3  CLEAR FAULTS (address = 3h)
        4. 7.5.4.4  WRITE PROTECT (address = 10h)
        5. 7.5.4.5  STORE_DEFAULT_ALL (address = 11h)
        6. 7.5.4.6  RESTORE_DEFAULT_ALL (address = 12h)
        7. 7.5.4.7  CAPABILITY (address = 19h)
        8. 7.5.4.8  VOUT_MODE (address = 20h)
        9. 7.5.4.9  VOUT_COMMAND (address = 21h)
        10. 7.5.4.10 VOUT_MARGIN_HIGH (address = 25h)
        11. 7.5.4.11 VOUT_MARGIN_LOW (address = 26h)
        12. 7.5.4.12 STATUS_BYTE (address = 78h)
        13. 7.5.4.13 STATUS_WORD (High Byte) (address = 79h)
        14. 7.5.4.14 STATUS_VOUT (address = 7Ah)
        15. 7.5.4.15 STATUS_IOUT (address = 7Bh)
        16. 7.5.4.16 STATUS_CML (address = 7Eh)
        17. 7.5.4.17 MFR_SPECIFIC_00 (address = D0h)
        18. 7.5.4.18 MFR_SPECIFIC_01 (address = D1h)
        19. 7.5.4.19 MFR_SPECIFIC_02 (address = D2h)
        20. 7.5.4.20 MFR_SPECIFIC_03 (address = D3h)
        21. 7.5.4.21 MFR_SPECIFIC_04 (address = D4h)
        22. 7.5.4.22 MFR_SPECIFIC_06 (address = D6h)
        23. 7.5.4.23 MFR_SPECIFIC_07 (address = D7h)
        24. 7.5.4.24 MFR_SPECIFIC_44 (address = FCh)
  8. Application and Implementation
    1. 8.1 Application Information
    2. 8.2 Typical Application: TPS549D22 1.5-V to 16-V Input, 1-V Output, 40-A Converter
      1. 8.2.1 Design Requirements
      2. 8.2.2 Detailed Design Procedure
        1. 8.2.2.1  Custom Design With WEBENCH® Tools
        2. 8.2.2.2  Switching Frequency Selection
        3. 8.2.2.3  Inductor Selection
        4. 8.2.2.4  Output Capacitor Selection
          1. 8.2.2.4.1 Minimum Output Capacitance to Ensure Stability
          2. 8.2.2.4.2 Response to a Load Transient
          3. 8.2.2.4.3 Output Voltage Ripple
        5. 8.2.2.5  Input Capacitor Selection
        6. 8.2.2.6  Bootstrap Capacitor Selection
        7. 8.2.2.7  BP Pin
        8. 8.2.2.8  R-C Snubber and VIN Pin High-Frequency Bypass
        9. 8.2.2.9  Optimize Reference Voltage (VSEL)
        10. 8.2.2.10 MODE Pin Selection
        11. 8.2.2.11 ADDR Pin Selection
        12. 8.2.2.12 Overcurrent Limit Design
      3. 8.2.3 Application Curves
  9. Power Supply Recommendations
  10. 10Layout
    1. 10.1 Layout Guidelines
    2. 10.2 Layout Example
      1. 10.2.1 Mounting and Thermal Profile Recommendation
  11. 11器件和文档支持
    1. 11.1 器件支持
      1. 11.1.1 Third-Party Products Disclaimer
    2. 11.2 使用 WEBENCH® 工具定制设计方案
    3. 11.3 接收文档更新通知
    4. 11.4 社区资源
    5. 11.5 商标
    6. 11.6 静电放电警告
    7. 11.7 Glossary
  12. 12机械、封装和可订购信息
    1. 12.1 Package Option Addendum
      1. 12.1.1 Packaging Information
      2. 12.1.2 Tape and Reel Information

封装选项

机械数据 (封装 | 引脚)
散热焊盘机械数据 (封装 | 引脚)
订购信息

特性

  • 输入电压范围 (PVIN):1.5V 至 16V
  • 输入偏置电压 (VDD) 范围:4.5V 至 22V
  • 输出电压范围:0.6V 至 5.5V
  • 集成式 2.9mΩ 和 1.2mΩ 功率 MOSFET,持续输出电流为 40A
  • 电压基准 0.6V 至 1.2V(阶跃为 50mV),采用 VSEL 引脚
  • ±0.5%,0.9VREF 公差范围:–40°C 至 +125°C 结温
  • 真正的差分遥感放大器
  • D-CAP3™控制环路,
  • 自适应导通时间控制,具有 8 种 PMBusTM 频率:315kHz、425kHz、550kHz、650kHz、825kHz、900kHz、1.025MHz 和 1.125MHz
  • 温度补偿和可编程电流限值,具有 RILIM 和 OC 钳位
  • 可选断续或闭锁 OVP 或 UVP
  • 通过精确的 EN 实现的 VDD UVLO 外部调整
  • 预偏置启动支持
  • Eco-mode™和 FCCM 可供选择
  • 全套故障保护和 PGOOD
  • 标准 VOUT_COMMAND 和 VOUT_MARGIN(高电平和低电平)
  • 引脚捆绑和实时编程
  • 故障报告和警告
  • 针对所选命令的 NVM 备份
  • 1MHz PMBus,支持 PEC 和 SMB_ALRT#
  • 使用 TPS549D22 并借助 WEBENCH® 电源设计器创建定制设计方案

应用

  • 企业级存储、SSD、NAS
  • 无线和有线通信基础设施
  • 工业 PC、自动化、ATE、PLC、视频监控
  • 企业服务器、交换机、路由器
  • ASIC、SoC、FPGA、DSP 内核和 I/O 电源轨

说明

TPS549D22 器件是一款紧凑型单通道降压转换器,具有自适应导通时间 D-CAP3 模式控制。该器件专为高精度、高效率、快速瞬态响应、易于使用、外部组件较少且空间受限的电源系统而设计。

该器件 采用 全差分感应和 TI 集成 FET,高侧导通电阻为 2.9mΩ,低侧导通电阻为 1.2mΩ。此外,该器件还 具有 0.5% 的精度和 0.9V 基准电压,环境温度范围介于 –40°C 和 +125°C 之间。其竞争 优势 包括:极少的外部组件数、精确的负载调节和线路调节、自动跳跃或 FCCM 工作模式以及内部软启动控制。

TPS549D22 器件采用 7mm × 5mm、40 引脚、LQFN-CLIP (RVF) 封装(RoHs 豁免)。

器件信息(1)

器件型号 封装 封装尺寸(标称值)
TPS549D22 LQFN-CLIP (40) 7.00mm × 5.00mm
  1. 如需了解所有可用封装,请参阅数据表末尾的可订购产品附录。

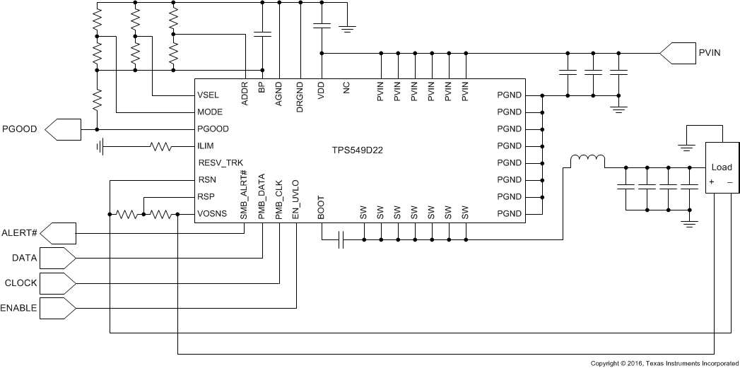
简化应用

TPS549D22 simp_app_SLUSCI9.gif