SCES635B JULY 2005 – April 2015 SN74LVCH16T245
PRODUCTION DATA.
This 16-bit noninverting bus transceiver uses two separate configurable power-supply rails. The A port is designed to track VCCA. VCCA accepts any supply voltage from 1.65 V to 5.5 V. The B port is designed to track VCCB. VCCB accepts any supply voltage from 1.65 V to 5.5 V. This allows for universal low-voltage bidirectional translation between any of the 1.8-V, 2.5-V, 3.3-V, and 5-V voltage nodes.
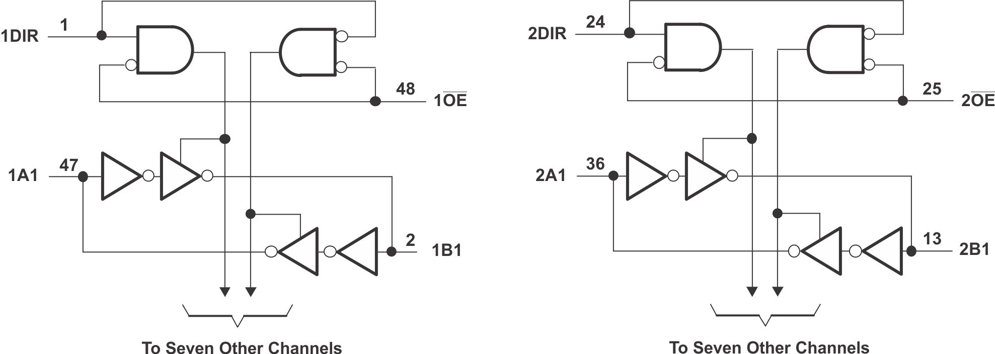
The SN74LVCH16T245 device control pins (1DIR, 2DIR, 1OE, and 2OE) are supplied by VCCA.
The SN74LVCH16T245 device is designed for asynchronous communication between two data buses. The logic levels of the direction-control (DIR) input and the output-enable (OE) input activate either the B-port outputs or the A-port outputs or place both output ports into the high-impedance mode. The device transmits data from the A bus to the B bus when the B-port outputs are activated, and from the B bus to the A bus when the A-port outputs are activated. The input circuitry on both A and B ports is always active and must have a logic HIGH or LOW level applied to prevent excess ICC and ICCZ.
| PART NUMBER | PACKAGE | BODY SIZE (NOM) |
|---|---|---|
| SN74LVCH16T245 | SSOP (48) | 15.88 mm × 7.49 mm |
| TSSOP (48) | 12.50 mm × 6.10 mm | |
| TVSOP (48) | 9.70 mm × 4.40 mm | |
| BGA (56) | 7.00 mm × 4.50 mm |
