ZHCSD18A March 2013 – October 2014 LP55231
PRODUCTION DATA.
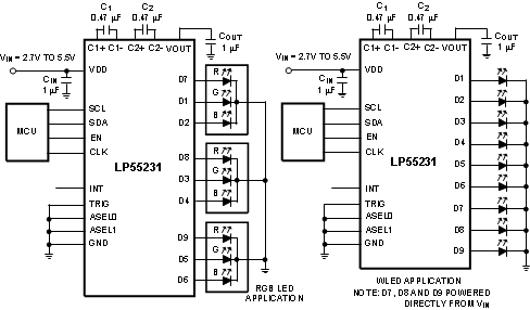
LP55231 是一款 9 通道 LED 驱动器,专用于为移动设备制造灯光效果。 采用高效的电荷泵,支持在锂离子电池电压范围内驱动 LED。 该器件配有内部程序存储器,可在不使用处理器控制的情况下运行。
LP55231 有一个 I2C 兼容控制接口并配有四个引脚可选地址。 INT 引脚可用于在照明序列结束时(中断功能)通知处理器。 另外,该器件具有一个触发输入接口,可实现多个 LP55231 器件之间的同步。 根据 LED 正向电压要求自主选择最佳电荷泵增益,可在宽运行电压范围内保持出色的效率。 当 LED 输出未激活时,该器件能够自动进入节能模式,从而将空闲流耗降至 10µA(典型值)。 仅需四个小型的低成本陶瓷电容。
| 器件型号 | 封装 | 封装尺寸(标称值) |
|---|---|---|
| LP55231 | WQFN (24) | 4.00mm x 4.00mm |
