ZHCSGX2E May   2011  – August 2016 LMH6521

PRODUCTION DATA.  

  1. 特性
  2. 应用
  3. 说明
  4. 修订历史记录
  5. Pin Configuration and Functions
  6. Specifications
    1. 6.1 Absolute Maximum Ratings
    2. 6.2 ESD Ratings
    3. 6.3 Recommended Operating Conditions
    4. 6.4 Thermal Information
    5. 6.5 Electrical Characteristics
    6. 6.6 Timing Requirements
    7. 6.7 Typical Characteristics
  7. Detailed Description
    1. 7.1 Overview
    2. 7.2 Functional Block Diagram
    3. 7.3 Feature Description
      1. 7.3.1 Input Characteristics
      2. 7.3.2 Output Characteristics
      3. 7.3.3 Output Connections
    4. 7.4 Device Functional Modes
    5. 7.5 Programming
      1. 7.5.1 Digital Control
      2. 7.5.2 Parallel Mode (MOD1 = 1, MOD0 = 1)
      3. 7.5.3 Serial Mode: SPI Compatible Interface (MOD1 = 1, MOD0 = 0)
      4. 7.5.4 Pulse Mode (MOD1 = 0, MOD0 = 1)
      5. 7.5.5 Interface to ADC
  8. Application and Implementation
    1. 8.1 Application Information
    2. 8.2 Typical Application
      1. 8.2.1 Design Requirements
      2. 8.2.2 Detailed Design Procedure
      3. 8.2.3 Application Curve
  9. Power Supply Recommendations
  10. 10Layout
    1. 10.1 Layout Guidelines
    2. 10.2 Layout Example
    3. 10.3 Thermal Considerations
  11. 11器件和文档支持
    1. 11.1 文档支持
      1. 11.1.1 相关文档
    2. 11.2 接收文档更新通知
    3. 11.3 社区资源
    4. 11.4 商标
    5. 11.5 静电放电警告
    6. 11.6 Glossary
  12. 12机械、封装和可订购信息

封装选项

机械数据 (封装 | 引脚)
散热焊盘机械数据 (封装 | 引脚)
订购信息

特性

  • 200MHz 频率下 OIP3 为 48.5dBm
  • 最大电压增益为 26dB
  • 增益范围:31.5dB,步长为 0.5dB
  • 通道增益匹配为 ±0.04dB
  • 最大增益时的噪声系数:7.3dB
  • –3dB 带宽为 1200MHz
  • 功耗低
  • 独立通道关断
  • 三种增益控制模式:
    • 并行接口
    • 串行接口 (SPI)
    • 脉冲模式接口
  • 温度范围:-40°C 至 +85°C
  • 热增强型 32 引脚 WQFN 封装

应用

  • 蜂窝基站
  • 宽带和窄带 IF 采样接收器
  • 宽带直接转换
  • 数字预失真
  • ADC 驱动器

说明

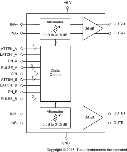
LMH6521 包含两个高性能数控可变增益放大器 (DVGA)。

LMH6521 的两个通道均具有独立的数控衰减器,后跟高线性度差动输出放大器。每个块都经过优化,可实现低失真和最大的系统设计灵活性。每个通道都具有高速关断模式。

内部数控衰减器可在 31.5dB 范围内提供精确的 0.5dB 增益步长。该器件提供了串行和并行编程选项。串行模式编程使用 SPI 接口。它还提供脉冲模式,其中简单的上升或下降命令可以一次将增益改变一个步长。

输出放大器有差动输出,允许单个 5V 电源上有 10VPPD 信号摆动。低阻抗输出在驱动滤波器或模数转换器时可提供最大的灵活性。

器件信息(1)

器件型号 封装 封装尺寸(标称值)
LMH6521 WQFN (32) 5.00mm × 5.00mm
  1. 如需了解所有可用封装,请参阅产品说明书末尾的可订购产品附录。

LMH6521 方框图

LMH6521 30120102.gif

通道匹配错误(通道 A – 通道 B)

LMH6521 30120180.gif