SNOSBI2C June   1999  – September 2015 LM231 , LM331

PRODUCTION DATA.  

  1. Features
  2. Applications
  3. Description
  4. Revision History
  5. Description continued
  6. Pin Configuration and Functions
  7. Specifications
    1. 7.1 Absolute Maximum Ratings
    2. 7.2 ESD Ratings
    3. 7.3 Recommended Operating Conditions
    4. 7.4 Thermal Information
    5. 7.5 Electrical Characteristics
    6. 7.6 Dissipation Ratings
    7. 7.7 Typical Characteristics
  8. Detailed Description
    1. 8.1 Overview
      1. 8.1.1 Detail of Operation, Functional Block Diagram
    2. 8.2 Functional Block Diagram
    3. 8.3 Feature Description
    4. 8.4 Device Functional Modes
  9. Application and Implementation
    1. 9.1 Application Information
      1. 9.1.1 Simplified Voltage-to-Frequency Converter
      2. 9.1.2 Principles of Operation
    2. 9.2 Typical Applications
      1. 9.2.1 Basic Voltage-to-Frequency Converter
        1. 9.2.1.1 Design Requirements
        2. 9.2.1.2 Detailed Design Procedure
        3. 9.2.1.3 Application Curve
      2. 9.2.2 Precision V-To-F Converter
    3. 9.3 System Examples
      1. 9.3.1 F-to-V Converters
  10. 10Power Supply Recommendations
  11. 11Layout
    1. 11.1 Layout Guidelines
    2. 11.2 Layout Example
  12. 12Device and Documentation Support
    1. 12.1 Related Links
    2. 12.2 Community Resources
    3. 12.3 Trademarks
    4. 12.4 Electrostatic Discharge Caution
    5. 12.5 Glossary
  13. 13Mechanical, Packaging, and Orderable Information

封装选项

机械数据 (封装 | 引脚)
散热焊盘机械数据 (封装 | 引脚)
订购信息

1 Features

  • Ensured Linearity 0.01% Maximum
  • Improved Performance in Existing Voltage-to-Frequency Conversion Applications
  • Split or Single-Supply Operation
  • Operates on Single 5-V Supply
  • Pulse Output Compatible With All Logic Forms
  • Excellent Temperature Stability: ±50 ppm/°C Maximum
  • Low Power Consumption: 15 mW Typical at 5 V
  • Wide Dynamic Range, 100 dB Minimum at 10-kHz Full Scale Frequency
  • Wide Range of Full Scale Frequency:
    1 Hz to 100 kHz
  • Low-Cost

2 Applications

  • Voltage to Frequency Conversions
  • Frequency to Voltage Conversions
  • Remote-Sensor Monitoring
  • Tachometers

3 Description

The LMx31 family of voltage-to-frequency converters are ideally suited for use in simple low-cost circuits for analog-to-digital conversion, precision frequency-to-voltage conversion, long-term integration, linear frequency modulation or demodulation, and many other functions. The output when used as a voltage-to-frequency converter is a pulse train at a frequency precisely proportional to the applied input voltage. Thus, it provides all the inherent advantages of the voltage-to-frequency conversion techniques, and is easy to apply in all standard voltage-to-frequency converter applications.

Device Information(1)

PART NUMBER PACKAGE BODY SIZE (NOM)
LM231 PDIP (8) 9.81 mm × 6.35 mm
LM331
  1. For all available packages, see the orderable addendum at the end of the data sheet.

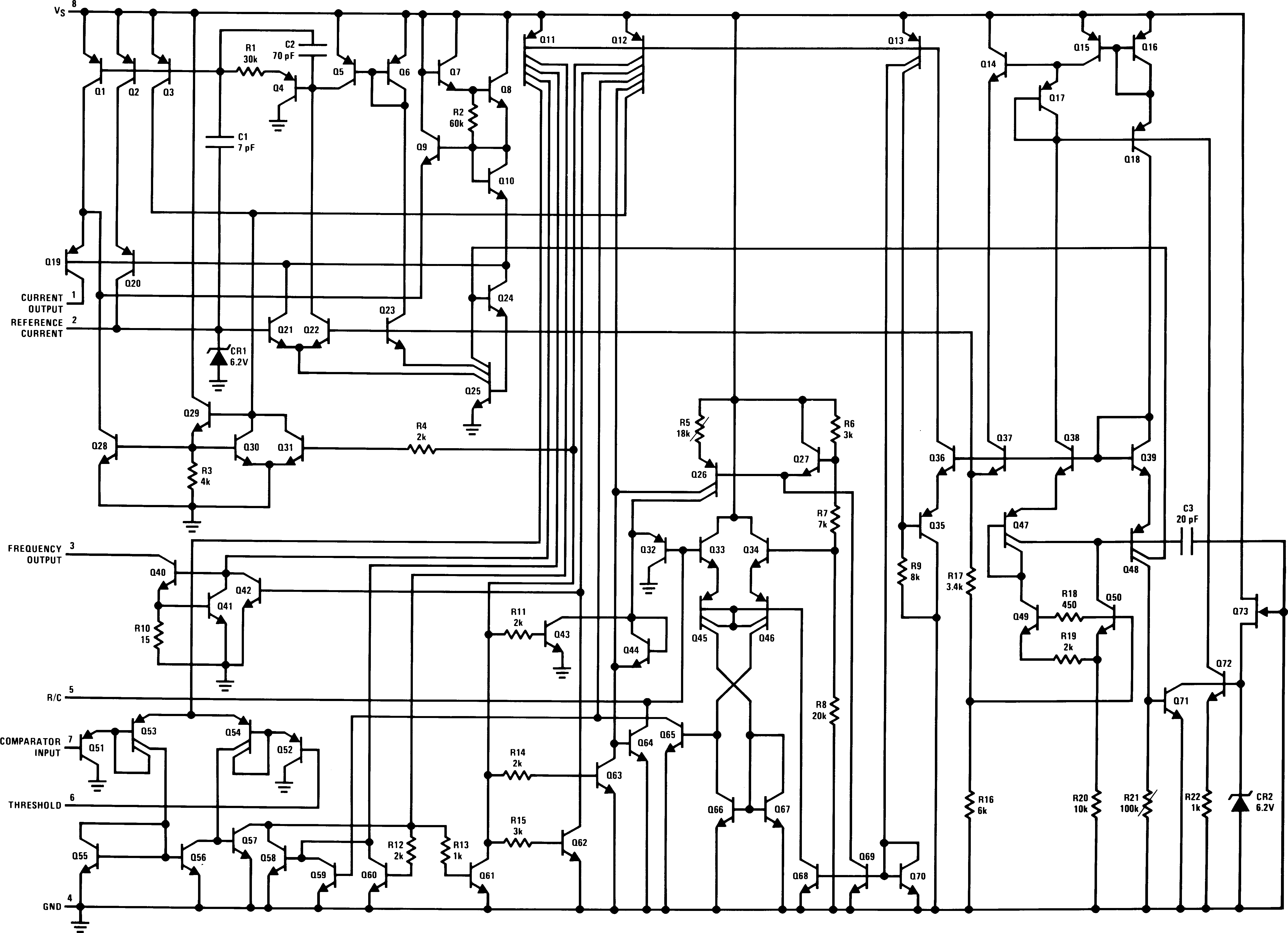
Schematic Diagram

LM231 LM331 00568022.png