ZHCS536O September   2008  – August 2015 LM22677 , LM22677-Q1

PRODUCTION DATA.  

  1. 特性
  2. 应用
  3. 说明
  4. 修订历史记录
  5. Pin Configuration and Functions
  6. Specifications
    1. 6.1 Absolute Maximum Ratings
    2. 6.2 ESD Ratings: LM22677
    3. 6.3 ESD Ratings: LM22677-Q1
    4. 6.4 Recommended Operating Conditions
    5. 6.5 Thermal Information
    6. 6.6 Electrical Characteristics
    7. 6.7 Typical Characteristics
  7. Detailed Description
    1. 7.1 Overview
    2. 7.2 Functional Block Diagram
    3. 7.3 Feature Description
      1. 7.3.1 Precision Enable and UVLO
      2. 7.3.2 Soft-Start
      3. 7.3.3 Switching Frequency Adjustment and Synchronization
      4. 7.3.4 Self Synchronization
      5. 7.3.5 Boot-Strap Supply
      6. 7.3.6 Internal Compensation
    4. 7.4 Device Functional Modes
      1. 7.4.1 Current Limit
      2. 7.4.2 Thermal Protection
      3. 7.4.3 Duty-Cycle Limits
  8. Applications and Implementation
    1. 8.1 Application Information
      1. 8.1.1 Output Voltage Divider Selection
      2. 8.1.2 Power Diode
    2. 8.2 Typical Application
      1. 8.2.1 Design Requirements
      2. 8.2.2 Detailed Design Procedure
        1. 8.2.2.1 External Components
        2. 8.2.2.2 Inductor
        3. 8.2.2.3 Input Capacitor
        4. 8.2.2.4 Output Capacitor
        5. 8.2.2.5 Boot-Strap Capacitor
      3. 8.2.3 Application Curves
  9. Power Supply Recommendations
  10. 10Layout
    1. 10.1 Layout Guidelines
    2. 10.2 Layout Example
    3. 10.3 Thermal Considerations
  11. 11器件和文档支持
    1. 11.1 文档支持
      1. 11.1.1 相关文档 
    2. 11.2 相关链接
    3. 11.3 商标
    4. 11.4 静电放电警告
    5. 11.5 Glossary
  12. 12机械、封装和可订购信息

封装选项

机械数据 (封装 | 引脚)
散热焊盘机械数据 (封装 | 引脚)
订购信息

1 特性

  • 宽输入电压范围:4.5V 至 42V
  • 内部补偿电压模式控制
  • 在使用低等效串联电阻 (ESR) 陶瓷电容器时可保持稳定
  • 100mΩ N 通道金属氧化物半导体场效应晶体管 (MOSFET)
  • 输出电压选项:
    • -ADJ(输出电压低至 1.285V)
    • -5.0(输出电压固定为 5V)
  • ±1.5% 反馈基准精度
  • 500kHz 默认开关频率
  • 可调开关频率和同步
  • –40°C 至 +125°C 的运行结温范围
  • 精密使能输入
  • 集成引导加载二极管
  • 集成软启动
  • 完全 WEBENCH® 启用
  • LM22677-Q1 是一款汽车级产品,
    符合 AEC-Q100 1 级标准(运行结温范围为 –40°C 至 +125°C)
  • NDR(外露焊盘)

2 应用

  • 工业控制
  • 电信和数通系统
  • 嵌入式系统
  • 转换自标准 24V、12V 和 5V 输入电源轨

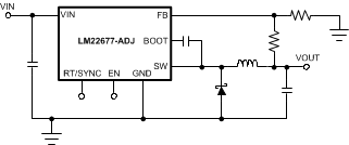
简化应用电路原理图

LM22677 LM22677-Q1 30074101.gif

3 说明

LM22677 开关稳压器可使用最少的外部元件来提供实现高效高压降压稳压器所需的全部功能。 这款稳压器易于使用,且集成有一个 42V N 通道 MOSFET 开关,可提供高达 5A 的负载电流。 并且特有出色的线路和负载调节以及高效率 (> 90%)。 电压模式控制提供较短的最小接通时间,从而实现了输入和输出电压间的最宽比率。 内部环路补偿意味着用户无需承担计算环路补偿组件的枯燥工作。 这款稳压器提供有 5V 固定输出和可调输出电压两种选项。 默认开关频率设为 500kHz,这样便可以使用小型外部元件并且能够提供良好的瞬态响应。 此外,还可以使用单个外部电阻在 200kHz 至 1MHz 的范围内对频率进行调节。 内部振荡器可被同步至一个系统时钟或同步至其它稳压器的振荡器。 精密使能输入可实现稳压器控制和系统电源排序的优化。 在关断模式下,稳压器流耗只有 25µA(典型值)。 LM22677 还内置有热关断和限流功能,可防止器件发生意外过载。

LM22677 器件是德州仪器 (TI) 的成员 SIMPLE SWITCHER® 系列产品。 SIMPLE SWITCHER 概念使用最少量的外部组件和德州仪器 (TI) WEBENCH 设计工具提供了一套易于使用的完整设计。 为了简化设计,TI 的 WEBENCH 工具包含诸如外部元件计算、电气模拟、散热模拟以及内置电路板等特性。

器件信息(1)

器件型号 封装 封装尺寸(标称值)
LM22677 TO-263 (7) 10.16mm x 9.85mm
LM22677-Q1
  1. 要了解所有可用封装,请见数据表末尾的可订购产品附录。

4 修订历史记录

Changes from N Revision (November 2014) to O Revision

  • Changed 文字“引脚”至“输入”Go
  • Changed Q 级部件编号“LM2677'”至纠正后的“LM22677”;在手册顶部导航栏处添加了参考设计图标Go
  • Changed "PFM" Package to "NDR" Package Go

Changes from M Revision (April 2013) to N Revision

  • Added 引脚配置和功能部分,处理额定值表,特性描述部分,器件功能模式应用和实施部分,电源相关建议部分,布局部分,器件和文档支持部分以及机械、封装和可订购信息部分Go
  • Deleted Inverting Regulator ApplicationGo