SNOSD68 June   2017 LM10-MIL

PRODUCTION DATA.  

  1. Features
  2. Applications
  3. Description
  4. Revision History
  5. Pin Configuration and Functions
  6. Specifications
    1. 6.1 Absolute Maximum Ratings
    2. 6.2 Recommended Operating Conditions
    3. 6.3 Thermal Information
    4. 6.4 Electrical Characteristics
    5. 6.5 Typical Characteristics
      1. 6.5.1 Typical Characteristics (Op Amp)
      2. 6.5.2 Typical Characteristics (Reference)
  7. Detailed Description
    1. 7.1 Overview
    2. 7.2 Functional Block Diagram
    3. 7.3 Feature Description
      1. 7.3.1 Operating Characteristics
      2. 7.3.2 Common-Mode Voltage Range
      3. 7.3.3 Operational Amplifier
      4. 7.3.4 Voltage Reference
    4. 7.4 Device Functional Modes
      1. 7.4.1 Floating Mode
      2. 7.4.2 Linear Operation
  8. Application and Implementation
    1. 8.1 Application Information
    2. 8.2 Typical Application
      1. 8.2.1 Design Requirements
      2. 8.2.2 Detailed Design Procedure
      3. 8.2.3 Application Curve
    3. 8.3 System Examples
      1. 8.3.1 Operational Amplifier Offset Adjustment
      2. 8.3.2 Positive Regulators
      3. 8.3.3 Reference and Internal Regulator
  9. Power Supply Recommendations
  10. 10Layout
    1. 10.1 Layout Guidelines
    2. 10.2 Layout Example
  11. 11Device and Documentation Support
    1. 11.1 Device Support
      1. 11.1.1 Device Nomenclature
        1. 11.1.1.1 Definition of Terms
    2. 11.2 Documentation Support
      1. 11.2.1 Related Documentation
    3. 11.3 Community Resources
    4. 11.4 Trademarks
    5. 11.5 Electrostatic Discharge Caution
    6. 11.6 Glossary
  12. 12Mechanical, Packaging, and Orderable Information

封装选项

机械数据 (封装 | 引脚)
散热焊盘机械数据 (封装 | 引脚)
订购信息

Features

  • Input Offset Voltage: 2 mV (Maximum)
  • Input Offset Current: 0.7 nA (Maximum)
  • Input Bias Current: 20 nA (Maximum)
  • Reference Regulation: 0.1% (Maximum)
  • Offset Voltage Drift: 2 μV/°C
  • Reference Drift: 0.002%/°C

Applications

  • Remote Amplifiers
  • Battery-Level Indicators
  • Thermocouple Transmitters
  • Voltage and Current regulators

Description

The LM10-MIL is a monolithic linear IC consisting of a precision reference, an adjustable reference buffer, and an independent, high-quality operational amplifier.

The unit can operate from a total supply voltage as low as 1.1 V or as high as 40 V, drawing only 270 μA. A complementary output stage swings within 15 mV of the supply terminals or will deliver ±20-mA output current with ±0.4-V saturation. Reference output can be as low as 200 mV.

The circuit is recommended for portable equipment and is completely specified for operation from a single power cell. In contrast, high output-drive capability, both voltage and current, along with thermal overload protection, suggest it in demanding general-purpose applications.

The device is capable of operating in a floating mode, independent of fixed supplies. It can function as a remote comparator, signal conditioner, SCR controller or transmitter for analog signals, delivering the processed signal on the same line used to supply power. It is also suited for operation in a wide range of voltage and current regulator applications, from low voltages to several hundred volts, providing greater precision than existing ICs.

This series is available in the three standard temperature ranges, with the commercial part having relaxed limits. In addition, a low-voltage specification (suffix L) is available in the limited temperature ranges at a cost savings.

Device Information(1)

PART NUMBER PACKAGE BODY SIZE (NOM)
LM10-MIL SOIC (14) 8.992 mm × 7.498 mm
SDIP (8) 8.255 mm × 8.255 mm
PDIP (8) 9.81 mm × 6.35 mm
  1. For all available packages, see the orderable addendum at the end of the data sheet.

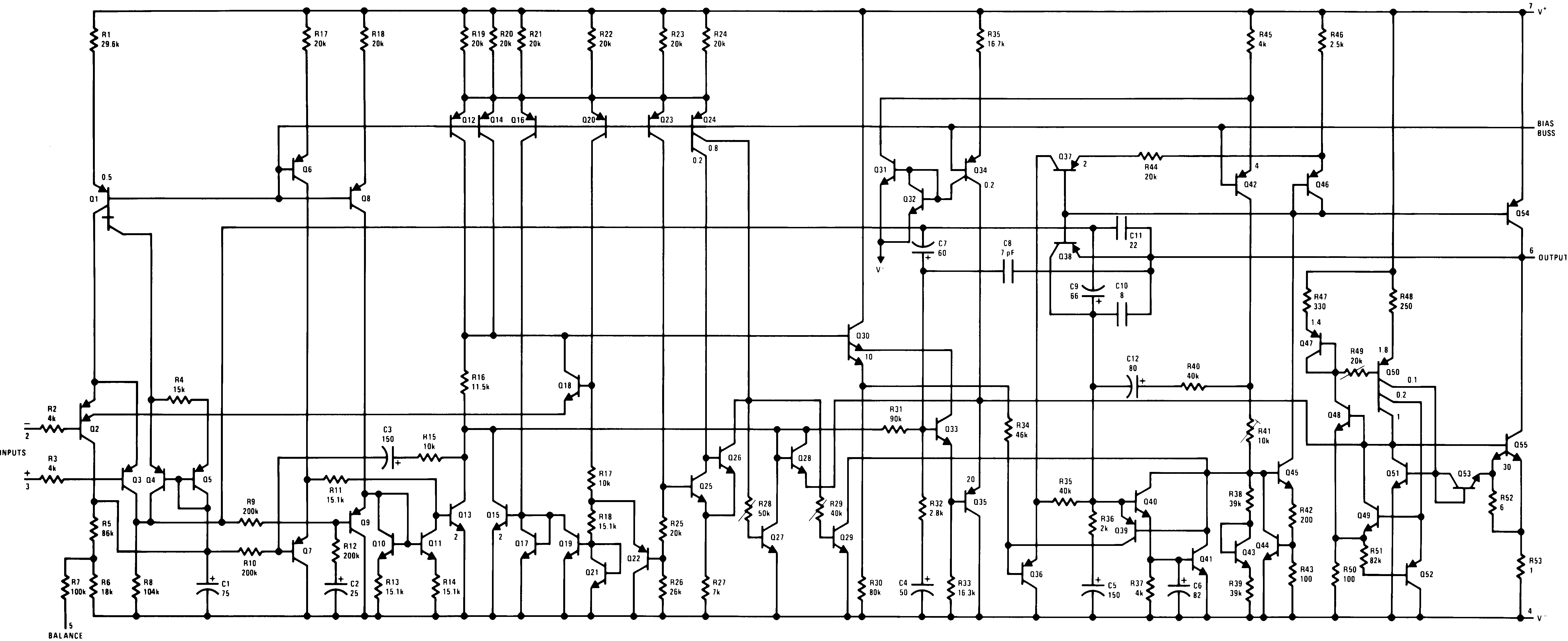
Operational Amplifier Schematic

LM10-MIL 00565213.png
(Pin numbers are for 8-pin packages)