SLVAF77 July   2021 TPS23861 , TPS23882B

 

  1. 1Application Brief

Application Brief

Texas Instruments Power over Ethernet (PoE) Power Sourcing Equipment (PSE) controllers offer four operating modes:

  • Automatic (auto)
  • Semi-auto
  • Manual
  • Autonomous

Each mode offers a different level of control.

Autonomous mode, supported by TI's TPS23861 and TPS23882B, a 4-port and 8-port PSE controller respectively, is a plug-and-play solution where there is no host or I2C communication required. The absence of a host controller means there is no need for software implementation and therefore no Port Power Management (PPM) features.

The main difference between auto and autonomous is the presence of the MCU; auto mode requires an MCU to initialize operation through I2C commands. As it has the same functionality as autonomous mode, auto mode is not included in Table 1-1. The option between the two is to offer design flexibility.

Table 1-1 Operating Modes Comparison
Operating ModeMCU RequiredPPM FeaturesAutomatic Port Power-UpDebug/Diagnostics
Autonomous
Semi-Auto
Manual

Additionally, as shown in Table 1-1, semi-auto mode is capable of various PPM features to control the PSE; thus making it ideal for high port count systems. Manual mode’s flexibility means it is most often used for debugging.

BOM and Size Reduction

Autonomous mode grants an approximate 18% size reduction from the 8 x 14-inch PCB motherboard, Figure 1-1, of TI's 24-port Ethernet Switch EVM. Most significant is the removal of the MSP430 Daughter Card. Further, I2C communication is not required, which withdraws the need for isolation within the PSE Daughter card, and all signal-based communication such as the Power Good signals to the MCU, Edge Connector for PSE signals, and external current sensing circuit.

GUID-20210720-CA0I-QHRN-SG8C-XS4P74Z65RSH-low.gifFigure 1-1 Autonomous Mode Potential BOM/Size Savings

Autonomous Mode System Solutions

Autonomous mode’s characteristic of predetermined port power is best suited for low port count solutions. One such design is a midspan injector. An injector will inject power onto an Ethernet cable coming from a non-PoE switch. By adding power to data, a midspan injector can connect these non-PoE switches with PoE compliant devices through a single Ethernet cable. End applications suited for this solution are Network Video Recorders (NVRs), Digital Video Recorders (DVRs), and Small office/home office (SOHO) business switches. Injectors do not require data layer classification, or Link Layer Discover Protocol (LLDP).

It is important to note that during power-up the TPS23861 autonomous mode allocates 30 W per port. For the TPS23882B autonomous mode, the resistance on the AUTO pin, Table 1-2, determines power allocation for all ports. As a Type-3 2-pair solution, TPS23882B offers either the maximum Class 4, 30 W or lower Class 3, 15.4 W per port.

Table 1-2 AUTO Pin Programming
AUTO PinAutonomous Mode Configuration
Open/FloatingDisabled
124 kΩ2-pair 15.4 W
62 kΩ2-pair 30 W

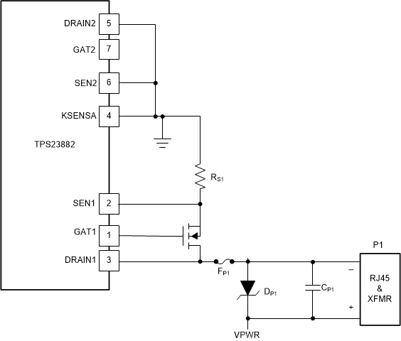
For multiple channel PSE controllers with low port count injectors where a channel is not in use, the SENx should be grounded and GATx pin left open. Leave the DRAINx pin grounded as well. Figure 1-2 shows an example of an unused PORT2.

GUID-20210720-CA0I-K8TW-BTNM-G4BDF0FNQBR5-low.gifFigure 1-2 Unused PORT2 Connections

Power Reference Design Recommendations

It is essential to have a power supply that can support all ports at full power. Texas Instruments is a leader in power management and has an extensive list of available power supply reference designs. Table 1-3 displays recommended TI Power Reference Designs for various injector solutions. TI recommends pairing these power reference designs with the TPS23882B1EVM-008 daughter card and BOOST-PSEMTHR8-097 motherboard to evaluate an IEEE802.3bt compliant autonomous mode PSE system solution.

Table 1-3 Injector Power Supply Reference Designs
Injector Port CountDesired Output Power (W)Power Reference DesignsOutput Power (W)TopologyInput Type
Single Port15.4 WPMP2019930.24 WFlybackAC
30 W
8-port240 W (30 W per port)PMP20367.1 + PMP20367.2302.5 WPFC Boost + Half Bridge LLCAC

Conclusion

The introduction of autonomous mode means a much simpler system design. Operating modes auto, semi-auto, and manual offer more system control but their features can be extraneous. Key autonomous features such as operating without a microcontroller and being a plug-and-play solution, bolster a cost-efficient solution.

The TPS23882B and TPS23861 data sheets and their respective TPS23882B1 and TPS23861 Evaluation Modules provide further details about the PSE Controller. TI’s Reference Design Library can also be leveraged for more power supply reference designs to support an injector solution design.