SLUA475 November   2016 BQ2060A , BQ20Z80 , BQ40Z50-R1 , BQ40Z50-R2 , BQ40Z60 , BQ78350-R1 , BQ78350-R1A

 

  1.   SMBus Made Simple
    1.     Trademarks
    2. 1 Getting to Know SMBus
      1. 1.1 Closer Inspection
      2. 1.2 Final Considerations
        1. 1.2.1 Clock Stretching
        2. 1.2.2 Broadcasting (Master Mode Messages)
        3. 1.2.3 PEC
          1. 1.2.3.1 How to Calculate PEC
        4. 1.2.4 Examples
          1. 1.2.4.1 Example 1
          2. 1.2.4.2 Example 2
          3. 1.2.4.3 Example 3
          4. 1.2.4.4 Example 4
    3. 2 Most Common Problems
    4. 3 Glossary
    5. 4 References
  2.   A SMBus Reference Sheet
    1.     19

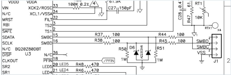
SMBus Made Simple

The System Management Bus (SMBus) is the most common form of communication for Texas Instruments advanced fuel gauges. Many customers want to design SMBus engines to communicate with TI advanced fuel gauges. Though this is possible, these designs sometime lead to confusion and frustration. Investigating SMBus errors or transaction failures can seem to be a difficult or daunting task. The purpose of this application report is to reduce the complexity and make learning SMBus easier. This report assumes some knowledge of I²C.