SLOS630C December 2010 – November 2014 TLV320AIC3256
PRODUCTION DATA.
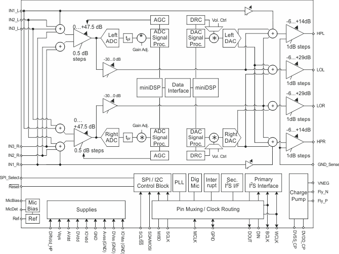
The TLV320AIC3256 (also called the AIC3256) is a flexible, low-power, low-voltage stereo audio codec with programmable inputs and outputs, PowerTune capabilities, fully-programmable miniDSP, fixed predefined and parameterizable signal processing blocks, integrated PLL, and flexible digital interfaces.
| PART NUMBER | PACKAGE | BODY SIZE (NOM) |
|---|---|---|
| TLV320AIC3256 | WQFN (40) | 5.00 mm x 5.00 mm |
| DSBGA (42) | 3.49 mm x 3.29 mm |
