SLLT219 August   2022 ISO1176T , ISO1410 , ISO1412 , ISO1430 , ISO1432 , ISO1450 , ISO1452 , ISO1500 , ISO3086T , ISO35T , ISOW1412 , ISOW1432

 

  1. 11
  2. 2Design Considerations
  3. 3Recommended Parts

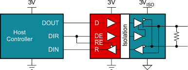
GUID-20220719-SS0I-54XF-BPZB-T27MF0N67CH3-low.gif Example RS-485 Isolation Block Diagram