SLLA474 August   2017 SN6505D-Q1

 

  1. 1TI Tech Note

TI Tech Note

Introduction

Electromechanical relays (ERs) and solid-state relays (SSRs) are widely used in industrial and automotive applications to switch high voltage AC or DC loads, using a low-voltage control signal from a microcontroller that is galvanically isolated from the load. Applications include EV/HEV, motor controls, valve control, battery monitoring and switching, AC mains line switching and many more.

Mechanical relays are slow, bulky, noisy, expensive and subject to wear and tear. Solid-state relays are usually optically isolated devices that suffer from noise sensitivity, poor reliability and aging, especially at higher temperatures. They also offer a limited choice of integrated FETs, limiting design flexibility.

This Tech Note describes a novel way to switch high voltage AC or DC loads by using the SN6505D-Q1 push-pull transformer driver. Compared to present ER and SSR solutions, the described solution offers a robust, highly customizable and flexible solution that helps to reduce system costs and improve reliability.

Applications

SN6505D-Q1 sn6505d-figure-1.gifFigure 1. High-Voltage Switches in EV/HEV Applications

Figure 1 shows typical applications of high-voltage switches in an electric or hybrid car. SSRs/ERs are used to switch resistors of a known value to DC+ and DC- for insulation checks. Any currents flowing to chassis ground can be used to detect the magnitude and location of faults in the insulation. SSRs/ERs can also be used to connect/disconnect DC loads (such as the traction inverter) from the high-voltage (HV) battery. Other applications include switches to pre-charge DC link capacitors, or to discharge DC link capacitors under fault conditions.

Likewise SSRs/ERs are commonly used in industrial applications. For example, they are used in motor applications to fully disconnect the load or switch the AC mains. In thermostats they are used to switch the control circuit or the valves. Figure 2 shows the use of relays in single phase online uninterrupted power supply (UPS) applications.

SN6505D-Q1 sn6505d-figure-2.gifFigure 2. Relays used in Single-Phase Online UPS Application

Limitations of ERs and SSRs

ERs offer low on-resistance and low off-leakage. However the mechanical connection of ERs causes high inrush currents through bouncing and can generate sparks and arcing. Over time, this mechanical stress leads to a slower switching behavior, higher switching noise, higher on-resistance and shorter lifetime compared to solid-state devices. The lifetime also depends on the environmental factors such as mechanical shocks, vibration, humidity and external magnetic fields, as all these factors can have negative influence on the moving parts of ERs. Another drawback of ERs is the slow switching behavior. Furthermore ERs are bulky and often difficult to assemble, which increases system costs for PCB space, housing size and assembly.

SSRs overcome the mechanical limitations of ERs. SSRs usually integrate an optocoupler device for insulation, which often have limited operating temperature ranges especially in automotive grades. Optical isolation is also subject to poor failure-in-time (FIT) rates and lower lifetimes due to change in characteristics due to aging. The integration of back-to-back devices, driver and insulator cause traditional SSRs to be optimized for a specific use case, hence limiting flexible usage.

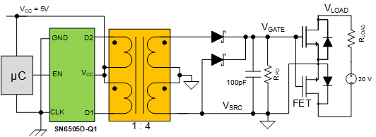
SN6505D-Q1 SN6505D_Figure3.gifFigure 3. SN6505D-Q1 used as a FET Driver

Alternate solutions with push-pull transformer drivers (SN6505D-Q1)

Figure 3 shows how TI's SN6505D-Q1 can be used as a FET driver to replace ERs and SSRs. The SN6505D-Q1 is a low-noise, low-EMI push-pull transformer driver, specifically designed for small form factor, isolated power supplies. The SN6505D-Q1 has a 1-A output drive and fast startup enabling it to drive back-to-back FETs from an isolated low-voltage signal without the need of a secondary side power supply. The Enable control from the microcontroller turns the SN6505D-Q1 ON and OFF. When EN=1 a voltage develops on the gate of the FETs with respect to the Emitter, depending on the input voltage (VCC) and the transformer turns ratio. The 1-A drive of the SN6505D-Q1 enables fast turn-on times, which can be further controlled by a resistor in series with the MOSFET gate (not shown in the figure). A resistor RPD connected between the FET gate and source is used to discharge the FET gates when EN=0. A 100 pF capacitor parallel to RPD is used to filter out noise.

While having the same benefits as SSRs, this solution offers much more flexibility and the usage of lower cost products that are less customized. Having the option to choose the transformer results in a wide range of insulation voltages. Additionally the output voltage can be adjusted by choosing the transformer turns ratio. This flexibility also opens up a broad range of possible switching devices, including MOSFETs, IGBTs and SiC FETs,enabling enabling the engineer to use the temperature range of -40°C to 125°C in automotive grade applications and adjust the size, on-resistance and cost to what is needed for the application.

Test results

Figure 4 shows test results for a setup where SN6505D-Q1 is used to drive two 60-V, 100-mΩ MOSFETs connected back-to-back, as shown in Figure 3. Vload is the voltage across RLOAD, Enable is the input signal to the EN pin of the SN6505D-Q1, Vgate is the voltage on the gate of the MOSFETs.In this experiment, a 200-Ω load (RLOAD) was switched on and off across a 60-V supply. Test results show a turn-on delay of 65 µs and turn-off delay of 20 µs. RPD used was 1 kΩ. A higher value of RPD can be used to increase the turn-off times if soft-turn-off is desired. For example RPD of 10 kΩ increases the turn-off delay to about 160 µs.

SN6505D-Q1 SN6505D_SSR_Vload50-Rpd1-Rload200.gifFigure 4. Test results for SN6505D-Q1 to Control HV FETs

Conclusion

This document describes a novel way to replace SSRs and ERs with a more flexible solution, that increases reliability while reducing system cost. By combining the right transformer and switching device with the SN6505D-Q1, engineers can build highly reliable switches for AC or DC loads.