SFFS311 October   2021 LMR51420 , LMR51430

 

  1. 1Overview
  2. 2Functional Safety Failure In Time (FIT) Rates
  3. 3Failure Mode Distribution (FMD)
  4. 4Pin Failure Mode Analysis (Pin FMA)

Overview

This document contains information for LMR51420 and LMR51430 (SOT23-6 package) to aid in a functional safety system design. Information provided are:

  • Functional Safety Failure In Time (FIT) rates of the semiconductor component estimated by the application of industry reliability standards
  • Component failure modes and their distribution (FMD) based on the primary function of the device
  • Pin failure mode analysis (Pin FMA)

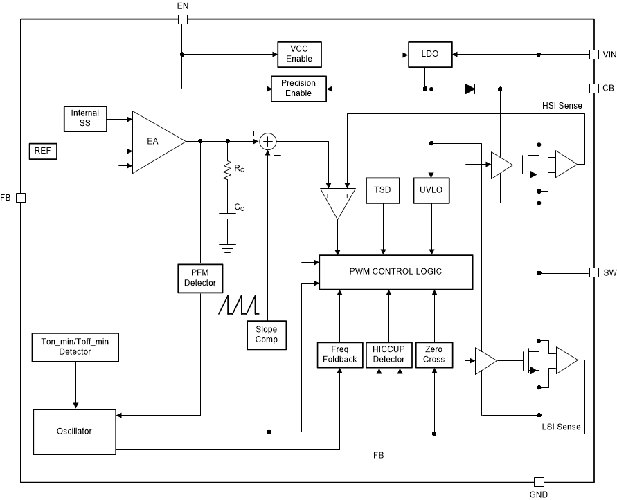
Figure 1-1 shows the device functional block diagram for reference.

GUID-F6CCA3DD-9A6D-4DEC-8398-8CE4E1FB18FF-low.gif Figure 1-1 Functional Block Diagram

LMR51420 and LMR51430 were developed using a quality-managed development process, but were not developed in accordance with the IEC 61508 or ISO 26262 standards.

ADVANCE INFORMATION for preproduction products; subject to change without notice.