SCPS202C October   2009  – May 2016 TCA9539

PRODUCTION DATA.  

  1. Features
  2. Applications
  3. Description
  4. Revision History
  5. Pin Configuration and Functions
  6. Specifications
    1. 6.1 Absolute Maximum Ratings
    2. 6.2 ESD Ratings
    3. 6.3 Recommended Operating Conditions
    4. 6.4 Thermal Information
    5. 6.5 Electrical Characteristics
    6. 6.6 I2C Interface Timing Requirements
    7. 6.7 RESET Timing Requirements
    8. 6.8 Switching Characteristics
    9. 6.9 Typical Characteristics
  7. Parameter Measurement Information
  8. Detailed Description
    1. 8.1 Overview
    2. 8.2 Functional Block Diagram
    3. 8.3 Feature Description
      1. 8.3.1 I/O Port
      2. 8.3.2 RESET Input
      3. 8.3.3 Interrupt (INT) Output
    4. 8.4 Device Functional Modes
      1. 8.4.1 Power-On Reset
    5. 8.5 Programming
      1. 8.5.1 I2C Interface
    6. 8.6 Register Maps
      1. 8.6.1 Device Address
      2. 8.6.2 Control Register and Command Byte
      3. 8.6.3 Register Descriptions
        1. 8.6.3.1 Bus Transactions
          1. 8.6.3.1.1 Writes
          2. 8.6.3.1.2 Reads
  9. Application and Implementation
    1. 9.1 Application Information
    2. 9.2 Typical Application
      1. 9.2.1 Design Requirements
        1. 9.2.1.1 Calculating Junction Temperature and Power Dissipation
        2. 9.2.1.2 Minimizing ICC When I/Os Control LEDs
      2. 9.2.2 Detailed Design Procedure
      3. 9.2.3 Application Curves
  10. 10Power Supply Recommendations
    1. 10.1 Power-On Reset Requirements
  11. 11Layout
    1. 11.1 Layout Guidelines
    2. 11.2 Layout Example
  12. 12Device and Documentation Support
    1. 12.1 Community Resources
    2. 12.2 Trademarks
    3. 12.3 Electrostatic Discharge Caution
    4. 12.4 Glossary
  13. 13Mechanical, Packaging, and Orderable Information

1 Features

  • I2C to Parallel Port Expander
  • Low Standby-Current Consumption
  • Open-Drain Active-Low Interrupt Output
  • Active-Low Reset Input
  • 5-V Tolerant I/O Ports
  • Compatible With Most Microcontrollers
  • 400-kHz Fast I2C Bus
  • Input and Output Configuration Register
  • Polarity Inversion Register
  • Internal Power-on Reset
  • No Glitch on Power Up
  • Noise Filter on SCL and SDA Inputs
  • Address by Two Hardware Address Pins for Use of up to Four Devices
  • Latched Outputs With High-Current Drive Capability for Directly Driving LEDs
  • Latch-Up Performance Exceeds 100 mA Per JESD 78, Class II
  • ESD Protection Exceeds JESD 22
    • 2000-V Human-Body Model (A114-A)
    • 1000-V Charged-Device Model (C101)

2 Applications

  • Servers
  • Routers (Telecom Switching Equipment)
  • Personal Computers, smartphones
  • Industrial Automation
  • I2C GPIO Expansion

3 Description

The TCA9539 is a 24-pin device that provides 16 bits of general purpose parallel input and output (I/O) expansion for the two-line bidirectional I2C bus (or SMBus protocol). The device can operate with a power supply voltage (VCC) range from 1.65 V to 5.5 V. The device supports 100-kHz (I2C Standard mode) and 400-kHz (I2C Fast mode) clock frequencies. I/O expanders such as the TCA9539 provide a simple solution when additional I/Os are needed for switches, sensors, push-buttons, LEDs, fans, and other similar devices.

The features of the TCA9539 include an interrupt that is generated on the INT pin whenever an input port changes state. The A0 and A1 hardware selectable address pins allow up to four TCA9539 devices on the same I2C bus. The device can be reset to its default state by cycling the power supply and causing a power-on-reset. Also, the TCA9539 has a hardware RESET pin that can be used to reset the device to its default state.

Device Information(1)

PART NUMBER PACKAGE BODY SIZE (NOM)
TCA9539 TSSOP (24) 7.80 mm × 4.40 mm
WQFN (24) 4.00 mm × 4.00 mm
VQFN (24) 4.00 mm × 4.00 mm
  1. For all available packages, see the orderable addendum at the end of the data sheet.

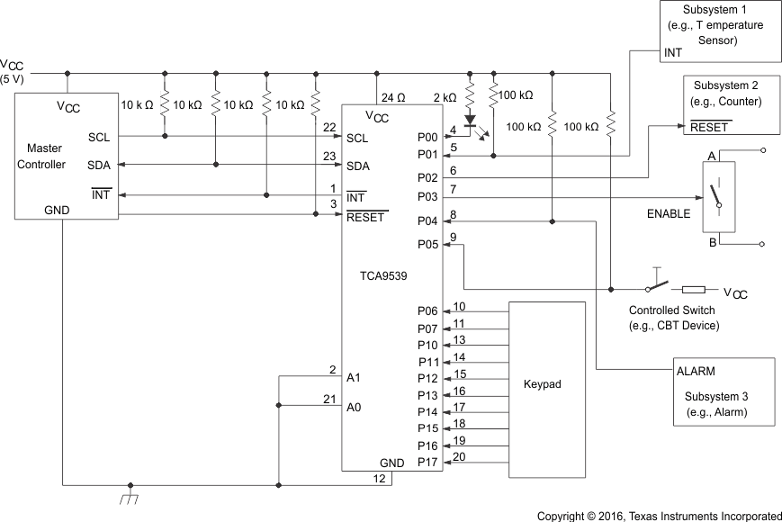
Simplified Schematic

TCA9539 Application_schematic_SCPS202C.gif