SCLA040 November   2020 SN74HCS164 , SN74HCS165 , SN74HCS595

 

  1.   Application Brief

Application Brief

Today’s electronics have to be designed to be able to survive and thrive in hyper-competitive market spaces. One of the key decisions that designers make which impacts many system variables, such as cost competitiveness, is their choice of the system processor or microcontroller. Industrial systems such Programmable Logic Controllers (PLC) and Panel PLCs are just two examples of end-equipment types where processor selection needs to be optimized at an early stage. System designers need to select a controller that has just enough resources to implement the design to ensure a cost-competitive solution. Given the multiple factors that design engineers have to weigh when selecting a processor, the just enough resources and IO criteria approach makes sense. One of the main drawbacks to the just enough approach is that it leaves very little flexibility for design changes.

During the course of a design, system designers are likely to face the critical challenge of incorporating new features or functions after the processor selection and systems partitioning have been completed. Often, the new features will require a combination of firmware and hardware updates. The addition of more system status indicators is a common system update or feature addition that is added after processor selection has been completed. For example, a new PLC design may require additional status indicators to conform to a new market or customer requirement. Although, the firmware update for adding additional status indicators is relatively easy, designers often encounter a challenge in physically implementing the additional indicator circuits as their selected microcontroller may lack the needed additional General Purpose Input Output (GPIO) pins for driving the indicator signals. Given that system partitioning has already been completed, by this time in the design phase, changing the processor is often not an option. One easy solution that system designers can turn to for adding more inputs or outputs is to use simple building block devices such as shift registers.

Shift registers provide a simple and cost-effective way to add a few or many Inputs/Outputs (IO) to a design without having to change the system processor and the system partitioning work that has already been completed. Design engineers can easily add shift register functionality to a design by selecting dedicated shift register integrated circuits enabling them to turn a limited number of GPIO into many more. Designers can also consider using shift registers during the system partitioning phase of their design as a way to optimize the cost of their microcontroller. Greater IO count microcontrollers may cost more than the cost of adding one or two shift registers to a lower cost microcontroller with fewer GPIO.

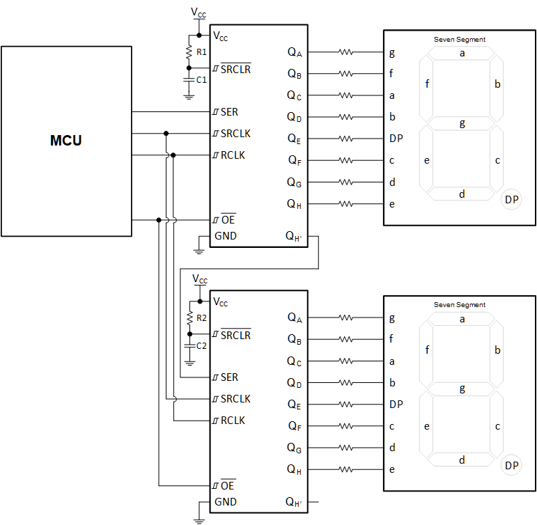
GUID-CA538AC4-FFF6-4A4D-9132-B76D8D23CC58-low.gif Figure 1-1 SN74HCS595 – Output Expansion Example.

A great resource for finding suitable shift register solutions is TI’s logic landing page on ti.com. Shift registers are available in both serial in parallel out (see Figure 1 for output expansion example) and parallel in serial out (see Figure 2 for input expansion example) configurations. Many engineers may be familiar with classic shift register functions such as SN74HC595 and SN74HC164 output expansion shift registers and the SN74HC165 input expansion shift registers that have been available in the market for some time. Newer shift registers, such as the SN74HCS595, SN74HCS164, and SN74HCS165, are designed to meet the needs of modern system designs. These devices maintain the drop-in compatibility of older-generation HC logic devices while also providing lower current consumption, increased drive strength, built-in Schmitt-triggers inputs and operating temperatures up to 125°C. These benefits help designers achieve more robust and higher-performance designs.

As part of Texas Instruments’ new HCS logic family, the new SN74HCS165 provides robust and efficient shift register logic solutions, which are developed on one of TI’s latest process technology nodes, while still maintaining drop-in compatibility with older generation HC logic devices.

The new SN74HCS595, SN74HCS164, and SN74HCS165 devices provide many advantages over existing solutions in the market including:

  • 90% lower current consumption than comparable HC logic versions for low power applications

  • Built-in Schmitt-Trigger inputs enabling customers to achieve better noise immunity and cleaner output transitions

  • –40°C to 125°C temperature range for use in harsher environments

  • 50% more output drive enabling driving ICs connected through longer traces or requiring higher current such as LEDs

  • Higher ESD protection levels for greater handling and manufacturing robustness

  • Availability of Q100-rated devices for enabling automotive applications

The next time a design challenge is encountered that requires the addition of more processor inputs or outputs, consider the latest HCS shift registers solutions from TI to help you get back on your design schedule.

GUID-20200728-CA0I-DFSG-T3V0-2VDF9FZXZ6GV-low.gifFigure 1-2 SN74HCS165 – Input Expansion Example.