ZHCUAK6C March   2011  – August 2021 TPS56121

 

  1.   商标
  2. 引言
  3. 说明
    1. 2.1 应用
    2. 2.2 特性
  4. 电气性能规格
  5. 原理图
  6. 测试设置
    1. 5.1 测试设备
      1. 5.1.1 电压源
      2. 5.1.2 仪表
      3. 5.1.3 负载
      4. 5.1.4 示波器
      5. 5.1.5 风扇
    2. 5.2 推荐的线规
      1. 5.2.1 VIN 至 J1
      2. 5.2.2 J2 至 LOAD
    3. 5.3 设备设置过程
  7. 配置
    1. 6.1 启用选择 (J3)
  8. 测试点说明
    1. 7.1 输入电压监控(TP1 和 TP2)
    2. 7.2 输出电压监控(TP3 和 TP4)
    3. 7.3 启用/软启动监测 (TP5)
    4. 7.4 电源正常状态监控 (TP6)
    5. 7.5 环路响应测试(TP7、TP8、TP9 和 TP10)
    6. 7.6 开关节点电压监测(TP11 和 TP12)
  9. 测试过程
    1. 8.1 启动/关断程序
    2. 8.2 输出波纹电压测量步骤
    3. 8.3 控制环路增益和相位测量步骤
    4. 8.4 设备停机
  10. 性能数据和典型特性曲线
    1. 9.1  效率
    2. 9.2  负载调节
    3. 9.3  线性调整率
    4. 9.4  输出电压纹波
    5. 9.5  开关节点
    6. 9.6  负载瞬态
    7. 9.7  启动
    8. 9.8  电源关闭
    9. 9.9  过流保护
    10. 9.10 控制环路波特图
    11. 9.11 热像图
  11. 10EVM 装配图和 PCB 布局布线
  12. 11物料清单
  13. 12修订历史记录

设备设置过程

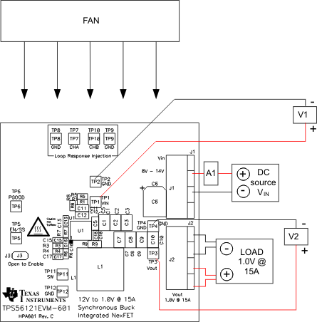
图 5-1 是用于评估 TPS56121EVM-601 的建议测试设置。

GUID-2E52D729-9D76-4644-9572-31133FD51C84-low.gif图 5-1 TPS56121EVM-601 建议测试设置
  1. 在 ESD 工作站上工作时,请确保在为 EVM 加电之前已连接所有腕带、靴带和垫子使用户接地。此外,还建议穿戴防静电工作服和护目镜。
  2. 在连接直流输入源 VIN 之前,建议将 VIN 的源电流限制为最大 3.0A。确保 VIN 初始设置为 0V 并按图 5-1 所示进行连接。
  3. 将 VIN 连接到 J1,如图 5-1 所示。
  4. 在 VIN 和 J1 之间连接电流表 A1,如图 5-1 中所示。
  5. 将电压表 V1 连接到 TP1 和 TP2,如图 5-1 中所示。
  6. 将电压表 V2 连接到 TP3 和 TP4,如图 5-1 中所示。
  7. 图 5-1 所示放置风扇并将其打开,确保空气直接吹过评估模块。