ZHCU877B May   2021  – October 2023

 

  1.   1
  2.   摘要
  3.   商标
  4. 1关键特性
  5. 2EVM 版本和组件型号
  6. 3重要使用说明
  7. 4系统说明
    1. 4.1 关键特性
    2. 4.2 功能方框图
    3. 4.3 加电/断电过程
      1. 4.3.1 加电过程
      2. 4.3.2 断电过程
    4. 4.4 外设和主要元件描述
      1. 4.4.1  计时
        1. 4.4.1.1 以太网 PHY 时钟
        2. 4.4.1.2 AM64x SoC 时钟
      2. 4.4.2  复位
      3. 4.4.3  电源
        1. 4.4.3.1 电源输入
        2. 4.4.3.2 用于电源输入的 USB Type-C 接口
        3. 4.4.3.3 电源故障指示
        4. 4.4.3.4 电源
        5. 4.4.3.5 电源时序
        6. 4.4.3.6 电源
      4. 4.4.4  配置
        1. 4.4.4.1 引导模式
      5. 4.4.5  JTAG
      6. 4.4.6  测试自动化
      7. 4.4.7  UART 接口
      8. 4.4.8  存储器接口
        1. 4.4.8.1 LPDDR4 接口
        2. 4.4.8.2 MMC 接口
          1. 4.4.8.2.1 Micro SD 接口
          2. 4.4.8.2.2 WiLink 接口
          3. 4.4.8.2.3 OSPI 接口
          4. 4.4.8.2.4 板 ID EEPROM 接口
      9. 4.4.9  以太网接口
        1. 4.4.9.1 DP83867 PHY 默认配置
        2. 4.4.9.2 DP83867 – 电源、时钟、复位、中断和 LED
        3. 4.4.9.3 工业应用 LED
      10. 4.4.10 USB 3.0 接口
      11. 4.4.11 PRU 连接器
      12. 4.4.12 用户扩展连接器
      13. 4.4.13 MCU 连接器
      14. 4.4.14 中断
      15. 4.4.15 I2C 接口
      16. 4.4.16 IO 扩展器 (GPIO)
  8. 5已知问题
    1. 5.1 问题 1:LP8733x LDO0 和 LDO1 超出最大输出电容规范
    2. 5.2 问题 2:LP8733x 输出电压为 0.9V,超出 AM64x VDDR_CORE 最大电压规格 0.895V
    3. 5.3 问题 3 - MMC0 上的 SDIO 器件需要注意布线长度,以满足接口时序要求
    4. 5.4 问题 4 - 在压力条件下的 LPDDR4 数据速率限制
    5. 5.5 问题 5 - 垃圾字符
    6. 5.6 问题 6 - 测试断电信号悬空
    7. 5.7 问题 7 - uSD 引导无法正常工作
  9. 6法规遵从性
  10. 7修订历史记录

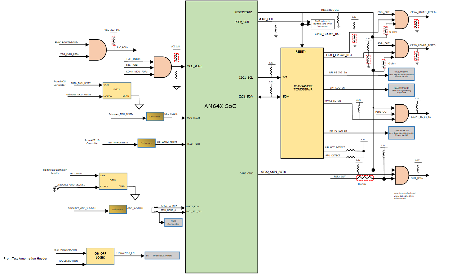
复位

AM64x SoC 可进行以下复位:

  • RESETSTATz 是 MAIN 域的热复位状态输出。
  • PORz_OUT 是 MAIN 域和 MCU 域的加电复位状态。
  • MCU_PORz 是 MCU 域和 MAIN 域的上电/冷复位输入。
  • MCU_RESETz 是 MCU 域的热复位输入。
  • MCU_RESETSTATz 是 MCU 域的热复位状态输出。

SoC_PORz 信号通过对 PMIC 的 PGOOD 信号和 JTAG 仿真器复位进行与操作来提供。MCU_PORz 通过对 MCU 连接器的 CONN_MCU_PORz、测试自动化连接器的 TEST_PORZn 以及 SoC_PORz 进行与操作来提供。

SoC 的 MCU 域热复位 (MCU_RESETz) 和 MCU 域冷复位 (MCU_PORz) 分别由安全连接器的 CONN_MCU_RESETz 和 CONN_MCU_PORz 实现。

加电复位后,连接到 MAIN 域的所有外设均通过 RESETSTATz 以及 GPIO 控件实现复位,如图 4-7 中所示。

GUID-20230502-SS0I-K4BL-DQ6V-T6RS9C1NCLM7-low.png图 4-7 AM64x SK EVM 的整体复位架构