ZHCSJG9B March   2019  – August 2019 LMK00804B-Q1

PRODUCTION DATA.  

  1. 特性
  2. 应用
  3. 说明
    1.     Device Images
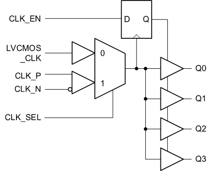
      1.      简化原理图
  4. 修订历史记录
  5. Pin Configuration and Functions
    1.     Pin Functions
  6. Specifications
    1. Table 1. Absolute Maximum Ratings
    2. Table 2. ESD Ratings
    3. Table 3. Recommended Operating Conditions
    4. Table 4. Thermal Information
    5. Table 5. Power Supply Characteristics
    6. Table 6. LVCMOS / LVTTL DC Electrical Characteristics
    7. Table 7. Differential Input DC Electrical Characteristics
    8. Table 8. Switching Characteristics
    9. Table 9. Pin Characteristics
    10. 6.1      Typical Characteristics
  7. Parameter Measurement Information
  8. Detailed Description
    1. 8.1 Overview
    2. 8.2 Functional Block Diagram
    3. 8.3 Feature Description
      1. 8.3.1 Clock Enable Timing
    4. 8.4 Device Functional Modes
  9. Applications and Implementation
    1. 9.1 Application Information
    2. 9.2 Typical Applications
      1. 9.2.1 Output Clock Interface Circuit
        1. 9.2.1.1 Design Requirements
        2. 9.2.1.2 Detailed Design Procedure
        3. 9.2.1.3 Application Curve
          1. 9.2.1.3.1 System-Level Phase Noise and Additive Jitter Measurement
      2. 9.2.2 Input Detail
      3. 9.2.3 Input Clock Interface Circuits
    3. 9.3 Do's and Don'ts
      1. 9.3.1 Power Dissipation Calculations
      2. 9.3.2 Thermal Management
      3. 9.3.3 Recommendations for Unused Input and Output Pins
      4. 9.3.4 Input Slew Rate Considerations
  10. 10Power Supply Recommendations
    1. 10.1 Power Supply Considerations
      1. 10.1.1 Power-Supply Filtering
  11. 11Layout
    1. 11.1 Layout Guidelines
      1. 11.1.1 Ground Planes
      2. 11.1.2 Power Supply Pins
      3. 11.1.3 Differential Input Termination
      4. 11.1.4 LVCMOS Input Termination
      5. 11.1.5 Output Termination
    2. 11.2 Layout Example
  12. 12器件和文档支持
    1. 12.1 文档支持
      1. 12.1.1 相关文档
    2. 12.2 接收文档更新通知
    3. 12.3 社区资源
    4. 12.4 商标
    5. 12.5 静电放电警告
    6. 12.6 Glossary
  13. 13机械、封装和可订购信息

特性

  • 下列性能符合 AEC-Q100 标准:
    • 器件温度等级 1:–40°C 至 +125°C,TA
  • 支持 1.5V 至 3.3V 电平范围的四路 LVCMOS/LVTTL 输出
    • 附加抖动:在 40MHz 时为 0.1ps RMS(典型值)
    • 本底噪声:在 40MHz 时为 –168dBc/Hz(典型值)
    • 输出频率:350MHz(最大值)
    • 输出偏斜:35ps(最大值)
    • 器件间偏移:550ps(最大值)
  • 两个可选输入
    • CLK_P、CLK_N 组合可接受 LVPECL、LVDS、HCSL、SSTL、LVHSTL 或 LVCMOS/LVTTL
    • LVCMOS_CLK 可接受 LVCMOS/LVTTL
  • 同步时钟使能端
  • 核心/输出电源:
    • 3.3V/3.3V
    • 3.3V/2.5V
    • 3.3V/1.8V
    • 3.3V/1.5V
  • 封装:16 引脚 VQFN