ZHCSJ67B December   2018  – January 2025 DP83825I

PRODUCTION DATA  

  1.   1
  2. 特性
  3. 应用
  4. 说明
  5. 引脚配置和功能
    1.     DP83825I 引脚功能
  6. 规格
    1. 5.1 绝对最大额定值
    2. 5.2 ESD 等级
    3. 5.3 建议运行条件
    4. 5.4 热性能信息
    5. 5.5 电气特性
    6. 5.6 时序要求
    7. 5.7 时序图
    8. 5.8 典型特性
  7. 详细说明
    1. 6.1 概述
    2. 6.2 功能方框图
    3. 6.3 特性说明
      1. 6.3.1  自动协商(速度/双工选择)
      2. 6.3.2  自动 MDIX 分辨率
      3. 6.3.3  节能以太网
        1. 6.3.3.1 EEE 概述
        2. 6.3.3.2 EEE 协商
      4. 6.3.4  旧 MAC 的 EEE 不支持 802.3az
      5. 6.3.5  局域网唤醒数据包检测
        1. 6.3.5.1 魔术包结构
        2. 6.3.5.2 魔术包示例
        3. 6.3.5.3 局域网唤醒配置和状态
      6. 6.3.6  低功耗模式
        1. 6.3.6.1 主动睡眠
      7. 6.3.7  IEEE 断电
      8. 6.3.8  深度断电
      9. 6.3.9  简化媒体独立接口 (RMII)
      10. 6.3.10 RMII 中继器模式
      11. 6.3.11 串行管理接口
        1. 6.3.11.1 扩展寄存器空间访问
        2. 6.3.11.2 读取操作
        3. 6.3.11.3 写入操作
      12. 6.3.12 100BASE-TX
        1. 6.3.12.1 100BASE-TX 变送器
          1. 6.3.12.1.1 代码组编码和注入
          2. 6.3.12.1.2 扰频器
          3. 6.3.12.1.3 NRZ 到 NRZI 编码器
          4. 6.3.12.1.4 二进制到 MLT-3 转换器
        2. 6.3.12.2 100BASE-TX 接收器
      13. 6.3.13 10BASE-Te
        1. 6.3.13.1 静噪
        2. 6.3.13.2 正常链路脉冲检测和生成
        3. 6.3.13.3 Jabber
        4. 6.3.13.4 工作链路链极性检测和校正
      14. 6.3.14 环回模式
        1. 6.3.14.1 MII 环回
        2. 6.3.14.2 PCS 环回
        3. 6.3.14.3 数字环回
        4. 6.3.14.4 模拟环回
        5. 6.3.14.5 反向环回
      15. 6.3.15 BIST 配置
      16. 6.3.16 电缆诊断
        1. 6.3.16.1 TDR
        2. 6.3.16.2 快速链路丢弃功能
    4. 6.4 器件功能模式
    5. 6.5 编程
      1. 6.5.1 Strap 配置
        1. 6.5.1.1 PHY 地址配置 (strap)
    6. 6.6 器件寄存器
  8. 应用和实施
    1. 7.1 应用信息
    2. 7.2 典型应用
      1. 7.2.1 设计要求
        1. 7.2.1.1 时钟要求
          1. 7.2.1.1.1 振荡器
          2. 7.2.1.1.2 晶体
      2. 7.2.2 详细设计过程
        1. 7.2.2.1 RMII 布局指南
        2. 7.2.2.2 MDI 布局指南
        3. 7.2.2.3 TPI 网络电路
        4. 7.2.2.4 VOD 配置
    3. 7.3 电源相关建议
    4. 7.4 布局
      1. 7.4.1 布局指南
        1. 7.4.1.1 信号布线
        2. 7.4.1.2 返回路径
        3. 7.4.1.3 变压器布局
          1. 7.4.1.3.1 变压器推荐
        4. 7.4.1.4 电容直流阻断
        5. 7.4.1.5 金属浇注
        6. 7.4.1.6 PCB 层堆叠
      2. 7.4.2 布局示例
  9. 器件和文档支持
    1. 8.1 接收文档更新通知
    2. 8.2 支持资源
    3. 8.3 商标
    4. 8.4 静电放电警告
    5. 8.5 术语表
  10. 修订历史记录
  11. 10机械、封装和可订购信息
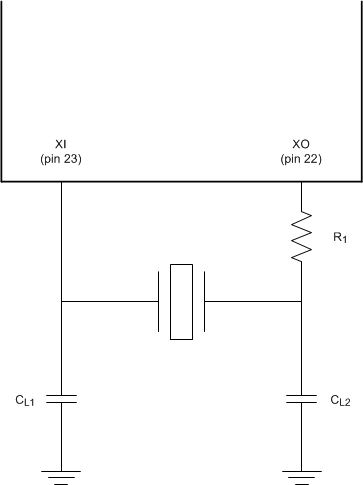
晶体

如果利用晶振运行,建议使用 25MHz 的并联谐振 20pF 负载晶体。晶体谐振器电路的典型连接图如下所示。注:负载电容值因晶体供应商而异。请咨询供应商,了解推荐的负载。对于串联电阻值,应根据晶体驱动电平进行调整。如需了解更多详细信息,可参阅《德州仪器 (TI) 以太网物理层收发器所用晶振的选择与规格》应用报告 (SNLA290)。

DP83825I 晶体振荡器电路图 7-2 晶体振荡器电路
表 7-1 25MHz 晶体规格
参数测试条件最小值典型值最大值单位
频率25MHz
频率容差包括工作温度、老化等因素-5050ppm
负载电容1540pF
ESR50Ω