ZHCSIP8B August   2018  – April 2020 AMC1035

PRODUCTION DATA.  

  1. 特性
  2. 应用
  3. 说明
    1.     Device Images
      1.      应用示例
  4. 修订历史记录
  5. Pin Configuration and Functions
    1.     Pin Functions
  6. Specifications
    1. 6.1 Absolute Maximum Ratings
    2. 6.2 ESD Ratings
    3. 6.3 Recommended Operating Conditions
    4. 6.4 Thermal Information
    5. 6.5 Electrical Characteristics
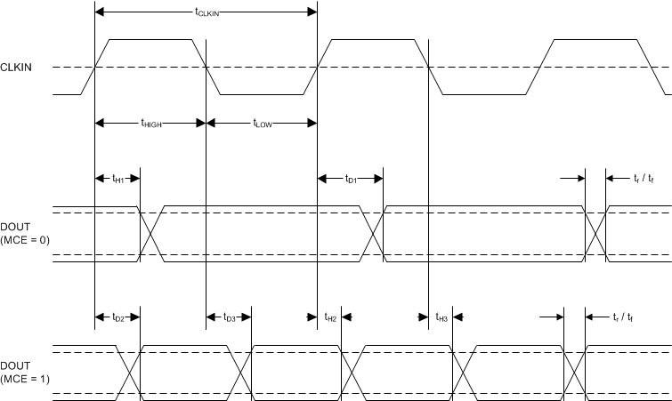
    6. 6.6 Switching Characteristics
    7. 6.7 Typical Characteristics
  7. Detailed Description
    1. 7.1 Overview
    2. 7.2 Functional Block Diagram
    3. 7.3 Feature Description
      1. 7.3.1 Analog Input
      2. 7.3.2 Modulator
      3. 7.3.3 Reference Output
      4. 7.3.4 Clock Input
      5. 7.3.5 Digital Output
      6. 7.3.6 Manchester Coding Feature
    4. 7.4 Device Functional Modes
      1. 7.4.1 Output Behavior in Case of a Full-Scale Input
      2. 7.4.2 Fail-Safe Output
  8. Application and Implementation
    1. 8.1 Application Information
      1. 8.1.1 Digital Filter Usage
    2. 8.2 Typical Applications
      1. 8.2.1 Voltage Sensing
        1. 8.2.1.1 Design Requirements
        2. 8.2.1.2 Detailed Design Procedure
        3. 8.2.1.3 Application Curve
      2. 8.2.2 IGBT Temperature Sensing
      3. 8.2.3 What to Do and What Not to Do
  9. Power Supply Recommendations
  10. 10Layout
    1. 10.1 Layout Guidelines
    2. 10.2 Layout Example
  11. 11器件和文档支持
    1. 11.1 文档支持
      1. 11.1.1 相关文档
    2. 11.2 接收文档更新通知
    3. 11.3 社区资源
    4. 11.4 商标
    5. 11.5 静电放电警告
    6. 11.6 Glossary
  12. 12机械、封装和可订购信息

特性

  • 针对电压和温度感应进行了优化的 Δ-Σ 调制器:
    • ±1V 输入电压范围
    • 高差分输入电阻:1.6GΩ(典型值)
    • 集成 2.5V、±5mA 基准,可实现比例测量
  • 出色的直流性能:
    • 失调电压误差:±0.5mV(最大值)
    • 温漂:±6µV/°C(最大值)
    • 增益误差:±0.25%(最大值)
    • 增益漂移:±45ppm/°C(最大值)
    • 比例增益漂移:±15ppm/°C(最大值)
  • 可选曼彻斯特编码式或未编码式位流输出
  • 完整的额定工作温度范围:–40°C 至 +125°C