ZHCSFL6E July   2016  – November 2023 TUSB522P

PRODUCTION DATA  

  1.   1
  2. 特性
  3. 应用
  4. 说明
  5. Revision History
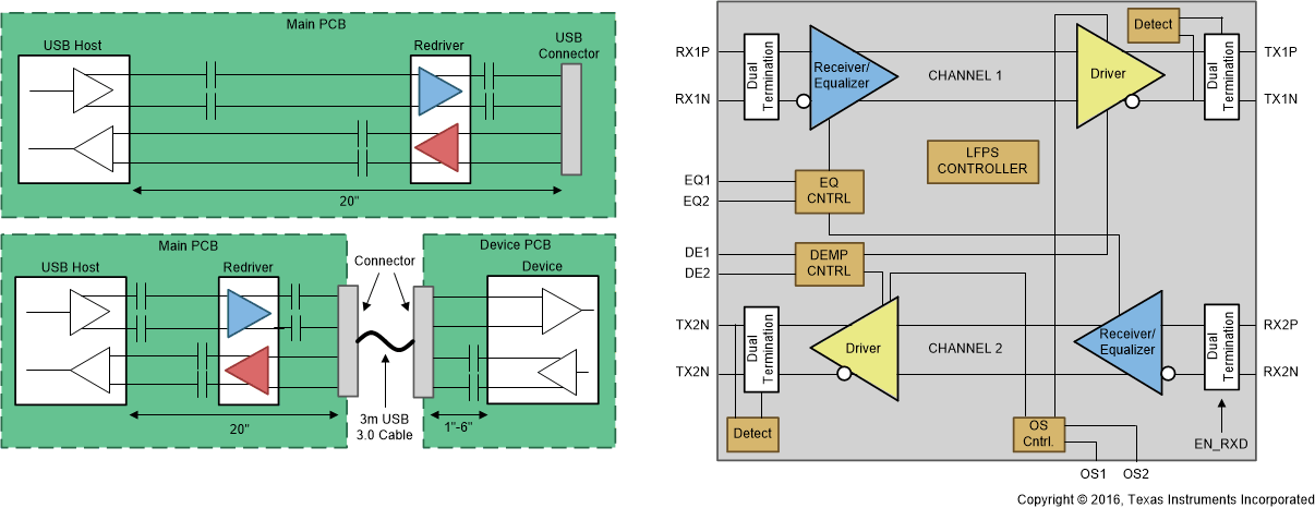
  6. Pin Configuration and Functions
  7. Specifications
    1. 6.1 Absolute Maximum Ratings
    2. 6.2 ESD Ratings
    3. 6.3 Recommended Operating Conditions
    4. 6.4 Thermal Information
    5. 6.5 Electrical Characteristics, Power Supply
    6. 6.6 Electrical Characteristics, DC
    7. 6.7 Electrical Characteristics, AC
  8. Detailed Description
    1. 7.1 Overview
    2. 7.2 Functional Block Diagram
    3. 7.3 Feature Description
      1. 7.3.1 Receiver Equalization
      2. 7.3.2 De-Emphasis Control and Output Swing
      3. 7.3.3 Automatic LFPS Detection
    4. 7.4 Device Functional Modes
      1. 7.4.1 Device Configuration
      2. 7.4.2 Power Modes
        1. 7.4.2.1 U0 Mode (Active Power Mode)
        2. 7.4.2.2 U2/U3 (Low Power Mode)
        3. 7.4.2.3 Disconnect Mode - RX Detect
        4. 7.4.2.4 Shutdown Mode
  9. Application and Implementation
    1. 8.1 Application Information
    2. 8.2 Typical Application
      1. 8.2.1 Design Requirements
      2. 8.2.2 Detailed Design Procedure
        1. 8.2.2.1 ESD Protection
      3. 8.2.3 Application Curves
    3. 8.3 Power Supply Recommendations
    4. 8.4 Layout
      1. 8.4.1 Layout Guidelines
      2. 8.4.2 Layout Example
  10. Device and Documentation Support
    1. 9.1 接收文档更新通知
    2. 9.2 支持资源
    3. 9.3 Trademarks
    4. 9.4 静电放电警告
    5. 9.5 术语表
  11. 10Mechanical, Packaging, and Orderable Information
Data Sheet

TUSB522P 3.3V 双通道 USB 3.1 GEN 1 转接驱动器、均衡器

本资源的原文使用英文撰写。 为方便起见,TI 提供了译文;由于翻译过程中可能使用了自动化工具,TI 不保证译文的准确性。 为确认准确性,请务必访问 ti.com 参考最新的英文版本(控制文档)。