ZHCSEY4 April   2016 DS90UB924-Q1

PRODUCTION DATA.  

  1. 特性
  2. 应用范围
  3. 说明
  4. 修订历史记录
  5. Pin Configuration and Functions
  6. Specifications
    1. 6.1  Absolute Maximum Ratings
    2. 6.2  ESD Ratings
    3. 6.3  Recommended Operating Conditions
    4. 6.4  Thermal Information
    5. 6.5  DC Electrical Characteristics
    6. 6.6  AC Electrical Characteristics
    7. 6.7  DC and AC Serial Control Bus Characteristics
    8. 6.8  Timing Requirements for the Serial Control Bus
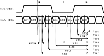
    9. 6.9  Timing Requirements
    10. 6.10 Typical Characteristics
  7. Detailed Description
    1. 7.1 Overview
    2. 7.2 Functional Block Diagram
    3. 7.3 Feature Description
      1. 7.3.1  High-Speed Forward Channel Data Transfer
      2. 7.3.2  Low-Speed Back Channel Data Transfer
      3. 7.3.3  Backward Compatible Mode
      4. 7.3.4  Input Equalization
      5. 7.3.5  Common Mode Filter Pin (CMF)
      6. 7.3.6  Power Down (PDB)
      7. 7.3.7  Video Control Signals
      8. 7.3.8  EMI Reduction Features
        1. 7.3.8.1 LVCMOS VDDIO Option
      9. 7.3.9  Built In Self Test (BIST)
        1. 7.3.9.1 BIST Configuration and Status
          1. 7.3.9.1.1 Sample BIST Sequence
        2. 7.3.9.2 Forward Channel and Back Channel Error Checking
      10. 7.3.10 Internal Pattern Generation
        1. 7.3.10.1 Pattern Options
        2. 7.3.10.2 Color Modes
        3. 7.3.10.3 Video Timing Modes
        4. 7.3.10.4 External Timing
        5. 7.3.10.5 Pattern Inversion
        6. 7.3.10.6 Auto Scrolling
        7. 7.3.10.7 Additional Features
      11. 7.3.11 Serial Link Fault Detect
      12. 7.3.12 Oscillator Output
      13. 7.3.13 Interrupt Pin (INTB / INTB_IN)
      14. 7.3.14 General-Purpose I/O
        1. 7.3.14.1 GPIO[3:0]
        2. 7.3.14.2 GPIO[8:5]
      15. 7.3.15 I2S Audio Interface
        1. 7.3.15.1 I2S Transport Modes
        2. 7.3.15.2 I2S Repeater
        3. 7.3.15.3 I2S Jitter Cleaning
        4. 7.3.15.4 MCLK
      16. 7.3.16 AV Mute Prevention
      17. 7.3.17 OEN Toggling Limitation
    4. 7.4 Device Functional Modes
      1. 7.4.1 Clock and Output Status
      2. 7.4.2 FPD-Link (OpenLDI) Input Frame and Color Bit Mapping Select
      3. 7.4.3 Low Frequency Optimization (LFMODE)
      4. 7.4.4 Mode Select (MODE_SEL)
      5. 7.4.5 Repeater Configuration
        1. 7.4.5.1 Repeater Connections
          1. 7.4.5.1.1 Repeater Fan-Out Electrical Requirements
    5. 7.5 Programming
    6. 7.6 Register Maps
  8. Application and Implementation
    1. 8.1 Application Information
    2. 8.2 Typical Application
      1. 8.2.1 Design Requirements
      2. 8.2.2 Detailed Design Procedure
        1. 8.2.2.1 Transmission Media
        2. 8.2.2.2 Display Application
      3. 8.2.3 Application Curves
  9. Power Supply Recommendations
    1. 9.1 Power Up Requirements and PDB Pin
    2. 9.2 Analog Power Signal Routing
  10. 10Layout
    1. 10.1 Layout Guidelines
      1. 10.1.1 CML Interconnect Guidelines
    2. 10.2 Layout Example
  11. 11器件和文档支持
    1. 11.1 文档支持
      1. 11.1.1 相关文档 
    2. 11.2 社区资源
    3. 11.3 商标
    4. 11.4 静电放电警告
    5. 11.5 Glossary
  12. 12机械、封装和可订购信息

1 特性

  • 适用于汽车电子 应用 AEC-Q100
    • 器件温度 2 级:-40℃ 至 +105℃ 的环境运行温度范围
    • 器件人体放电模型 (HBM) 静电放电 (ESD) 分类等级 ±8kV
    • 带电器件模型 (CDM) ESD 分类等级 C6
  • 支持 5MHz 至 96MHz 像素时钟
  • 双向控制通道接口,可连接兼容 I2C 的串行控制总线
  • 低电磁干扰 (EMI) OpenLDI 视频输出
  • 支持高清 (720p) 数字视频
  • 支持 RGB888 + VS,HS,DE 和 I2S 音频
  • 多达 4 个适用于环绕立体声应用的 I2S 数字音频 输出
  • 4 条具有 2 个专用引脚的双向通用输入输出 (GPIO) 通道
  • 通过兼容 1.8V 或 3.3V 的低电压互补金属氧化物半导体 (LVCMOS) I/O 接口实现 3.3V 单电源供电运行
  • 具有嵌入式时钟的直流均衡和扰频数据
  • 自适应电缆均衡
  • 内部模式生成
  • 向后兼容模式

2 应用范围

  • 汽车用触摸显示屏
  • 汽车导航显示屏
  • 汽车仪表板

3 说明

DS90UB924-Q1 解串器与 DS90UB921-Q1、DS90UB925Q-Q1、DS90UB927Q-Q1、DS90UB929-Q1、DS90UB949-Q1 或 DS90UB947-Q1 串行器配套使用,可针对汽车信息娱乐系统内的数字视频和音频的分配提供一套解决方案。该器件可将嵌入时钟的高速串行化接口(通过单信号对 (FPD-Link III) 传输)转换为四个 LVDS 数据/控制流、一个 LVDS 时钟对 (OpenLDI) 以及 I2S 音频数据。FPD-Link III 串行总线方案支持通过单条差分链路实现高速正向通道数据传输和低速反向通道通信的全双工控制。通过单个差分对整合音频、视频和和控制数据可减小互连线尺寸和重量,同时还消除了偏差问题并简化了系统设计。

通过对串行输入数据流使用自适应输入均衡功能,可对传输介质损耗和确定性抖动进行补偿。通过使用低压差分信令可最大限度减少电磁干扰 (EMI)。

器件信息 (1)

部件号 封装 封装尺寸(标称值)
DS90UB924-Q1 WQFN (48) 7.00mm x 7.00mm
  1. 要了解所有可用封装,请参见数据表末尾的可订购产品附录。
DS90UB924-Q1 DS90UB924V_TYP_APP.gif