• Menu
  • Product
  • Email
  • PDF
  • Order now
  • AMC1304x 具有 LDO 的高精度、增强隔离式 Δ-Σ 调制器

    • ZHCSDX9E September   2014  – January 2017 AMC1304L05 , AMC1304L25 , AMC1304M05 , AMC1304M25

      PRODUCTION DATA.  

  • CONTENTS
  • SEARCH
  • AMC1304x 具有 LDO 的高精度、增强隔离式 Δ-Σ 调制器
  1. 1 特性
  2. 2 应用
  3. 3 说明
  4. 4 修订历史记录
  5. 5 Device Comparison Table
  6. 6 Pin Configurations and Functions
  7. 7 Specifications
    1. 7.1  Absolute Maximum Ratings
    2. 7.2  ESD Ratings
    3. 7.3  Recommended Operating Conditions
    4. 7.4  Thermal Information
    5. 7.5  Power Ratings
    6. 7.6  Insulation Specifications
    7. 7.7  Safety-Related Certifications
    8. 7.8  Safety Limiting Values
    9. 7.9  Electrical Characteristics: AMC1304x05
    10. 7.10 Electrical Characteristics: AMC1304x25
    11. 7.11 Switching Characteristics
    12. 7.12 Insulation Characteristics Curves
    13. 7.13 Typical Characteristics
  8. 8 Detailed Description
    1. 8.1 Overview
    2. 8.2 Functional Block Diagram
    3. 8.3 Feature Description
      1. 8.3.1 Analog Input
      2. 8.3.2 Modulator
      3. 8.3.3 Digital Output
    4. 8.4 Device Functional Modes
      1. 8.4.1 Fail-Safe Output
      2. 8.4.2 Output Behavior in Case of a Full-Scale Input
  9. 9 Application and Implementation
    1. 9.1 Application Information
      1. 9.1.1 Digital Filter Usage
    2. 9.2 Typical Applications
      1. 9.2.1 Frequency Inverter Application
        1. 9.2.1.1 Design Requirements
        2. 9.2.1.2 Detailed Design Procedure
        3. 9.2.1.3 Application Curve
      2. 9.2.2 Isolated Voltage Sensing
        1. 9.2.2.1 Design Requirements
        2. 9.2.2.2 Detailed Design Procedure
        3. 9.2.2.3 Application Curve
      3. 9.2.3 Do's and Don'ts
  10. 10Power-Supply Recommendations
  11. 11Layout
    1. 11.1 Layout Guidelines
    2. 11.2 Layout Examples
  12. 12器件和文档支持
    1. 12.1 文档支持
      1. 12.1.1 相关文档 
    2. 12.2 相关链接
    3. 12.3 接收文档更新通知
    4. 12.4 社区资源
    5. 12.5 商标
    6. 12.6 静电放电警告
    7. 12.7 Glossary
  13. 13机械、封装和可订购信息
  14. 重要声明
search No matches found.
  • Full reading width
    • Full reading width
    • Comfortable reading width
    • Expanded reading width
  • Card for each section
  • Card with all content

 

DATA SHEET

AMC1304x 具有 LDO 的高精度、增强隔离式 Δ-Σ 调制器

本资源的原文使用英文撰写。 为方便起见,TI 提供了译文;由于翻译过程中可能使用了自动化工具,TI 不保证译文的准确性。 为确认准确性,请务必访问 ti.com 参考最新的英文版本(控制文档)。

1 特性

  • 针对基于分流电阻的电流测量进行优化的引脚兼容系列:
    • 输入电压范围为 ±50mV 或 ±250mV
    • CMOS 或 LVDS 数字接口选项
  • 出色的直流性能,支持系统级高精度感测:
    • 偏移误差:±50µV 或 ±100µV(最大值)
    • 偏移漂移:1.3µV/°C(最大值)
    • 增益误差:±0.2% 或 ±0.3%(最大值)
    • 增益漂移:±40ppm/°C(最大值)
  • 安全相关认证:
    • 7000 VPK 增强型隔离,符合 DIN V VDE V 0884-10 (VDE V 0884-10): 2006-12 标准
    • 符合 UL 1577 标准且长达 1 分钟的 5000 VRMS 隔离
    • CAN/CSA No. 5A 组件接受服务通知、IEC 60950-1 和 IEC 60065 终端设备标准
  • 瞬态抗扰度:15kV/µs(最小值)
  • 高电磁场抗扰度
    (请参见应用手册 SLLA181A)
  • 外部 5MHz 至 20MHz 时钟输入
    可更加轻松地实现系统级同步
  • 18V 片载低压降 (LDO) 稳压器
  • 可在扩展工业温度范围内运行

2 应用

  • 基于分流电阻的电流感测用于下列应用:
    • 工业电机驱动
    • 光电逆变器
    • 不间断电源
  • 隔离电压测量

3 说明

AMC1304 是一款高精度 Δ-Σ (ΔΣ) 调制器,通过磁场抗扰度较高的电容式双隔离栅隔离输出与输入电路。根据 DIN V VDE V 0884-10、UL1577 和 CSA 标准,该隔离栅经认证可提供高达 7000 VPEAK 的增强型隔离。当与隔离电源配合使用时,该器件可防止共模高电压线路上的噪声电流进入本地系统接地,从而干扰或损害低电压电路。

AMC1304 的输入针对直接连接分流电阻或其他低电压等级信号源进行了优化。凭借独特的 ±50mV 低输入电压范围,器件可通过分流显著降低功耗,同时具有出色的交流和直流性能。通过使用适当的数字滤波器(即集成于 TMS320F2807x 或 TMS320F2837x 系列)来抽取位流,该器件可在 78kSPS 数据速率下实现 81dB (13.2 ENOB) 动态范围的 16 位分辨率。

在高侧,调制器由集成的低压降 (LDO) 稳压器供电,该稳压器支持介于 4V 和 18V 之间的未经稳压的输入电压 (LDOIN)。隔离数字接口由 3.3V 或 5V 电源 (DVDD) 供电。

AMC1304 采用宽体小外形尺寸集成电路 (SOIC)-16 (DW) 封装,工作温度范围为 –40°C 至 +125°C。

器件信息(1)

器件型号 封装 封装尺寸(标称值)
AMC1304x SOIC (16) 10.30mm x 7.50mm
  1. 如需了解所有可用封装,请见数据表末尾的可订购产品附录。

简化电路原理图

AMC1304L05 AMC1304L25 AMC1304M05 AMC1304M25 ai_sch_bas655.gif

4 修订历史记录

Changes from D Revision (August 2016) to E Revision

  • Changed V(ESD) for Human-body model (HBM) from ±2000 V to ±2500 VGo
  • Changed 1G and 10G to 1M and 10M, respectively, in Quantization Noise Shaping figureGo

Changes from C Revision (September 2015) to D Revision

  • 已更改“特性”部分:删除了经过认证的隔离隔栅分项,增加了安全相关认证和瞬态抗扰度分项Go
  • 已更改简化原理图 Go
  • Changed Specifications section to comply with ISO data sheet format Go
  • Changed Maximum virtual junction parameter to Junction temperature in Absolute Maximum Ratings table Go
  • Moved Power Rating, Insulation Specifications, Safety-Related Certifications, and Safety Limiting Values tables, changed to current standardsGo
  • Changed Insulation Specifications table as per ISO standard Go
  • Added Safety and Insulation Characteristics section Go
  • Changed Figure 54 (The AMC1304 in a Frequency Inverter Application)Go
  • Changed Figure 58 (Decoupling the AMC1304)Go

Changes from B Revision (July 2015) to C Revision

  • 已将文档状态更改为完整量产数据:已将 AMC1304Mx5 发布为量产数据Go
  • Changed status of AMC1304Mx5 rows to Production in Device Comparison Table Go
  • Changed title of AMC1304x05 Electrical Characteristics table from AMC1304L05 to AMC1304x05 Go
  • Changed typical specification in second row of DC Accuracy, PSRR parameter of AMC1304x05 Electrical Characteristics tableGo
  • Added CMOS Logic Family (AMC1304M05) section to AMC1304x05 Electrical Characteristics tableGo
  • Added last two rows to the Power Supply, IDVDD and PDVDD parameters of AMC1304x05 Electrical Characteristics tableGo
  • Changed title of AMC1304x25 Electrical Characteristics table from AMC1304L25 to AMC1304x25Go
  • Changed typical specification in second row of DC Accuracy, PSRR parameter of AMC1304x25 Electrical Characteristics table Go
  • Added CMOS Logic Family (AMC1304M05) section to AMC1304x25 Electrical Characteristics table Go
  • Added footnote 4 to AMC1304x25 Electrical Characteristics tableGo
  • Added last two rows to the Power Supply, IDVDD and PDVDD parameters of AMC1304x25 Electrical Characteristics table Go
  • Changed legends of Figure 6 and Figure 7 to include all devices, changed conditions of Figure 10 and Figure 11 Go
  • Changed conditions of Figure 12, Figure 13, and Figure 14 Go
  • Changed legends of Figure 19 to Figure 22, changed conditions of Figure 23 Go
  • Changed conditions of Figure 24 and Figure 29 Go
  • Changed conditions of Figure 30 and Figure 35 Go
  • Changed conditions of Figure 36 to Figure 40 Go
  • Added CMOS curve to Figure 44 to Figure 47 Go
  • Changed legend of Figure 57 Go

Changes from A Revision (May 2015) to B Revision

  • 已将 AMC1304L25 发布为量产数据Go
  • 已更改第二个特性要点的偏移误差和增益误差 分项 ,以包括 AMC1304L25 规范Go
  • Changed status of second row to Production Go
  • Changed table order in Specifications section to match correct SDS flowGo
  • Added AMC1304L25 Electrical Characteristics table Go
  • Changed Typical Characteristics section: changed condition statement to reflect AINP difference between device, added AMC1304L25 related curvesGo
  • Added AMC1304L25 plot to Figure 6 and Figure 7 Go
  • Changed Figure 10 Go
  • Added Figure 11 Go
  • Added Figure 12 and condition to Figure 13 Go
  • Changed Figure 14 Go
  • Added AMC1304L25 plot to Figure 19, Figure 20, Figure 21, and Figure 22 Go
  • Added Figure 23 Go
  • Added Figure 29 and condition to Figure 24 Go
  • Added condition to Figure 30 Go
  • Added Figure 35 Go
  • Added condition to Figure 36 Go
  • Added device name to conditions of Figure 37 and Figure 38 Go
  • Added Figure 39 and Figure 40 Go

Changes from * Revision (September 2014) to A Revision

  • 已更改产品预览文档;已将 AMC1304L05 发布为量产数据Go

5 Device Comparison Table

DEVICE INPUT VOLTAGE RANGE DIFFERENTIAL INPUT RESISTANCE DIGITAL OUTPUT INTERFACE
AMC1304L05 ±50 mV 5 kΩ LVDS
AMC1304L25 ±250 mV 25 kΩ LVDS
AMC1304M05 ±50 mV 5 kΩ CMOS
AMC1304M25 ±250 mV 25 kΩ CMOS

6 Pin Configurations and Functions

DW Package: LVDS Interface Versions (AMC1304Lx)
16-Pin SOIC
Top View
AMC1304L05 AMC1304L25 AMC1304M05 AMC1304M25 po_LVDS_bas655.gif
DW Package: CMOS Interface Versions (AMC1304Mx)
16-Pin SOIC
Top View
AMC1304L05 AMC1304L25 AMC1304M05 AMC1304M25 po_CMOS_bas655.gif

Pin Functions

PIN I/O DESCRIPTION
NAME NO.
AMC1304Lx
(LVDS)
AMC1304Mx
(CMOS)
AGND 4 4 — This pin is internally connected to pin 8 and can be left unconnected or tied to high-side ground
8 8 — High-side ground reference
AINN 3 3 I Inverting analog input
AINP 2 2 I Noninverting analog input
CLKIN 13 13 I Modulator clock input, 5 MHz to 20.1 MHz
CLKIN_N 12 — I Inverted modulator clock input
DGND 9, 16 9, 16 — Controller-side ground reference
DOUT 11 11 O Modulator data output
DOUT_N 10 — O Inverted modulator data output
DVDD 14 14 — Controller-side power supply, 3.0 V to 5.5 V.
See the Power-Supply Recommendations section for decoupling recommendations.
LDOIN 6 6 — Low dropout regulator input, 4 V to 18 V
NC 1 1 — This pin can be connected to VCAP or left unconnected
5 5 — This pin can be left unconnected or tied to AGND only
— 10, 12 — These pins have no internal connection
15 15 — This pin can be left unconnected or tied to DVDD only
VCAP 7 7 — LDO output. See the Power-Supply Recommendations section for decoupling recommendations.

7 Specifications

7.1 Absolute Maximum Ratings

over the operating ambient temperature range (unless otherwise noted)(1)
MIN MAX UNIT
Supply voltage DVDD to DGND –0.3 6.5 V
LDO input voltage LDOIN to AGND –0.3 26 V
Analog input voltage at AINP, AINN AGND – 6 3.7 V
Digital input voltage at CLKIN, CLKIN_N DGND – 0.3 DVDD + 0.3 V
Input current to any pin except supply pins –10 10 mA
Junction temperature, TJ 150 °C
Storage temperature, Tstg –65 150 °C
(1) Stresses beyond those listed under Absolute Maximum Ratings may cause permanent damage to the device. These are stress ratings only, and do not imply functional operation of the device at these or any other conditions beyond those indicated. Exposure to absolute-maximum-rated conditions for extended periods may affect device reliability.

7.2 ESD Ratings

VALUE UNIT
V(ESD) Electrostatic discharge Human-body model (HBM), per ANSI/ESDA/JEDEC JS-001(1) ±2500 V
Charged-device model (CDM), per JEDEC specification JESD22-C101(2) ±1000
(1) JEDEC document JEP155 states that 500-V HBM allows safe manufacturing with a standard ESD control process.
(2) JEDEC document JEP157 states that 250-V CDM allows safe manufacturing with a standard ESD control process.

7.3 Recommended Operating Conditions

over operating free-air temperature range (unless otherwise noted)
MIN NOM MAX UNIT
LDOIN LDO input supply voltage (LDOIN pin) 4.0 15.0 18.0 V
DVDD Digital (controller-side) supply voltage (DVDD pin) 3.0 3.3 5.5 V
TA Operating ambient temperature range –40 125 °C

7.4 Thermal Information

THERMAL METRIC (1) AMC1304x UNIT
DW (SOIC)
16 PINS
RθJA Junction-to-ambient thermal resistance 80.2 °C/W
RθJC(top) Junction-to-case (top) thermal resistance 40.5 °C/W
RθJB Junction-to-board thermal resistance 45.1 °C/W
ψJT Junction-to-top characterization parameter 11.9 °C/W
ψJB Junction-to-board characterization parameter 44.5 °C/W
RθJC(bot) Junction-to-case (bottom) thermal resistance n/a °C/W
(1) For more information about traditional and new thermal metrics, see the Semiconductor and IC Package Thermal Metrics application report.

7.5 Power Ratings

PARAMETER TEST CONDITIONS VALUE UNIT
PD Maximum power dissipation (both sides) LDOIN = 18 V, DVDD = 5.5 V 161 mW
PD1 Maximum power dissipation (high-side supply) LDOIN = 18 V 117 mW
PD2 Maximum power dissipation (low-side supply) DVDD = 5.5 V, LVDS, RLOAD = 100 Ω 44 mW

7.6 Insulation Specifications

PARAMETER TEST CONDITIONS VALUE UNIT
GENERAL
CLR Minimum air gap (clearance)(1) Shortest pin-to-pin distance through air ≥ 8 mm
CPG Minimum external tracking (creepage)(1) Shortest pin-to-pin distance across the package surface ≥ 8 mm
DTI Distance through insulation Minimum internal gap (internal clearance) of the double insulation (2 × 0.0135 mm) 0.027 mm
CTI Comparative tracking index DIN EN 60112 (VDE 0303-11); IEC 60112 ≥ 600 V
Material group According to IEC 60664-1 I
Overvoltage category per IEC 60664-1 Rated mains voltage ≤ 300 VRMS I-IV
Rated mains voltage ≤ 600 VRMS I-III
Rated mains voltage ≤ 1000 VRMS I-II
DIN V VDE V 0884-10 (VDE V 0884-10): 2006-12(2)
VIORM Maximum repetitive peak isolation voltage At ac voltage (bipolar or unipolar) 1414 VPK
VIOWM Maximum-rated isolation working voltage At ac voltage (sine wave) 1000 VRMS
At dc voltage 1500 VDC
VIOTM Maximum transient isolation voltage VTEST = VIOTM, t = 60 s (qualification test) 7000 VPK
VTEST = 1.2 x VIOTM, t = 1 s (100% production test) 8400
VIOSM Maximum surge isolation voltage(3) Test method per IEC 60065, 1.2/50-μs waveform, VTEST = 1.6 x VIOSM = 10000 VPK (qualification) 6250 VPK
qpd Apparent charge(4) Method a, after input/output safety test subgroup 2 / 3, Vini = VIOTM, tini = 60 s, Vpd(m) = 1.2 x VIORM = 1697 VPK, tm = 10 s ≤ 5 pC
Method a, after environmental tests subgroup 1, Vini = VIOTM, tini = 60 s, Vpd(m) = 1.6 x VIORM = 2263 VPK, tm = 10 s ≤ 5 pC
Method b1, at routine test (100% production) and preconditioning (type test), Vini = VIOTM, tini = 1 s, Vpd(m) = 1.875 x VIORM = 2652 VPK, tm = 1 s ≤ 5 pC
CIO Barrier capacitance, input to output(5) VIO = 0.5 VPP at 1 MHz 1.2 pF
RIO Insulation resistance, input to output(5) VIO = 500 V at TS = 150°C > 109 Ω
Pollution degree 2
Climatic category 40/125/21
UL1577
VISO Withstand isolation voltage VTEST = VISO = 5000 VRMS or 7000 VDC, t = 60 s (qualification test), VTEST = 1.2 x VISO = 6000 VRMS, t = 1 s (100% production test) 5000 VRMS
(1) Apply creepage and clearance requirements according to the specific equipment isolation standards of an application. Care must be taken to maintain the creepage and clearance distance of a board design to ensure that the mounting pads of the isolator on the printed circuit board (PCB) do not reduce this distance. Creepage and clearance on a PCB become equal in certain cases. Techniques such as inserting grooves or ribs on the PCB are used to help increase these specifications.
(2) This coupler is suitable for safe electrical insulation only within the safety ratings. Compliance with the safety ratings shall be ensured by means of suitable protective circuits.
(3) Testing is carried out in air or oil to determine the intrinsic surge immunity of the isolation barrier.
(4) Apparent charge is electrical discharge caused by a partial discharge (pd).
(5) All pins on each side of the barrier are tied together, creating a two-pin device.

7.7 Safety-Related Certifications

VDE UL
Certified according to DIN V VDE V 0884-10 (VDE V 0884-10): 2006-12, DIN EN 60950-1 (VDE 0805 Teil 1): 2014-08, and DIN EN 60095 (VDE 0860): 2005-11 Recognized under UL1577 component recognition and CSA component acceptance NO 5 programs
Reinforced insulation Single protection
File number: 40040142 File number: E181974

7.8 Safety Limiting Values

Safety limiting intends to prevent potential damage to the isolation barrier upon failure of input or output (I/O) circuitry. A failure of the I/O circuitry may allow low resistance to ground or the supply and, without current limiting, dissipate sufficient power to overheat the die and damage the isolation barrier, potentially leading to secondary system failures.
PARAMETER TEST CONDITIONS MIN TYP MAX UNIT
IS Safety input, output, or supply current θJA = 80.2°C/W, LDOIN = 18 V, TJ = 150°C,
TA = 25°C, see Figure 3
86.5 mA
PS Safety input, output, or total power θJA = 80.2°C/W, TJ = 150°C, TA = 25°C, see Figure 4 1558(1) mW
TS Maximum safety temperature 150 °C
(1) Input, output, or the sum of input and output power must not exceed this value.

The maximum safety temperature is the maximum junction temperature specified for the device. The power dissipation and junction-to-air thermal impedance of the device installed in the application hardware determines the junction temperature. The assumed junction-to-air thermal resistance in the Thermal Information table is that of a device installed on a high-K test board for leaded surface-mount packages. The power is the recommended maximum input voltage times the current. The junction temperature is then the ambient temperature plus the power times the junction-to-air thermal resistance.

7.9 Electrical Characteristics: AMC1304x05

All minimum and maximum specifications are at TA = –40°C to 125°C, LDOIN = 4.0 V to 18.0 V, DVDD = 3.0 V to 5.5 V,   AINP = –50 mV to 50 mV, AINN = 0 V, and sinc3 filter with OSR = 256, unless otherwise noted. Typical values are at TA = 25°C, CLKIN = 20 MHz, LDOIN = 15.0 V, and DVDD = 3.3 V.
PARAMETER TEST CONDITIONS MIN TYP MAX UNIT
ANALOG INPUTS
VClipping Maximum differential voltage input range
(AINP-AINN)
±62.5 mV
FSR Specified linear full-scale range
(AINP-AINN)
–50 50 mV
VCM Operating common-mode input range –0.032 1.2 V
CID Differential input capacitance 2 pF
IIB Input bias current Inputs shorted to AGND –97 –72 –57 μA
RID Differential input resistance 5 kΩ
IIO Input offset current ±5 nA
CMTI Common-mode transient immunity 15 kV/μs
CMRR Common-mode rejection ratio fIN = 0 Hz,
VCM min ≤ VIN ≤ VCM max
–98 dB
fIN from 0.1 Hz to 50 kHz,
VCM min ≤ VIN ≤ VCM max
–85
BW Input bandwidth 800 kHz
DC ACCURACY
DNL Differential nonlinearity Resolution: 16 bits –0.99 0.99 LSB
INL Integral nonlinearity (1) Resolution: 16 bits –4 ±1.5 4 LSB
EO Offset error Initial, at 25°C –50 ±2.5 50 µV
TCEO Offset error thermal drift (2) –1.3 1.3 μV/°C
EG Gain error Initial, at 25°C –0.3% –0.02% 0.3%
TCEG Gain error thermal drift (3) –40 ±20 40 ppm/°C
PSRR Power-supply rejection ratio LDOIN from 4 V to 18 V, at dc –110 dB
LDOIN from 4 V to 18 V, from 0.1 Hz to 50 kHz –110
AC ACCURACY
SNR Signal-to-noise ratio fIN = 1 kHz 76 81.5 dB
SINAD Signal-to-noise + distortion fIN = 1 kHz 76 81 dB
THD Total harmonic distortion fIN = 1 kHz –90 –81 dB
SFDR Spurious-free dynamic range fIN = 1 kHz 81 90 dB
DIGITAL INPUTS/OUTPUTS
External Clock
fCLKIN Input clock frequency 5 20 20.1 MHz
DutyCLKIN Duty cycle 5 MHz ≤ fCLKIN ≤ 20.1 MHz 40% 50% 60%
CMOS Logic Family (AMC1304M05, CMOS with Schmitt Trigger)
IIN Input current DGND ≤ VIN ≤ DVDD –1 1 μA
CIN Input capacitance 5 pF
VIH High-level input voltage 0.7 × DVDD DVDD + 0.3 V
VIL Low-level input voltage –0.3 0.3 × DVDD V
CLOAD Output load capacitance fCLKIN = 20 MHz 30 pF
VOH High-level output voltage IOH = –20 µA DVDD – 0.1 V
IOH = –4 mA DVDD – 0.4
VOL Low-level output voltage IOL = 20 µA 0.1 V
IOL = 4 mA 0.4
LVDS Logic Family (AMC1304L05)(4)
VT Differential output voltage RLOAD = 100 Ω 250 350 450 mV
VOC Common-mode output voltage 1.125 1.23 1.375 V
VID Differential input voltage 100 350 600 mV
VIC Common-mode input voltage VID = 100 mV 0.05 1.25 3.25 V
II Receiver input current DGND ≤ VIN ≤ 3.3 V –24 0 20 µA
POWER SUPPLY
LDOIN LDOIN pin input voltage 4.0 15.0 18.0 V
VCAP VCAP pin voltage 3.45 V
ILDOIN LDOIN pin input current 5.3 6.5 mA
DVDD Controller-side supply voltage 3.0 3.3 5.5 V
IDVDD Controller-side supply current LVDS, RLOAD = 100 Ω 6.1 8 mA
CMOS, 3.0 V ≤ DVDD ≤ 3.6 V,
CLOAD = 5 pF
2.7 4.0
CMOS, 4.5 V ≤ DVDD ≤ 5.5 V,
CLOAD = 5 pF
3.2 5.5
(1) Integral nonlinearity is defined as the maximum deviation from a straight line passing through the end-points of the ideal ADC transfer function expressed as a number of LSBs or as a percent of the specified linear full-scale range (FSR).
(2) Offset error drift is calculated using the box method, as described by the following equation:
AMC1304L05 AMC1304L25 AMC1304M05 AMC1304M25 ec_eodrift_bas654.gif
(3) Gain error drift is calculated using the box method, as described by the following equation:
AMC1304L05 AMC1304L25 AMC1304M05 AMC1304M25 ec_egdrift_bas654.gif
(4) For further information on electrical characteristics of LVDS interface circuits, see the TIA-644-A standard and design note Interface Circuits for TIA/EIA-644 (LVDS).

7.10 Electrical Characteristics: AMC1304x25

All minimum and maximum specifications are at TA = –40°C to 125°C, LDOIN = 4.0 V to 18.0 V, DVDD = 3.0 V to 5.5 V, AINP = –250 mV to 250 mV, AINN = 0 V, and sinc3 filter with OSR = 256, unless otherwise noted. Typical values are at TA  = 25°C, CLKIN = 20 MHz, LDOIN = 15.0 V, and DVDD = 3.3 V.
PARAMETER TEST CONDITIONS MIN TYP MAX UNIT
ANALOG INPUTS
VClipping  Maximum differential voltage input range
(AINP-AINN)
±312.5 mV
FSR Specified linear full-scale range
(AINP-AINN)
–250 250 mV
VCM  Operating common-mode input range    –0.16 1.2 V
CID  Differential input capacitance 1 pF
IIB  Input bias current Inputs shorted to AGND –82 –60 –48 μA
RID  Differential input resistance 25 kΩ
IIO  Input offset current ±5 nA
CMTI Common-mode transient immunity 15 kV/μs
CMRR Common-mode rejection ratio fIN = 0 Hz,
VCM min ≤ VIN ≤ VCM max
–98 dB
fIN from 0.1 Hz to 50 kHz,
VCM min ≤ VIN ≤ VCM max
–98
BW Input bandwidth 1000 kHz
DC ACCURACY
DNL Differential nonlinearity Resolution: 16 bits –0.99 0.99 LSB
INL Integral nonlinearity(1) Resolution: 16 bits –4 ±1.5 4 LSB
EO  Offset error  Initial, at 25°C –100 ±25 100 µV
TCEO  Offset error thermal drift(2) –1.3 1.3 μV/°C
EG  Gain error  Initial, at 25°C –0.2% –0.05% 0.2%
TCEG  Gain error thermal drift(3) –40 ±20 40 ppm/°C
PSRR Power-supply rejection ratio LDOIN from 4 V to 18 V, at dc –110 dB
LDOIN from 4 V to 18 V,
from 0.1 Hz to 50 kHz
–110
AC ACCURACY
SNR Signal-to-noise ratio fIN = 1 kHz 82 85 dB
SINAD Signal-to-noise + distortion fIN = 1 kHz 80 84 dB
THD Total harmonic distortion fIN = 1 kHz –90 –81 dB
SFDR Spurious-free dynamic range fIN = 1 kHz 81 90 dB
DIGITAL INPUTS/OUTPUTS
External Clock
fCLKIN  Input clock frequency 5 20 20.1 MHz
DutyCLKIN  Duty cycle 5 MHz ≤ fCLKIN ≤ 20.1 MHz 40% 50% 60%
CMOS Logic Family (AMC1304M25, CMOS with Schmitt Trigger)
IIN Input current DGND ≤ VIN ≤ DVDD –1 1 μA
CIN Input capacitance 5 pF
VIH High-level input voltage 0.7 × DVDD DVDD + 0.3 V
VIL Low-level input voltage –0.3 0.3 × DVDD V
CLOAD Output load capacitance fCLKIN = 20 MHz 30 pF
VOH High-level output voltage IOH = –20 µA DVDD – 0.1 V
IOH = –4 mA DVDD – 0.4 V
VOL Low-level output voltage IOL = 20 µA 0.1 V
IOL = 4 mA 0.4 V
LVDS Logic Family (AMC1304L25)(4)
VT Differential output voltage RLOAD = 100 Ω 250 350 450 mV
VOC Common-mode output voltage 1.125 1.23 1.375 V
VID Differential input voltage 100 350 600 mV
VIC Common-mode input voltage VID = 100 mV 0.05 1.25 3.25 V
II Receiver input current DGND ≤ VIN ≤ 3.3 V –24 0 20 µA
POWER SUPPLY
LDOIN LDOIN pin input voltage 4.0 15.0 18.0 V
VCAP VCAP pin voltage 3.45 V
ILDOIN LDOIN pin input current 5.3 6.5 mA
DVDD Controller-side supply voltage 3.0 3.3 5.5 V
IDVDD Controller-side supply current LVDS, RLOAD = 100 Ω 6.1 8.0 mA
CMOS, 3.0 V ≤ DVDD ≤ 3.6 V,
CLOAD = 5 pF
2.7 4.0
CMOS, 4.5 V ≤ DVDD ≤ 5.5 V,
CLOAD = 5 pF
3.2 5.5
(1) Integral nonlinearity is defined as the maximum deviation from a straight line passing through the end-points of the ideal ADC transfer function expressed as number of LSBs or as a percent of the specified linear full-scale range FSR.
(2) Offset error drift is calculated using the box method as described by the following equation:
AMC1304L05 AMC1304L25 AMC1304M05 AMC1304M25 ec_eodrift_bas654.gif .
(3) Gain error drift is calculated using the box method as described by the following equation:
AMC1304L05 AMC1304L25 AMC1304M05 AMC1304M25 ec_egdrift_bas654.gif .
(4) For further information on electrical characteristics of LVDS interface circuits, see the TIA-644-A standard and design note Interface Circuits for TIA/EIA-644 (LVDS).

7.11 Switching Characteristics

over operating free-air temperature range (unless otherwise noted)
PARAMETER TEST CONDITIONS MIN TYP MAX UNIT
tCLK CLKIN, CLKIN_N clock period 49.75 50 200 ns
tHIGH CLKIN, CLKIN_N clock high time 19.9 25 120 ns
tLOW CLKIN, CLKIN_N clock low time 19.9 25 120 ns
tD Falling edge of CLKIN, CLKIN_N to DOUT, DOUT_N valid delay 0 15 ns
tISTART Interface startup time DVDD at 3.0 V (min) to DOUT, DOUT_N valid with LDO_IN > 4 V 32 32 CLKIN cycles
tASTART Analog startup time LDOIN step to 4 V with DVDD ≥ 3.0 V, and 0.1 µF at VCAP pin 1 ms
AMC1304L05 AMC1304L25 AMC1304M05 AMC1304M25 tim_int_bas654.gif Figure 1. Digital Interface Timing
AMC1304L05 AMC1304L25 AMC1304M05 AMC1304M25 tim_start_bas654.gif Figure 2. Digital Interface Startup Timing

7.12 Insulation Characteristics Curves

AMC1304L05 AMC1304L25 AMC1304M05 AMC1304M25 D043_SBAS655.gif
LDOIN = 18 V (worst case)
Figure 3. Thermal Derating Curve for Safety Limiting Current per VDE
AMC1304L05 AMC1304L25 AMC1304M05 AMC1304M25 Figure 3.gif
TA up to 150°C, stress voltage frequency = 60 Hz
Figure 5. Reinforced Isolation Capacitor Lifetime Projection
AMC1304L05 AMC1304L25 AMC1304M05 AMC1304M25 D044_SBAS655.gif
Figure 4. Thermal Derating Curve for Safety Limiting Power per VDE

7.13 Typical Characteristics

At LDOIN = 15.0 V, DVDD = 3.3 V, AINP = –50 mV to 50 mV (AMC1304x05) or –250 mV to 250 mV (AMC1304x25), AINN = 0 V, fCLKIN = 20 MHz, and sinc3 filter with OSR = 256, unless otherwise noted.
AMC1304L05 AMC1304L25 AMC1304M05 AMC1304M25 D001_SBAS655.gif
Figure 6. Input Current vs Input Common-Mode Voltage
AMC1304L05 AMC1304L25 AMC1304M05 AMC1304M25 D003_SBAS655.gif
Figure 8. Integral Nonlinearity vs Input Signal Amplitude
AMC1304L05 AMC1304L25 AMC1304M05 AMC1304M25 D005_SBAS655.gif
AMC1304x25
Figure 10. Offset Error vs LDO Input Supply Voltage
AMC1304L05 AMC1304L25 AMC1304M05 AMC1304M25 D007_SBAS655.gif
AMC1304x25
Figure 12. Offset Error vs Temperature
AMC1304L05 AMC1304L25 AMC1304M05 AMC1304M25 D009_SBAS655.gif
Figure 14. Offset Error vs Clock Frequency
AMC1304L05 AMC1304L25 AMC1304M05 AMC1304M25 D011_SBAS654.gif
Figure 16. Gain Error vs Temperature
AMC1304L05 AMC1304L25 AMC1304M05 AMC1304M25 D013_SBAS655.gif
Figure 18. Power-Supply Rejection Ratio vs
Ripple Frequency
AMC1304L05 AMC1304L25 AMC1304M05 AMC1304M25 D015_SBAS655.gif
Figure 20. Signal-to-Noise Ratio and Signal-to-Noise + Distortion vs Temperature
AMC1304L05 AMC1304L25 AMC1304M05 AMC1304M25 D017_SBAS655.gif
Figure 22. Signal-to-Noise Ratio and Signal-to-Noise + Distortion vs Input Signal Frequency
AMC1304L05 AMC1304L25 AMC1304M05 AMC1304M25 D019_SBAS654.gif
AMC1304x05
Figure 24. Signal-to-Noise Ratio and Signal-to-Noise + Distortion vs Input Signal Amplitude
AMC1304L05 AMC1304L25 AMC1304M05 AMC1304M25 D021_SBAS654.gif
Figure 26. Total Harmonic Distortion vs Temperature
AMC1304L05 AMC1304L25 AMC1304M05 AMC1304M25 D023_SBAS654.gif
Figure 28. Total Harmonic Distortion vs
Input Signal Frequency
AMC1304L05 AMC1304L25 AMC1304M05 AMC1304M25 D025_SBAS655.gif
AMC1304x05
Figure 30. Total Harmonic Distortion vs
Input Signal Amplitude
AMC1304L05 AMC1304L25 AMC1304M05 AMC1304M25 D027_SBAS655.gif
Figure 32. Spurious-Free Dynamic Range vs Temperature
AMC1304L05 AMC1304L25 AMC1304M05 AMC1304M25 D029_SBAS655.gif
Figure 34. Spurious-Free Dynamic Range vs
Input Signal Frequency
AMC1304L05 AMC1304L25 AMC1304M05 AMC1304M25 D031_SBAS655.gif
AMC1304x05
Figure 36. Spurious-Free Dynamic Range vs
Input Signal Amplitude
AMC1304L05 AMC1304L25 AMC1304M05 AMC1304M25 D033_SBAS655.gif
AMC1304x05, 4096-point FFT, VIN = 100 mVPP
Figure 38. Frequency Spectrum with 5-kHz Input Signal
AMC1304L05 AMC1304L25 AMC1304M05 AMC1304M25 D035_SBAS655.gif
AMC1304x25, 4096-point FFT, VIN = 500 mVPP
Figure 40. Frequency Spectrum with 5-kHz Input Signal
AMC1304L05 AMC1304L25 AMC1304M05 AMC1304M25 D037_SBAS655.gif
Figure 42. LDO Input Supply Current vs Temperature
AMC1304L05 AMC1304L25 AMC1304M05 AMC1304M25 D039_SBAS655.gif
Figure 44. Controller-Side Supply Current vs
Controller-Side Supply Voltage (3.3 V, min)
AMC1304L05 AMC1304L25 AMC1304M05 AMC1304M25 D041_SBAS655.gif
Figure 46. Controller-Side Supply Current vs Temperature
AMC1304L05 AMC1304L25 AMC1304M05 AMC1304M25 D002_SBAS655.gif
Figure 7. Common-Mode Rejection Ratio vs
Input Signal Frequency
AMC1304L05 AMC1304L25 AMC1304M05 AMC1304M25 D004_SBAS654.gif
Figure 9. Integral Nonlinearity vs Temperature
AMC1304L05 AMC1304L25 AMC1304M05 AMC1304M25 D006_SBAS655.gif
AMC1304x05
Figure 11. Offset Error vs LDO Input Supply Voltage
AMC1304L05 AMC1304L25 AMC1304M05 AMC1304M25 D008_SBAS654.gif
AMC1304x05
Figure 13. Offset Error vs Temperature
AMC1304L05 AMC1304L25 AMC1304M05 AMC1304M25 D010_SBAS655.gif
Figure 15. Gain Error vs LDO Input Supply Voltage
AMC1304L05 AMC1304L25 AMC1304M05 AMC1304M25 D012_SBAS654.gif
Figure 17. Gain Error vs Clock Frequency
AMC1304L05 AMC1304L25 AMC1304M05 AMC1304M25 D014_SBAS655.gif
Figure 19. Signal-to-Noise Ratio and Signal-to-Noise + Distortion vs LDO Input Supply Voltage
AMC1304L05 AMC1304L25 AMC1304M05 AMC1304M25 D016_SBAS655.gif
Figure 21. Signal-to-Noise Ratio and Signal-to-Noise + Distortion vs Clock Frequency
AMC1304L05 AMC1304L25 AMC1304M05 AMC1304M25 D018_SBAS655.gif
AMC1304x25
Figure 23. SNR and SINAD vs Input Signal Amplitude
AMC1304L05 AMC1304L25 AMC1304M05 AMC1304M25 D020_SBAS655.gif
Figure 25. Total Harmonic Distortion vs
LDO Input Supply Voltage
AMC1304L05 AMC1304L25 AMC1304M05 AMC1304M25 D022_SBAS654.gif
Figure 27. Total Harmonic Distortion vs Clock Frequency
AMC1304L05 AMC1304L25 AMC1304M05 AMC1304M25 D024_SBAS655.gif
AMC1304x25
Figure 29. Total Harmonic Distortion vs
Input Signal Amplitude
AMC1304L05 AMC1304L25 AMC1304M05 AMC1304M25 D026_SBAS655.gif
Figure 31. Spurious-Free Dynamic Range vs
LDO Input Supply Voltage
AMC1304L05 AMC1304L25 AMC1304M05 AMC1304M25 D028_SBAS655.gif
Figure 33. Spurious-Free Dynamic Range vs
Clock Frequency
AMC1304L05 AMC1304L25 AMC1304M05 AMC1304M25 D030_SBAS655.gif
AMC1304x25
Figure 35. Spurious-Free Dynamic Range vs
Input Signal Amplitude
AMC1304L05 AMC1304L25 AMC1304M05 AMC1304M25 D032_SBAS655.gif
AMC1304x05, 4096-point FFT, VIN = 100 mVPP
Figure 37. Frequency Spectrum with 1-kHz Input Signal
AMC1304L05 AMC1304L25 AMC1304M05 AMC1304M25 D034_SBAS655.gif
AMC1304x25, 4096-point FFT, VIN = 500 mVPP
Figure 39. Frequency Spectrum with 1-kHz Input Signal
AMC1304L05 AMC1304L25 AMC1304M05 AMC1304M25 D036_SBAS655.gif
Figure 41. LDO Input Supply Current vs
LDO Input Supply Voltage
AMC1304L05 AMC1304L25 AMC1304M05 AMC1304M25 D038_SBAS655.gif
Figure 43. LDO Input Supply Current vs Clock Frequency
AMC1304L05 AMC1304L25 AMC1304M05 AMC1304M25 D040_SBAS655.gif
Figure 45. Controller-Side Supply Current vs
Controller-Side Supply Voltage (5 V, min)
AMC1304L05 AMC1304L25 AMC1304M05 AMC1304M25 D042_SBAS655.gif
Figure 47. Controller-Side Supply Current vs
Clock Frequency

8 Detailed Description

8.1 Overview

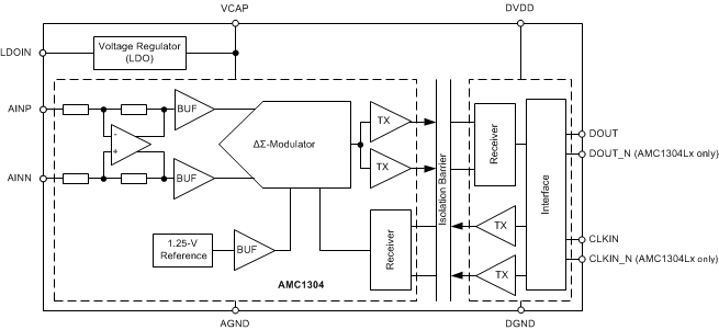
The differential analog input (AINP and AINN) of the AMC1304 is a fully-differential amplifier feeding the switched-capacitor input of a second-order, delta-sigma (ΔΣ) modulator stage that digitizes the input signal into a 1-bit output stream. The isolated data output (DOUT and DOUT_N) of the converter provides a stream of digital ones and zeros that is synchronous to the externally-provided clock source at the CLKIN pin with a frequency in the range of 5 MHz to 20.1 MHz. The time average of this serial bit-stream output is proportional to the analog input voltage.

The Functional Block Diagram section shows a detailed block diagram of the AMC1304. The analog input range is tailored to directly accommodate a voltage drop across a shunt resistor used for current sensing. The SiO2-based capacitive isolation barrier supports a high level of magnetic field immunity as described in the ISO72x Digital Isolator Magnetic-Field Immunity application report (SLLA181A), available for download at www.ti.com. The external clock input simplifies the synchronization of multiple current-sensing channels on the system level. The extended frequency range of up to 20 MHz supports higher performance levels compared to the other solutions available on the market.

8.2 Functional Block Diagram

AMC1304L05 AMC1304L25 AMC1304M05 AMC1304M25 ai_fbd_bas655.gif

8.3 Feature Description

8.3.1 Analog Input

The AMC1304 incorporates a front-end circuitry that contains a differential amplifier and sampling stage, followed by a ΔΣ modulator. The gain of the differential amplifier is set by internal precision resistors to a factor of 4 for devices with a specified input voltage range of ±250 mV (this value is for the AMC1304x25), or to a factor of 20 in devices with a ±50-mV input voltage range (for the AMC1304x05), resulting in a differential input impedance of 5 kΩ (for the AMC1304x05) or 25 kΩ (for the AMC1304x25).

Consider the input impedance of the AMC1304 in designs with high-impedance signal sources that can cause degradation of gain and offset specifications. The importance of this effect, however, depends on the desired system performance. Additionally, the input bias current caused by the internal common-mode voltage at the output of the differential amplifier causes an offset that is dependent on the actual amplitude of the input signal. See the Isolated Voltage Sensing section for more details on reducing these effects.

There are two restrictions on the analog input signals (AINP and AINN). First, if the input voltage exceeds the range AGND – 6 V to 3.7 V, the input current must be limited to 10 mA because the device input electrostatic discharge (ESD) diodes turn on. In addition, the linearity and noise performance of the device are ensured only when the differential analog input voltage remains within the specified linear full-scale range (FSR), that is ±250 mV (for the AMC1304x25) or ±50 mV (for the AMC1304x05), and within the specified input common-mode range.

8.3.2 Modulator

The modulator implemented in the AMC1304 is a second-order, switched-capacitor, feed-forward ΔΣ modulator, such as the one conceptualized in Figure 48. The analog input voltage VIN and the output V5 of the 1-bit digital-to-analog converter (DAC) are differentiated, providing an analog voltage V1 at the input of the first integrator stage. The output of the first integrator feeds the input of the second integrator stage, resulting in output voltage V3 that is differentiated with the input signal VIN and the output of the first integrator V2. Depending on the polarity of the resulting voltage V4, the output of the comparator is changed. In this case, the 1-bit DAC responds on the next clock pulse by changing its analog output voltage V5, causing the integrators to progress in the opposite direction and forcing the value of the integrator output to track the average value of the input.

AMC1304L05 AMC1304L25 AMC1304M05 AMC1304M25 ai_modulator_bas654.gif Figure 48. Block Diagram of a Second-Order Modulator

The modulator shifts the quantization noise to high frequencies, as shown in Figure 49. Therefore, use a low-pass digital filter at the output of the device to increase the overall performance. This filter is also used to convert from the 1-bit data stream at a high sampling rate into a higher-bit data word at a lower rate (decimation). TI's microcontroller families TMS320F2807x and TMS320F2837x offer a suitable programmable, hardwired filter structure termed a sigma-delta filter module (SDFM) optimized for usage with the AMC1304 family. Also, SD24_B converters on the MSP430F677x microcontrollers offer a path to directly access the integrated sinc-filters, thus offering a system-level solution for multichannel, isolated current sensing. An additional option is to use a suitable application-specific device, such as the AMC1210 (a four-channel digital sinc-filter). Alternatively, a field-programmable gate array (FPGA) can be used to implement the digital filter.

AMC1304L05 AMC1304L25 AMC1304M05 AMC1304M25 ai_quant_noise_sbas655.gif Figure 49. Quantization Noise Shaping

8.3.3 Digital Output

A differential input signal of 0 V ideally produces a stream of ones and zeros that are high 50% of the time. A differential input of 250 mV (for the AMC1304x25) or 50 mV (for the AMC1304x05) produces a stream of ones and zeros that are high 90% of the time. A differential input of –250 mV (–50 mV for the AMC1304x05) produces a stream of ones and zeros that are high 10% of the time. These input voltages are also the specified linear ranges of the different AMC1304 versions with performance as specified in this data sheet. If the input voltage value exceeds these ranges, the output of the modulator shows non-linear behavior when the quantization noise increases. The output of the modulator clips with a stream of only zeros with an input less than or equal to –312.5 mV (–62.5 mV for the AMC1304x05) or with a stream of only ones with an input greater than or equal to 312.5 mV (62.5 mV for the AMC1304x05). In this case, however, the AMC1304 generates a single 1 (if the input is at negative full-scale) or 0 every 128 clock cycles to indicate proper device function (see the Fail-Safe Output section for more details). The input voltage versus the output modulator signal is shown in Figure 50.

The density of ones in the output bit-stream for any input voltage value (with the exception of a full-scale input signal, as described in the Output Behavior in Case of a Full-Scale Input section) can be calculated using Equation 1:

Equation 1. AMC1304L05 AMC1304L25 AMC1304M05 AMC1304M25 ai_equation1_bas654.gif

The AMC1304 system clock is typically 20 MHz and is provided externally at the CLKIN pin. Data are synchronously provided at 20 MHz at the DOUT pin. Data change at the CLKIN falling edge. For more details, see the Switching Characteristics table.

AMC1304L05 AMC1304L25 AMC1304M05 AMC1304M25 ai_anain-modout_bas512.gif Figure 50. Analog Input versus AMC1304 Modulator Output

8.4 Device Functional Modes

8.4.1 Fail-Safe Output

In the case of a missing high-side supply voltage (LDOIN), the output of a ΔΣ modulator is not defined and can cause a system malfunction. In systems with high safety requirements, this behavior is not acceptable. Therefore, the AMC1304 implements a fail-safe output function that ensures the device maintains its output level in case of a missing LDOIN, as shown in Figure 51.

AMC1304L05 AMC1304L25 AMC1304M05 AMC1304M25 ai_failsafe_bas655.gif Figure 51. Fail-Safe Output of the AMC1304

8.4.2 Output Behavior in Case of a Full-Scale Input

If a full-scale input signal is applied to the AMC1304 (that is, VIN ≥ VClipping), the device generates a single one or zero every 128 bits at DOUT, depending on the actual polarity of the signal being sensed, as shown in Figure 52. In this way, differentiating between a missing LDOIN and a full-scale input signal is possible on the system level.

AMC1304L05 AMC1304L25 AMC1304M05 AMC1304M25 ai_FSinput_bas655.gif Figure 52. Overrange Output of the AMC1304

9 Application and Implementation

NOTE

Information in the following applications sections is not part of the TI component specification, and TI does not warrant its accuracy or completeness. TI’s customers are responsible for determining suitability of components for their purposes. Customers should validate and test their design implementation to confirm system functionality.

9.1 Application Information

9.1.1 Digital Filter Usage

The modulator generates a bit stream that is processed by a digital filter to obtain a digital word similar to a conversion result of a conventional analog-to-digital converter (ADC). A very simple filter, built with minimal effort and hardware, is a sinc3-type filter, as shown in Equation 2:

Equation 2. AMC1304L05 AMC1304L25 AMC1304M05 AMC1304M25 ai_equation2_bas654.gif

This filter provides the best output performance at the lowest hardware size (count of digital gates) for a second-order modulator. All the characterization in this document is also done with a sinc3 filter with an oversampling ratio (OSR) of 256 and an output word duration of 16 bits.

The effective number of bits (ENOB) is often used to compare the performance of ADCs and ΔΣ modulators. Figure 53 shows the ENOB of the AMC1304 with different oversampling ratios. In this document, this number is calculated from the SNR by using Equation 3:

Equation 3. AMC1304L05 AMC1304L25 AMC1304M05 AMC1304M25 ai_equation3_bas654.gif
AMC1304L05 AMC1304L25 AMC1304M05 AMC1304M25 D053_SBAS654.gif
Figure 53. Measured Effective Number of Bits versus Oversampling Ratio

An example code for implementing a sinc3 filter in an FPGA is discussed in the Combining ADS1202 with FPGA Digital Filter for Current Measurement in Motor Control Applications application note (SBAA094), available for download at www.ti.com.

9.2 Typical Applications

9.2.1 Frequency Inverter Application

Isolated ΔΣ modulators are being widely used in new-generation frequency inverter designs because of their high ac and dc performance. Frequency inverters are critical parts of industrial motor drives, photovoltaic inverters (string and central inverters), uninterruptible power supplies (UPS), electrical and hybrid electrical vehicles, and other industrial applications. The input structure of the AMC1304 is optimized for use with low-impedance shunt resistors and is therefore tailored for isolated current sensing using shunts.

AMC1304L05 AMC1304L25 AMC1304M05 AMC1304M25 ai_inv_bas655.gif Figure 54. The AMC1304 in a Frequency Inverter Application

9.2.1.1 Design Requirements

A typical operation of the device in a frequency inverter application is shown in Figure 54. When the inverter stage is part of a motor drive system, measurement of the motor phase current is done via the shunt resistors (RSHUNT). Depending on the system design, either all three or only two phase currents are sensed.

In this example, an additional fourth AMC1304 is used to support isolated voltage sensing of the dc link. This high voltage is reduced using a high-impedance resistive divider before being sensed by the device across a smaller resistor. The value of this resistor can degrade the performance of the measurement, as described in the Isolated Voltage Sensing section.

9.2.1.2 Detailed Design Procedure

The typically recommended RC filter in front of a ΔΣ modulator to improve signal-to-noise performance of the signal path is not required for the AMC1304. By design, the input bandwidth of the analog front-end of the device is limited to 1 MHz.

For modulator output bit-stream filtering, a device from TI's TMS320F2807x family of low-cost microcontrollers (MCUs) or TMS320F2837x family of dual-core MCUs is recommended. These families support up to eight channels of dedicated hardwired filter structures that significantly simplify system level design by offering two filtering paths per channel: one providing high accuracy results for the control loop and one fast response path for overcurrent detection.

9.2.1.3 Application Curve

In motor control applications, a very fast response time for overcurrent detection is required. The time for fully settling the filter in case of a step-signal at the input of the modulator depends on its order; that is, a sinc3 filter requires three data updates for full settling (with fDATA = fCLK / OSR). Therefore, for overcurrent protection, filter types other than sinc3 can be a better choice; an alternative is the sinc2 filter. Figure 55 compares the settling times of different filter orders.

The delay time of the sinc filter with a continuous signal is half of its settling time.

AMC1304L05 AMC1304L25 AMC1304M05 AMC1304M25 D054_SBAS654.gif
Figure 55. Measured Effective Number of Bits versus Settling Time

9.2.2 Isolated Voltage Sensing

The AMC1304 is optimized for usage in current-sensing applications using low-impedance shunts. However, the device can also be used in isolated voltage-sensing applications if the affect of the (usually higher) impedance of the resistor used in this case is considered.

AMC1304L05 AMC1304L25 AMC1304M05 AMC1304M25 ai_v-sensing_bas655.gif Figure 56. Using the AMC1304 for Isolated Voltage Sensing

9.2.2.1 Design Requirements

Figure 56 shows a simplified circuit typically used in high-voltage-sensing applications. The high impedance resistors (R1 and R2) are used as voltage dividers and dominate the current value definition. The resistance of the sensing resistor R3 is chosen to meet the input voltage range of the AMC1304. This resistor and the differential input impedance of the device (the AMC1304x25 is 25 kΩ, the AMC1304x05 is 5 kΩ) also create a voltage divider that results in an additional gain error. With the assumption of R1, R2, and RIN having a considerably higher value than R3, the resulting total gain error can be estimated using Equation 4, with EG being the gain error of the AMC1304.

Equation 4. AMC1304L05 AMC1304L25 AMC1304M05 AMC1304M25 q_egtot_sbas655.gif

This gain error can be easily minimized during the initial system-level gain calibration procedure.

9.2.2.2 Detailed Design Procedure

As indicated in Figure 56, the output of the integrated differential amplifier is internally biased to a common-mode voltage of 2 V. This voltage results in a bias current IIB through the resistive network R4 and R5 (or R4' and R5') used for setting the gain of the amplifier. The value range of this current is specified in the Electrical Characteristics table. This bias current generates additional offset error that depends on the value of the resistor R3. Because the value of this bias current depends on the actual common-mode amplitude of the input signal (as illustrated in Figure 57), the initial system offset calibration does not minimize its effect. Therefore, in systems with high accuracy requirements, TI recommends using a series resistor at the negative input (AINN) of the AMC1304 with a value equal to the shunt resistor R3 (that is, R3' = R3 in Figure 56) to eliminate the affect of the bias current.

This additional series resistor (R3') influences the gain error of the circuit. The effect can be calculated using Equation 5 with R5 = R5' = 50 kΩ and R4 = R4' = 2.5 kΩ (for the AMC1304x05) or 12.5 kΩ (for the AMC1304x25).

Equation 5. AMC1304L05 AMC1304L25 AMC1304M05 AMC1304M25 ai_equation5_bas654.gif

9.2.2.3 Application Curve

Figure 57 shows the dependency of the input bias current on the common-mode voltage at the input of the AMC1304.

AMC1304L05 AMC1304L25 AMC1304M05 AMC1304M25 D001_SBAS655.gif
Figure 57. Input Current vs Input Common-Mode Voltage

9.2.3 Do's and Don'ts

Do not leave the inputs of the AMC1304 unconnected (floating) when the device is powered up. If both modulator inputs are left floating, the input bias current drives them to the output common-mode of the analog front end of approximately 2 V that is above the specified input common-mode range. As a result, the front gain diminishes and the modulator outputs a bitstream resembling a zero input differential voltage.

10 Power-Supply Recommendations

In a typical frequency-inverter application, the high-side power supply (LDOIN) for the device is directly derived from the floating power supply of the upper gate driver. A low-ESR decoupling capacitor of 0.1 µF is recommended for filtering this power-supply path. Place this capacitor (C2 in Figure 58) as close as possible to the LDOIN pin of the AMC1304 for best performance. If better filtering is required, an additional 10-µF capacitor can be used. The output of the internal LDO requires a decoupling capacitor of 0.1 µF to be connected between the VCAP pin and AGND as close as possible to the device.

The floating ground reference (AGND) is derived from the end of the shunt resistor, which is connected to the negative input (AINN) of the device. If a four-pin shunt is used, the device inputs are connected to the inner leads and AGND is connected to one of the outer leads of the shunt.

For decoupling of the digital power supply on the controller side, TI recommends using a 0.1-µF capacitor assembled as close to the DVDD pin of the AMC1304 as possible, followed by an additional capacitor in the range of 1 µF to 10 µF.

AMC1304L05 AMC1304L25 AMC1304M05 AMC1304M25 ai_pwr_bas655.gif Figure 58. Decoupling the AMC1304

 

Texas Instruments

© Copyright 1995-2025 Texas Instruments Incorporated. All rights reserved.
Submit documentation feedback | IMPORTANT NOTICE | Trademarks | Privacy policy | Cookie policy | Terms of use | Terms of sale