ZHCSDL7B November   2014  – March 2016 AMC7834

PRODUCTION DATA.  

  1. 特性
  2. 应用范围
  3. 说明
  4. 修订历史记录
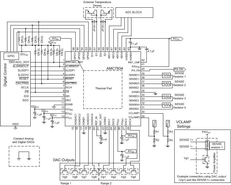
  5. Pin Configuration and Functions
  6. Specifications
    1. 6.1  Absolute Maximum Ratings
    2. 6.2  ESD Ratings
    3. 6.3  Recommended Operating Conditions
    4. 6.4  Thermal Information
    5. 6.5  Electrical Characteristics—DAC Specifications
    6. 6.6  Electrical Characteristics—ADC, Current and Temperature Sensor Specifications
    7. 6.7  Electrical Characteristics—General Specifications
    8. 6.8  Serial Interface Timing Requirements
    9. 6.9  Switching Characteristics—DAC Specifications
    10. 6.10 Switching Characteristics—ADC, Current and Temperature Sensor Specifications
    11. 6.11 Switching Characteristics—General Specifications
    12. 6.12 Typical Characteristics
      1. 6.12.1 Typical Characteristics: DAC
      2. 6.12.2 Typical Characteristics: ADC
      3. 6.12.3 Typical Characteristics: Current Sense
      4. 6.12.4 Typical Characteristics: Temperature Sensor
      5. 6.12.5 Typical Characteristics: Reference
  7. Detailed Description
    1. 7.1 Overview
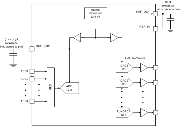
    2. 7.2 Functional Block Diagram
    3. 7.3 Feature Description
      1. 7.3.1 Digital-to-Analog Converters (DACs)
        1. 7.3.1.1 DAC Configuration
          1. 7.3.1.1.1 Bipolar DACs (DAC1, DAC2, DAC3, and DAC4)
          2. 7.3.1.1.2 Auxiliary DACs (AUXDAC1, AUXDAC2, AUXDAC3, and AUXDAC4)
        2. 7.3.1.2 DAC Register Structure
        3. 7.3.1.3 DAC Clamp Operation
      2. 7.3.2 Analog-to-Digital Converter (ADC)
        1. 7.3.2.1 External Analog Inputs
        2. 7.3.2.2 Internal Bipolar DAC Monitoring Inputs
        3. 7.3.2.3 ADC Sequencing
      3. 7.3.3 Temperature Sensors
        1. 7.3.3.1 Internal Temperature Sensor
        2. 7.3.3.2 Remote Temperature Sensors
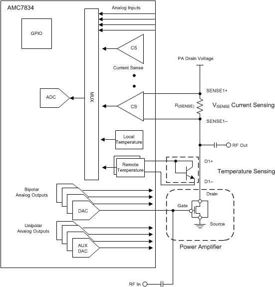
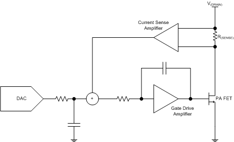
      4. 7.3.4 Current Sensors
      5. 7.3.5 Drain Switch Control
      6. 7.3.6 Programmable Out-of-Range Alarms
        1. 7.3.6.1 ADC Internal Monitoring Input Out-of-Range Alarm
        2. 7.3.6.2 Current-Sense Out-of-Range Alarm
        3. 7.3.6.3 Temperature Sensors Out-of-Range Alarm
        4. 7.3.6.4 Bipolar DACs High Alarm
        5. 7.3.6.5 AVSS Detection Alarm
        6. 7.3.6.6 AVDD Detection Alarm
        7. 7.3.6.7 Hysteresis
        8. 7.3.6.8 False-Alarm Protection
      7. 7.3.7 Reference Specifications
        1. 7.3.7.1 Internal Reference Operation
        2. 7.3.7.2 External Reference Operation
      8. 7.3.8 General Purpose I/Os
    4. 7.4 Device Functional Modes
      1. 7.4.1 Open-Loop Mode
      2. 7.4.2 Closed-Loop Mode
    5. 7.5 Programming
    6. 7.6 Register Maps
      1. 7.6.1  Power Mode: Address 0x02
        1. 7.6.1.1 Power Mode Register (address = 0x02) [reset = 0x000]
      2. 7.6.2  Device Identification: Address 0x04 through 0x0C
        1. 7.6.2.1 Device ID Register (address = 0x04) [reset = 0x0C34]
        2. 7.6.2.2 Version ID Register (address = 0x06) [reset = 0x0001]
        3. 7.6.2.3 Vendor ID Register (address = 0x0C) [reset = 0x0451]
      3. 7.6.3  General Device Configuration: Address 0x10 through 0x16
        1. 7.6.3.1 AMC Configuration 0 Register (address = 0x10) [reset = 0x0300]
        2. 7.6.3.2 AMC Configuration 1 Register (address = 0x11) [reset = 0x036A]
        3. 7.6.3.3 ADC MUX Register (address = 0x12) [reset = 0x0000]
        4. 7.6.3.4 Closed Loop Settling Time Register (address = 0x14) [reset = 0x2222]
        5. 7.6.3.5 DAC Sync Register (address = 0x15) [reset = 0x0000]
        6. 7.6.3.6 DAC Range Register (address = 0x16) [reset = 0x0000]
      4. 7.6.4  Clamp and Alarm Configuration: Address 0x17 through 0x1B
        1. 7.6.4.1 CLAMP Configuration Register (address = 0x17) [reset = 0x003F]
        2. 7.6.4.2 SLEEP1 Configuration Register (address = 0x18) [reset = 0xFF00]
        3. 7.6.4.3 SLEEP2 Configuration Register (address = 0x19) [reset = 0xFF00]
        4. 7.6.4.4 ALARMOUT Clamp Register (address = 0x1A) [reset = 0x0000]
        5. 7.6.4.5 ALARMOUT Configuration Register (address = 0x1B) [reset = 0x0000]
      5. 7.6.5  Conversion Trigger: Address 0x1C
        1. 7.6.5.1 DAC and ADC Trigger Register (address = 0x1C) [reset = 0x0000]
      6. 7.6.6  Reset: Address 0x1D
        1. 7.6.6.1 Software Reset Register (address = 0x1D) [reset = 0x0000]
      7. 7.6.7  Device Status: Address 0x1E and 0x1F
        1. 7.6.7.1 Alarm Status Register (address = 0x1E) [reset = 0x0000]
        2. 7.6.7.2 General Status Register (address = 0x1F) [reset = 0x0000]
      8. 7.6.8  ADC Data: Address 0x20 through 0x2F
        1. 7.6.8.1 ADCn-Internal-Data Register (address = 0x20 to 0x23) [reset = 0x0000]
        2. 7.6.8.2 ADCn-External-Data Register (address = 0x24 to 0x27) [reset = 0x0000]
        3. 7.6.8.3 CSn-Data Register (address = 0x28 to 0x2B) [reset = 0x0000]
        4. 7.6.8.4 LT-Data Register (address = 0x2D) [reset = 0x0000]
        5. 7.6.8.5 RTn-Data Register (address = 0x2E to 0x2F) [reset = 0x0000]
      9. 7.6.9  DAC Data: Address 0x30 through 0x37
        1. 7.6.9.1 DACn-Data Register (address = 0x30 to 0x33) [reset = 0x0000]
        2. 7.6.9.2 AUXDACn-Data Register (address = 0x34 to 0x37) [reset = 0x0000]
      10. 7.6.10 Closed-Loop Control: Address 0x38 through 0x3B
        1. 7.6.10.1 ClosedLoopn Register (address = 0x38 to 0x3B) [reset = 0x0000]
      11. 7.6.11 Alarm Threshold Configuration: Address 0x40 through 0x4F
        1. 7.6.11.1 ADCINTn/CSn-Upper-Threshold Register (address = 0x40, 0x42, 0x44 and 0x46) [reset = 0x0FFF]
        2. 7.6.11.2 ADCINTn/CSn-Lower-Threshold Register (address = 0x41, 0x43, 0x45 and 0x47) [reset = 0x0000]
        3. 7.6.11.3 TS-Upper-Threshold Register (address = 0x48, 0x4A and 0x4C) [reset = 0x07FF]
        4. 7.6.11.4 TS-Lower-Threshold Register (address = 0x49, 0x4B and 0x4D) [reset = 0x0800]
        5. 7.6.11.5 DACnn-Upper-Threshold Register (address = 0x4E and 0x4F) [reset = 0x0FFF]
      12. 7.6.12 Alarm Hysteresis Configuration: Address 0x50 and 0x56
        1. 7.6.12.1 ADCINTn/CSn-Hysteresis Register (address = 0x50 to 0x53) [reset = 0x0008]
        2. 7.6.12.2 LT-Hysteresis Register (address = 0x54) [reset = 0x0008]
        3. 7.6.12.3 RTn-Hysteresis Register (address = 0x55 to 0x56) [reset = 0x0008]
      13. 7.6.13 GPIO: Address 0x58
        1. 7.6.13.1 GPIO Register (address = 0x58) [reset = 0x000F]
  8. Application and Implementation
    1. 8.1 Application Information
    2. 8.2 Typical Application
      1. 8.2.1 Design Requirements
      2. 8.2.2 Detailed Design Procedure
        1. 8.2.2.1 ADC Input Conditioning
        2. 8.2.2.2 DAC Output Range Selection
        3. 8.2.2.3 Temperature Sensing Applications
        4. 8.2.2.4 Current Sensing Applications
      3. 8.2.3 Application Performance Curve
    3. 8.3 Initialization Set Up
      1. 8.3.1 Initialization Procedure
  9. Power Supply Recommendations
  10. 10Layout
    1. 10.1 Layout Guidelines
    2. 10.2 Layout Example
  11. 11器件和文档支持
    1. 11.1 文档支持
      1. 11.1.1 相关文档 
    2. 11.2 社区资源
    3. 11.3 商标
    4. 11.4 静电放电警告
    5. 11.5 Glossary
  12. 12机械、封装和可订购信息

1 特性

  • 8 个具有可编程范围的单调性 12 位数模转换器 (DAC)
    • 4 个双极 DAC:
      –4V 至 1V,–5V 至 0V 以及 0V 至 5V
    • 4 个单极 DAC:
      0V 至 5V 以及 2.5V 至 7.5V
    • 高电流驱动能力:高达 ±10mA
    • 可选钳位电压
  • 多通道 12 位逐次逼近寄存器 (SAR) 模数转换器 (ADC)
    • 4 个外部模拟输入:0V 至 2.5V 范围
    • 4 个用于双极 DAC 监视的内部输入
    • 可编程超范围警报
  • 4 个高侧电流感测放大器
    • 共模电压:4V 至 60V
    • 可选闭环漏极电流控制器操作
  • 温度感测功能
    • 内部温度传感器
    • 2 个远程温度二极管驱动器
  • 2.5V 内部基准电压
  • 4 个通用 I/O 端口 (GPIO)
  • 低功耗 SPI 兼容串行接口
    • 4 线模式,1.7V 至 3.6V 工作电压
  • 工作温度范围:-40°C 至 +125°C
  • 采用 56 引脚超薄型四方扁平无引线 (VQFN) 封装

2 应用范围

  • 通信基础设施:
    • 蜂窝基站
    • 微波回程
    • 光纤网络
  • 通用监视器和控制
  • 数据采集系统

3 说明

AMC7834 器件是一款针对功率放大器 (PA) 偏置的高度集成、低功耗、模拟监视和控制解决方案,能够对温度、电流和电压进行监控。

该器件集成了一个多通道 12 位模数转换器 (ADC);八个 12 位数模转换器 (DAC);四个高侧电流感测放大器,可以选择设置它们作为四个独立闭环漏极电流控制器的一部分;一个精确的片上温度传感器和两个远程温度二极管驱动器;四个可配置的通用 I/O 端口 (GPIO);以及一个精确的内部基准。其高集成度极大地减少了组件数量,并且简化了 PA 偏置系统设计。

该器件具有功能集成和宽工作温度范围等诸多优势,因此适合用作多通道射频 (RF) 通信系统中 PA 的一体化、低成本偏置控制电路。凭借灵活的 DAC 输出范围和宽共模电压电流传感器,此器件可用作针对多种晶体管技术(例如 LDMOS、GaA 和 GaN)的偏置解决方案。AMC7834 功能集对通用监视器和控制系统而言同样有益。

德州仪器 (TI) 提供 了一个完备的模拟监视和控制 (AMC) 产品系列, 以满足各类应用不同的通道数、附加特性或者转换器解决方案需求。更多信息,敬请访问 www.ti.com.cn/amc

器件信息(1)

器件型号 封装 封装尺寸(标称值)
AMC7834 VQFN (56) 8.00mm x 8.00mm
  1. 如需了解所有可用封装,请见数据表末尾的可订购产品附录。
AMC7834 alt_slas972.gif

4 修订历史记录

Changes from A Revision (April 2015) to B Revision

Changes from * Revision (November 2014) to A Revision

  • 发布完整版量产数据数据表 Go