ZHCSDI9D January   2015  – January 2017 HD3SS460

PRODUCTION DATA.  

  1. 特性
  2. 应用
  3. 说明
  4. 修订历史记录
  5. Device Comparison Table
  6. Pin Configuration and Functions
  7. Specifications
    1. 7.1 Absolute Maximum Ratings
    2. 7.2 ESD Ratings
    3. 7.3 Recommended Operating Conditions
    4. 7.4 Thermal Information
    5. 7.5 Electrical Characteristics
    6. 7.6 High Speed Port Performance Parameters
    7. 7.7 High Speed Signal Path Switching Characteristics
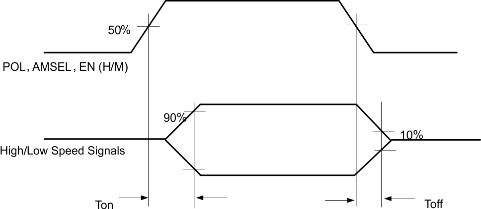
    8. 7.8 Timing Diagrams
  8. Detailed Description
    1. 8.1 Overview
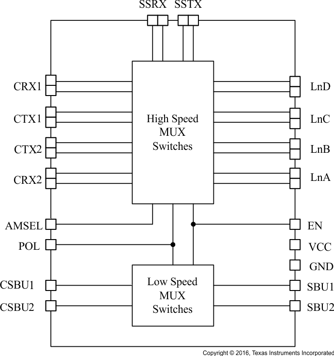
    2. 8.2 Functional Block Diagram
    3. 8.3 Feature Description
      1. 8.3.1 High Speed Differential Signal Switching
      2. 8.3.2 Low Speed SBU Signal Switching
      3. 8.3.3 Output Enable and Power Savings
    4. 8.4 Device Functional Modes
      1. 8.4.1 Device High Speed Switch Control Modes
  9. Application and Implementation
    1. 9.1 Application Information
    2. 9.2 USB SS and DP as Alternate Mode
      1. 9.2.1 Design Requirements
      2. 9.2.2 Detailed Design Procedure
  10. 10Power Supply Recommendations
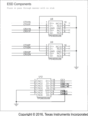
  11. 11Layout
    1. 11.1 Layout Guidelines
      1. 11.1.1 Critical Routing
      2. 11.1.2 General Routing/Placement Rules
    2. 11.2 Layout Example
  12. 12器件和文档支持
    1. 12.1 接收文档更新通知
    2. 12.2 社区资源
    3. 12.3 商标
    4. 12.4 静电放电警告
    5. 12.5 Glossary
  13. 13机械、封装和可订购信息

特性

  • 提供面向 USB Type-CTM 生态系统的 MUX 解决方案,其中包括交替模式 (AM)
  • 提供多种通道选择选项,其中包括 USBSS、双通道 AM 和四通道 AM
  • 与 5 Gbps USB3.1 第 1 代和包含 5.4 Gbps DisplayPort 1.2a 的 AM 兼容
  • 与源设备/主机和接收设备/设备应用 兼容
  • 针对低速 SBU 引脚提供交叉点 MUX
  • 双向“复用/解复用”差动开关
  • 支持 0V 至 2V 共模电压
  • 功耗较低,关断电流和工作电流分别为 1μA 和 0.6mA
  • 单电源电压 VCC:3.3V±10%
  • 工业温度范围:–40°C 至 85°C

应用

  • 可换向 USB Type-CTM 生态系统
  • 平板电脑、笔记本电脑、监视器、电话
  • USB 主机和设备
  • 扩展坞

说明

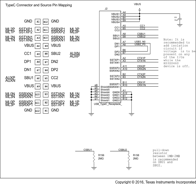
HD3SS460 是一款高速双向无源开关,可采用复用或解复用两种配置。该器件可通过负载点 (POL) 控制引脚进行切换,从而适应连接器换向。该器件还可通过 AMSEL 控制引脚来实现双通道数据/双通道视频与所有四通道视频的复用。

该器件还针对低速引脚提供了交叉点 MUX,可满足可换向连接器实现的需求。

HD3SS460 是一款通用模拟差分无源开关,适用于所有高速接口 应用, 前提条件是该应用在 0V 至 2V 共模电压范围内发生偏置并且具有幅值高达 1800 mVpp 的差分信令。该器件采用自适应跟踪,可确保信道在整个共模电压范围内保持不变。

该器件具有出色的动态特性,可在信号眼图衰减最小的情况下实现高速转换,并且附加抖动极少。该器件在工作模式下的功耗 < 2mW,关断模式下的功耗 < 5µW(可通过 EN 引脚切换模式)。

器件信息(1)

器件型号 封装 封装尺寸(标称值)
HD3SS460 QFN (RHR) (28) 3.50mm x 5.50mm
HD3SS460I
HD3SS460 QFN (RNH) (30) 2.50mm x 4.50mm
HD3SS460I
  1. 要了解所有可用封装,请见数据表末尾的可订购产品附录。

sp

简化电路原理图

HD3SS460 FP_schem_SLLSEM7.gif

应用

HD3SS460 FP_application_SLLSEM7.gif