ZHCSDH1A October   2015  – May 2016 LM5175

PRODUCTION DATA.  

  1. 特性
  2. 应用
  3. 说明
  4. 简化电路原理图
  5. 修订历史记录
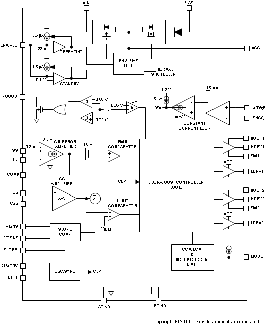
  6. Pin Configuration and Functions
  7. Specifications
    1. 7.1 Absolute Maximum Ratings
    2. 7.2 ESD Ratings
    3. 7.3 Recommended Operating Conditions
    4. 7.4 Thermal Information
    5. 7.5 Electrical Characteristics
    6. 7.6 Typical Characteristics
  8. Detailed Description
    1. 8.1 Overview
    2. 8.2 Functional Block Diagram
    3. 8.3 Feature Description
      1. 8.3.1  Fixed Frequency Valley/Peak Current Mode Control with Slope Compensation
      2. 8.3.2  VCC Regulator and Optional BIAS Input
      3. 8.3.3  Enable/UVLO
      4. 8.3.4  Soft-Start
      5. 8.3.5  Overcurrent Protection
      6. 8.3.6  Average Input/Output Current Limiting
      7. 8.3.7  CCM/DCM Operation
      8. 8.3.8  Frequency and Synchronization (RT/SYNC)
      9. 8.3.9  Frequency Dithering
      10. 8.3.10 Output Overvoltage Protection (OVP)
      11. 8.3.11 Power Good (PGOOD)
      12. 8.3.12 Gm Error Amplifier
      13. 8.3.13 Integrated Gate Drivers
      14. 8.3.14 Thermal Shutdown
    4. 8.4 Device Functional Modes
      1. 8.4.1 Shutdown, Standby, and Operating Modes
      2. 8.4.2 MODE Pin Configuration
  9. Application and Implementation
    1. 9.1 Application Information
    2. 9.2 Typical Application
      1. 9.2.1 Design Requirements
      2. 9.2.2 Detailed Design Procedure
        1. 9.2.2.1  Frequency
        2. 9.2.2.2  VOUT
        3. 9.2.2.3  Inductor Selection
        4. 9.2.2.4  Output Capacitor
        5. 9.2.2.5  Input Capacitor
        6. 9.2.2.6  Sense Resistor (RSENSE)
        7. 9.2.2.7  Slope Compensation
        8. 9.2.2.8  UVLO
        9. 9.2.2.9  Soft-Start Capacitor
        10. 9.2.2.10 Dither Capacitor
        11. 9.2.2.11 MOSFETs QH1 and QL1
        12. 9.2.2.12 MOSFETs QH2 and QL2
        13. 9.2.2.13 Frequency Compensation
      3. 9.2.3 Application Curves
  10. 10Power Supply Recommendations
  11. 11Layout
    1. 11.1 Layout Guidelines
    2. 11.2 Layout Example
  12. 12器件和文档支持
    1. 12.1 文档支持
      1. 12.1.1 相关文档 
    2. 12.2 社区资源
    3. 12.3 商标
    4. 12.4 静电放电警告
    5. 12.5 Glossary
  13. 13机械、封装和可订购信息

1 特性

  • 单电感降压-升压控制器,用于升压/降压 DC/DC 转换
  • 宽 VIN 范围:3.5V 至 42V,最大值为 60V
  • 灵活的 VOUT 范围:0.8V 至 55V
  • VOUT 短路保护
  • 高效降压-升压转换
  • 可调开关频率
  • 可选频率同步和抖动
  • 集成 2A 金属氧化物半导体场效应晶体管 (MOSFET) 栅极驱动器
  • 逐周期电流限制和可选断续模式
  • 可选输入或输出平均电流限制
  • 可编程的输入欠压闭锁 (UVLO) 和软启动
  • 电源正常和输出过压保护
  • 可利用脉冲跳跃来选择连续导通模式 (CCM) 或断续导通模式 (DCM)
  • 采用 HTSSOP-28 和 QFN-28 封装

2 应用

  • 汽车起停系统
  • 备用电池和超级电容充电
  • 工业 PC 用电源
  • USB 供电
  • LED 照明

3 说明

LM5175 是一款同步四开关降压-升压 DC/DC 控制器,能够将输出电压稳定在输入电压、高于输入电压或者低于输入电压的某一电压值上。LM5175 具有 3.5V 至 42V 的宽输入电压范围(最大值为 60V),支持各类 应用。

LM5175 在降压和升压工作模式下均采用电流模式控制,以提供出色的负载和线路调节性能。开关频率可通过外部电阻进行编程,并且可与外部时钟信号同步。

该器件还 具有 可编程的软启动功能,并且提供 诸如 逐周期电流限制、输入欠压锁定 (UVLO)、输出过压保护 (OVP) 和热关断等各类保护特性。此外,LM5175 特有 可选择的连续导通模式 (CCM) 或断续导通模式 (DCM)、可选平均输入或输出电流限制、可降低峰值电磁干扰 (EMI) 的可选扩展频谱、以及应对持续过载情况的可选断续模式保护。

器件信息

订货编号 封装 封装尺寸
LM5175PWP HTSSOP-28 9.7mm x 4.4mm
LM5175RHF QFN-28 4.0mm x 5.0mm

4 简化电路原理图

LM5175 schematic_frontpage.gif