ZHCSDA3D June 2012 – January 2015 DS90UB927Q-Q1
PRODUCTION DATA.
DS90UB927Q-Q1 串行器与 DS90UB928Q-Q1 或 DS90UB926Q-Q1 解串器配套使用,可提供完整的数字接口以实现汽车显示屏和图像传感应用中视频、音频和控制数据的高速并行传输。
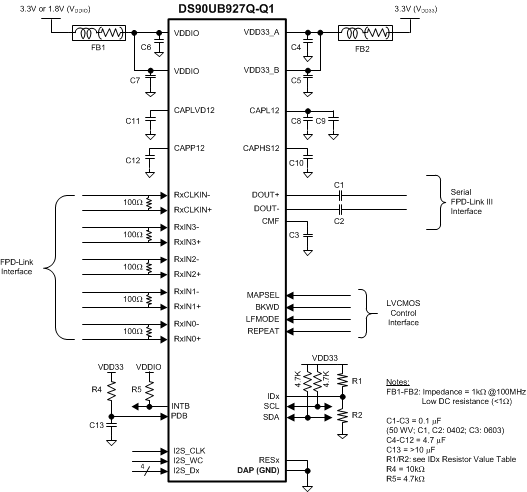
该芯片组非常适合高清 (HD) 格式的车载视频显示系统以及具有百万象素级分辨率的车载视觉系统。 DS90UB927Q-Q1 整合了嵌入式双向控制通道和低延迟 GPIO 控制。 该器件将 FPD-Link 视频接口转换为单对高速串行化接口。 FPD-Link III 串行总线方案支持通过单个差分链路实现高速正向通道数据传输和低速反向通道通信的全双工控制。 通过单个差分对整合音频、视频和和控制数据可减小互连线尺寸和重量,同时还消除了偏差问题并简化了系统设计。
DS90UB927Q-Q1 串行器嵌入了时钟,并将信号电平位移至高速低压差分信令。 多达 24 个 RGB 数据位连同 3 个视频控制信号和多达 4 个 I2S 数据输入一起被串行化。
凭借 FPD-Link 数据接口,该器件可轻松连接数据源,同时还能减小 EMI 和总线宽度。 通过使用低压差分信令、数据扰频和随机生成以及直流均衡功能可最大程度减少高速 FPD-Link III 总线上的 EMI。
| 器件型号 | 封装 | 封装尺寸(标称值) |
|---|---|---|
| DS90UB927Q-Q1 | WQFN (40) | 6.00mm x 6.00mm |
