ZHCSCZ0F June   2014  – March 2017 AMC1305L25 , AMC1305M05 , AMC1305M25

PRODUCTION DATA.  

  1. 特性
  2. 应用
  3. 说明
  4. 修订历史记录
  5. Device Comparison Table
  6. Pin Configuration and Functions
  7. Specifications
    1. 7.1  Absolute Maximum Ratings
    2. 7.2  ESD Ratings
    3. 7.3  Recommended Operating Conditions
    4. 7.4  Thermal Information
    5. 7.5  Power Ratings
    6. 7.6  Insulation Specifications
    7. 7.7  Safety-Related Certifications
    8. 7.8  Safety Limiting Values
    9. 7.9  Electrical Characteristics: AMC1305M05
    10. 7.10 Electrical Characteristics: AMC1305x25
    11. 7.11 Switching Characteristics
    12. 7.12 Insulation Characteristics Curves
    13. 7.13 Typical Characteristics
  8. Detailed Description
    1. 8.1 Overview
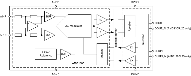
    2. 8.2 Functional Block Diagram
    3. 8.3 Feature Description
      1. 8.3.1 Analog Input
      2. 8.3.2 Modulator
      3. 8.3.3 Digital Output
    4. 8.4 Device Functional Modes
      1. 8.4.1 Fail-Safe Output
      2. 8.4.2 Output Behavior in Case of Full-Scale Input
  9. Application and Implementation
    1. 9.1 Application Information
      1. 9.1.1 Digital Filter Usage
    2. 9.2 Typical Applications
      1. 9.2.1 Frequency Inverter Application
        1. 9.2.1.1 Design Requirements
        2. 9.2.1.2 Detailed Design Procedure
        3. 9.2.1.3 Application Curve
      2. 9.2.2 Isolated Voltage Sensing
        1. 9.2.2.1 Design Requirements
        2. 9.2.2.2 Detailed Design Procedure
        3. 9.2.2.3 Application Curve
  10. 10Power-Supply Recommendations
  11. 11Layout
    1. 11.1 Layout Guidelines
    2. 11.2 Layout Examples
  12. 12器件和文档支持
    1. 12.1 文档支持
      1. 12.1.1 相关文档
    2. 12.2 相关链接
    3. 12.3 接收文档更新通知
    4. 12.4 社区资源
    5. 12.5 商标
    6. 12.6 静电放电警告
    7. 12.7 Glossary
  13. 13机械、封装和可订购信息

特性

  • 针对基于分流电阻的电流测量进行优化的引脚兼容系列:
    • 输入电压范围为 ±50mV 或 ±250mV
    • 互补金属氧化物半导体 (CMOS) 或低压差分信令 (LVDS) 数字接口选项
  • 出色的直流性能,支持系统级高精度感测:
    • 偏移误差:±50µV 或 ±150µV(最大值)
    • 偏移漂移:1.3µV/°C(最大值)
    • 增益误差:±0.3%(最大值)
    • 增益漂移:±40ppm/°C(最大值)
  • 安全相关认证
    • 7000 VPK 增强型隔离,符合 DIN V VDE V 0884-10 (VDE V 0884-10): 2006-12 标准
    • 符合 UL 1577 标准且长达 1 分钟的 5000 VRMS 隔离
    • CAN/CSA No. 5A 组件接受服务通知、IEC 60950-1 和 IEC 60065 终端设备标准
  • 瞬态抗扰度:15kV/µs(最小值)
  • 高电磁场抗扰度
    (请参见应用手册 SLLA181A
  • 外部 5MHz 至 20MHz 时钟输入
    可更加轻松地实现系统级同步
  • 可在扩展工业温度范围内运行

应用

  • 基于分流电阻的电流感测用于下列应用:
    • 工业电机驱动
    • 光电逆变器
    • 不间断电源
  • 隔离电压感测

说明

AMC1305 器件是一款高精度 Δ-Σ (ΔΣ) 调制器,通过磁场抗扰度较高的电容式双隔离栅隔离输出与输入电路。根据 DIN V VDE V 0884-10、UL1577 和 CSA 标准,该隔离栅经认证可提供高达 7000 V峰值 的增强型隔离。当与隔离电源配合使用时,该器件可防止共模高电压线路上的噪声电流进入本地系统接地,从而干扰或损害低电压电路。

AMC1305 针对直接连接分流电阻器或其它低电压等级信号源进行了优化,同时具有出色的直流和交流性能。分流电阻器通常用于感测电机驱动、绿色能源发电系统或其它工业应用中的 电流。通过使用适当的数字滤波器(即,集成于 TMS320F2837x)来抽取位流,该器件可在 78kSPS 数据速率下实现 85dB (13.8 ENOB) 动态范围的 16 位分辨率。

在高侧,调制器由 5V (AVDD) 标称电压供电,而隔离数字接口则由 3.3V 或 5V 电源 (DVDD) 供电。

AMC1305 采用宽体小外形尺寸集成电路 (SOIC)-16 (DW) 封装,工作温度范围为 –40°C 至 +125°C

器件信息(1)

器件型号 封装 封装尺寸(标称值)
AMC1305x SOIC (16) 10.30mm x 7.50mm
  1. 如需了解所有可用封装,请参见数据表末尾的可订购产品附录。

简化电路原理图

AMC1305L25 AMC1305M05 AMC1305M25 fbd_sbas654.gif