ZHCSCR3C October 2012 – August 2014 DS125BR111
PRODUCTION DATA.
DS125BR111 是一款超低功耗的高性能中继器/转接驱动器,旨在支持高达 12.5Gbps 的 1 通道高速接口。 6GHz 时,接收器的连续时间线性均衡器 (CTLE) 可在每个通道上提高 3-10dB。 在 SAS-3 或 PCIe Gen-3 应用中工作时,DS125BR111 保留发射信号特性,从而使得主机控制器和端点能够协商发射均衡器系数。 链接协商协议的透明度能够最大程度增加互连通道内器件实体布局的灵活性并提高通道的总体性能。
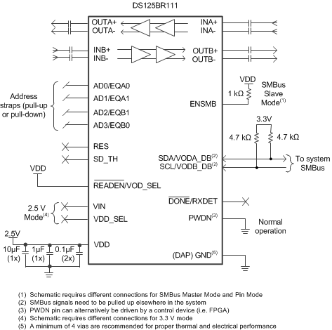
可通过引脚、软件(SMBus 或 I2C)来轻松应用相关可编程设置,或者通过外部 EEPROM 来载入此设置。 在 EEPROM 模式下,配置信息在加电时被自动载入,这样就免除了对于外部微控制器或软件驱动程序的需要。
| 器件型号 | 封装 | 封装尺寸(标称值) |
|---|---|---|
| DS125BR111 | WQFN (24) | 4.00mm x 4.00mm |
